ОБЩАЯ СТРУКТУРНАЯ СХЕМА
ПРИНЦИПЫ РЕГЕНЕРАЦИИ ЦИФРОВЫХ СИГНАЛОВ.
В процессе прохождения по линейному тракту (ЛТ) цифровые сигналы подвергаются искажению и воздействию помех, а также ослабляются. Это приводит к изменению формы и длительности импульса, к уменьшению амплитуды, а также случайным образом изменяет временные позиции импульсов. Для восстановления ЦЛС в промежуточных точках ЛТ устанавливаются регенераторы линейные (РЛ). На ОРП и оконечных станциях устанавливаются регенераторы станционные (РС).
Задачи регенератора:
1. восстановление амплитуды импульса;
2. восстановление формы импульса;
3. восстановление τи.
|
Рисунок 17 - Принцип регенерации цифрового сигнала,
где КУ – корректирующее устройство (усилитель-корректор);
РУ – решающее устройство;
УТС – устройство тактовой синхронизации;
ФУ – формирующее устройство.
Искаженный ЦЛС подается на КУ, который обеспечивает частичную или полную коррекцию формы импульса. РУ построен в виде пороговой схемы, которая срабатывает, если уровень сигнала на его входе превышает пороговый уровень РУ, и не срабатывает, если уровень входного сигнала меньше уровня порога.

Рисунок 18- Принцип регенерации цифрового двоичного сигнала
Uпорога может вырабатываться в самом РУ, а может подаваться извне. При поступлении импульса «1» на выходе РУ вырабатывается управляющее U, которое поступает на формирующее устройство (ФУ). ФУ формирует импульс с принятыми в конкретной ЦСП стандартными параметрами. УТС вырабатывает стробирующие импульсы с частотой fт в середине тактового интервала, на котором входящий сигнал РУ имеет максимальное значение и минимальные помехи. Это обеспечивает максимальную вероятность правильных решений.
В европейских странах в качестве основной цифровой системы используется ИКМ-30 со скоростью передачи группового цифрового потока 2048 кбит/с, а в
североамериканских странах — ИКМ-24со скоростью 1544 кбит/с.
Объединение цифровых потоков происходит при формировании группового цифрового сигнала из цифровых потоков систем более
низкого порядка, а также при объединении различных сигналов, передаваемых в цифровом виде, в единый цифровой поток.
При формировании группового цифрового сигнала возможны следующие способы объединения цифровых потоков (мультиплексирования):
· посимвольный (поразрядный) — бит-интерливинг;
· поканальный (по кодовым группам каналов) — байт-интерливинг;
· посистемный (по циклам потоков объединяемых систем).
При посимвольном объединении импульсы цифровых сигналов объединяемых систем сужаются и распределяются во времени так, чтобы в освободившихся интервалах могли разместиться импульсы других систем.
При поканальном объединении цифровых потоков сужаются и распределяются во времени интервалы, отводимые для кодовых групп.
Сигналы цикловой синхронизации необходимы для правильного распределения цифровых потоков на приемной станции.
Объединение цифровых потоков по циклам аналогично поканальному объединению, только сжимается во времени и передается целиком цикл одного цифрового потока, а затем следующих.
Наиболее простым и широко применяемым является способ посимвольного объединения.

Рисунок 19 - Формирование группового цифрового сигнала различными способами объединения цифровых потоков: а — посимвольный; б — поканальный
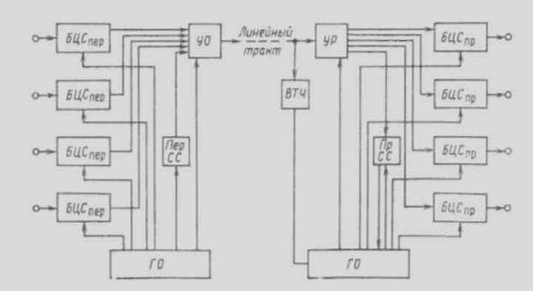
Объединение цифровых потоков осуществляется в оборудовании временного группообразования (ОВГ), в его состав входят:
· блоки цифрового сопряжения тракта передачи и приема БЦСпер, БЦСпр;
· устройства объединения УО в тракте передачи и разделения УР в тракте приема потоков;
· передатчик и приемник синхросигнала Пер. СС, Пр. СС;
· выделитель тактовой частоты ВТЧ линейного цифрового сигнала;
· генераторное оборудование ГО передающей и приемной станции.

Рисунок 20 - Принцип построения оборудования временного
группообразования (ОВГ)
Описание [1] стр. 122
ГО систем передачи более низкого уровня иерархии может работать:
1. независимо от ОВГ (асинхронное объединение),
2. обеспечивается синхронизация общим задающим генератором (синхронное объединение).
Основным элементом в БЦС является запоминающее устройство (ЗУ).
При синхронном объединении частота записи fз в ЗУ и частота считывания fсч информации из ЗУ будут постоянны и кратны, так как вырабатываются одним и тем же ГО. В данном случае между командами записи и считывания должен быть установлен временной сдвиг, чтобы считывание информации происходило после ее поступления в ЗУ.
f3 = fСЧ
При асинхронном объединении ГО ОВГ и ГО устройств формирования цифровых потоков низшего порядка работают независимо друг от друга, следовательно, возможно некоторое расхождение между частотами записи и считывания.
f3 ≠ fСЧ
Если f3 > fСЧ, то ЗУ перегружается, и часть символов пропадает. Если f3 < fСЧ, то память ЗУ имеет свободные промежутки, т.е. появляются дополнительные временные позиции, которые в исходном потоке отсутствуют. Чтобы избежать этих нарушений, требуется обеспечить согласование скоростей.
При f3>fсч производится отрицательное выравнивание скоростей (отрицательный стаффинг): из считываемой последовательности изымается тактовый интервал, который передается по специальному каналу. На приеме этот тактовый интервал вводится на свое место.
При f3<fсч производится положительное выравнивание скоростей(положительный стаффинг): в считанную последовательность вводится дополнительный балластный тактовый интервал (на передаче), на приеме этот интервал изымают.
Системы, удовлетворяющие этим условиям, называются системами с односторонним согласованием скоростей (выравниванием, стаффингом).
Существуют системы с двусторонним согласованием скоростей, в них в зависимости от знака разности частот f3 и fсч при возникновении неоднородности необходимо либо вводить в считанную последовательность дополнительный тактовый интервал, либо изымать его и передавать по дополнительному каналу.