Рубильники. Кнопки управления и кнопочные посты. Пакетные выключатели и переключатели. Универсальные переключатели. Контроллеры
Аппараты ручного управления предназначены для ручного (непосредственного) управления электродвигателями и другими потребителями электрической энергии переменного и постоянного тока. Применяются для нечастого включения и выключения электрических цепей, реверсирования, переключения схем соединения обмоток, изменения сопротивления при управлении электродвигателями и т. д. К ним относятся: рубильники, кнопки управления, пакетные выключатели и переключатели, универсальные переключатели, ящики сопротивлений, пусковые и регулировочные реостаты, командоконтроллеры и контроллеры.
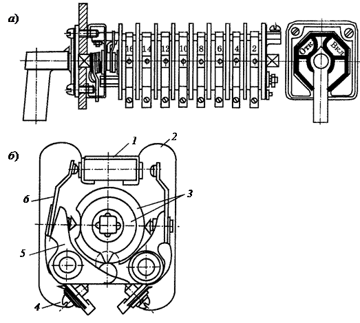
Рубильники – простейшие аппараты ручного управления (рис. 2.1). Применяются в цепях переменного тока при напряжении до 660 В и постоянного тока до 440 В и токах от 25 до
. Рубильники подразделяются по количеству полюсов – одно-, двух- и трехполюсные; по роду управления – с центральной и боковой рукояткой или рычажным приводом; по способу присоединения – с передней и задней стороны аппарата.
|
|
|
Коммутирующим элементом рубильников является подвижный нож 2 (рис. 2.1, а), входящий в губки контактных стоек 3.
Переключатель (рис. 2.1, в) отличается наличием дополнительных неподвижных контактов 6 с выводами 7, чем обеспечивается переключение подходящих к нему электрических цепей с одной на другую.
В некоторых конструкциях рубильники совмещают с предохранителями или в качестве ножей используют предохранители. Такая конструкция позволяет выполнять функции коммутации и защиты и называется блок предохранитель – выключатель (БПВ) (рис. 2.2).
![]() |
Рис. 2.1. Рубильники: а) – с центральной рукояткой; б) – с боковой рукояткой; в) – переключатель с центральным рычажным приводом
Для быстрого гашения дуги рубильники снабжаются дугогасительными камерами. Рубильники без дугогасительных камер используют, главным образом, как разъединители для создания видимого разрыва электрической цепи.
Тип рубильников и переключателей расшифровывается следующим образом:
Р (П) – рубильник (переключатель);
РБ (ПБ) – рубильник (переключатель) с боковой рукояткой;
РПБ (ППБ) – рубильник (переключатель) с боковым рычажным приводом;
РПЦ (ППЦ) – рубильник (переключатель) с центральным рычажным приводом.
Первая цифра после букв обозначает количество полюсов – 2 или 3, вторая цифра – номинальный ток 1 – 100 А; 2 – 250 А; 4 – 400 А; 6 – 600 А, например РБ31 – рубильник с боковой рукояткой, трехполюсный, на ток 100 А.

Рис. 2.2. Блок предохранитель-выключатель: а) – ЯБПВУ-1МУ3;
б) – ЯБП1-2У3; в) – ЯБПВУ-4У3
|
|
|
В целях безопасности прикосновения обслуживающего персонала к токоведущим частям рубильники заключаются в защитный металлический кожух и называются ящики силовые.
Ящики силовые типа ЯВЗ, ЯВЗШ, ЯВЗБ изготавливаются на напряжение до 500 В.
Тип ящиков расшифровывается следующим образом:
Я – ящик; В – выключатель; З – закрытый; Ш – со штепсельным разъемом; Б – контактные стойки с барашковыми зажимами.
Ящики силовые типа ЯБП, ЯБПВУ (рис. 2.2) на напряжение 380 В предназначены для защиты линий и нечастой коммутации электрических цепей. В качестве ножей применяются плавкие предохранители серии ПН2. Ящик ЯБПВУ-1М на ток 100 А, ЯБПВУ-2 – 250 А, ЯБПВУ-4 – 400 А.
Кнопки управления. Эти электрические аппараты предназначены для подачи оператором управляющего воздействия при управлении различными электромагнитными аппаратами (реле, пускателями, контакторами), а также для коммутирования цепей управления, сигнализации, электрической блокировки и других цепей постоянного и переменного тока.
Кнопки применяют в цепях переменного тока до 660 В и постоянного тока до 440 В.
Кнопки управления различаются по величине – нормальные и малогабаритные; с разным набором замыкающих и размыкающих контактов; по номинальному току и напряжению; по форме и цвету толкателей; с самовозвратом в исходное положение; с защелками, фиксирующими положение после нажатия; включаемые специальным ключом и др.
![]() |
Рис. 2.3. Кнопки управления:
а) – в пластмассовом корпусе; б) – с креплением на щите; в) – с грибовидным толкателем красного цвета
Основной частью кнопок управления является кнопочный элемент (рис. 2.3, а), в пластмассовом корпусе 3 установлены неподвижные контакты 5. На стержне 8 закреплен контактный мостик 6, он подпружинен пружинами 7, обеспечивающими нажатие контактов. При свободном толкателе (кнопка не нажата) нижняя пружина поджимает контактный мостик к верхним неподвижным контактам, а при утопленном толкателе верхняя пружина поджимает мостик к нижним контактам. В исходное положение толкатель возвращает пружина 2, которая установлена между диском 4 и выточкой толкателя. Кнопка крепится к панели гайкой 9. Контакты кнопочных элементов делают металлокерамическими или посеребренными, они рассчитаны на 40 000 циклов включений – отключений под нагрузкой.
Два, три и более кнопочных элемента смонтированных в одном корпусе образуют кнопочную станцию или кнопочный пост, (рис. 2.4) они выполняются для монтажа на пульте, на стене, на полу (ножные) и подвесные. Промышленностью выпускаются кнопки управления и кнопочные станции серий КЕ, ПКЕ, ПКУ
![]() |
Рис 2.4. Кнопочный пост: а) – общий вид; б) – кнопочный элемент
Пакетные выключатели и переключатели применяются в цепях управления и сигнализации в схемах пуска и реверса электродвигателей небольшой мощности под нагрузкой в цепях переменного тока напряжением 380 В и постоянного тока 220 В. Они представляют собой малогабаритные многоцепные аппараты поворотного типа.
Выпускаются пакетные выключатели на токи 10, 25, 60, 100, 250, 400 А при небольшом числе включений
в час и имеют одно-, двух- и трехполюсную конструкцию в открытом, защищенном и герметическом исполнении.
Пакетные выключатели состоят из отдельных колец- пакетов, выполненных из изолирующего материала. Внутри пакета помещается контактная система, состоящая из неподвижного и подвижного контактов – один полюс. Из таких пакетов можно набрать любое число полюсов.
На рис. 2.5 представлен трехполюсный пакетный выключатель, у которого пакеты разных полюсов набираются на скобе 4 со стяжными шпильками 3. На валике с рукояткой 1 фиксировано посажены подвижные контакты 7, имеющие профильное отверстие 5.
|
|
|
![]() |
Рис. 2.5. Трехполюсный пакетный выключатель
Неподвижные контакты 8 находятся между изоляционными дисками 6. Контактные нажатия происходят под действием пружинящих подвижных контактов. Дуга, возникающая при замыкании и размыкании контактов, гасится в закрытой крышкой 2 камере, образованной между пакетами при наличии искрогасительных шайб. Выключатель снабжен механизмом мгновенного переключения, который представляет собой заводную пружину, обеспечивающую большую скорость размыкания контактов.
Тип пакетных выключателей и переключателей расшифровывается следующим образом:
ПВ – пакетный выключатель;
ПП – пакетный переключатель;
ПВМ – открытого исполнения малогабаритный;
ГПВМ – герметический малогабаритный; первая цифра – количество полюсов; число после дефиса указывает номинальный ток, А; Н – наличие нулевых положений; цифра после буквы Н – количество линий, например ПВМ2–10 – пакетный выключатель малогабаритный двухполюсный на номинальный ток 10 А;
ПП2–10/Н2 – пакетный переключатель открытого исполнения двухполюсный на 10 А с двумя нулевыми положениями на две линии.
Универсальные переключатели. Переключатели можно разделить на две группы: с поворотными подвижными контактами серии МК, ПМО и кулачковые УП5300, ПКУ.
Универсальные переключатели выпускаются в нормальном исполнении – серии УП5300; водозащищенном – серии УП5400; взрывозащищенном серии – УП58007. Их различают по числу секций, числу фиксированных положений и углу поворота рукоятки, ее форме и другим признакам.
Число секций может быть 2, 4, 6, 8, 10, 12, 14, 16.
В обозначении каждого переключателя указывают сокращенное название, условный номер данной конструкции, номер, указывающий число секций, тип фиксатора и номер диаграммы переключателя по каталогу. Например, обозначение УП5314-Н20 расшифровывается так: У – универсальный, П – переключатель, 5 – нерегулируемый командоаппарат, 3 – безреечная конструкция, 14 – число секций, Н – тип фиксатора, 20 – номер диаграммы по каталогу.
|
|
|
Основной частью переключателя УП5300 являются стянутые шпильками рабочие секции (рис. 2.6, б). Через все секции проходит центральный валик, на одном конце которого находится пластмассовая рукоятка. Для крепления переключателя на панели в его передней стеке имеются три выступа с отверстиями под установочные винты. Коммутация электрических цепей осуществляется расположенными в секциях контактами.
![]() |
Рис. 2.6. Универсальный переключатель УП5300:
а) – общий вид; б) – конструкция рабочей секции
Контроллеры – это многоцепные электрические аппараты с ручным или ножным приводом для непосредственной коммутации силовых цепей двигателей постоянного тока до 440 В и переменного тока до 500 В.
По своей конструкции они разделяются на кулачковые, барабанные, плоские и магнитные. Кулачковые контроллеры могут быть двух типов: силовые и магнитные.
В управлении электродвигателями крановых и других передвижных механизмов используются кулачковые и магнитные контроллеры. У кулачковых контроллеров размыкание и замыкание контактов обеспечивается смонтированными на барабане кулачками, поворот которых осуществляется с помощью рукоятки маховика или педали и могут коммутировать от 2 до 24 электрических цепей.
![]() |
Рис. 2.7. Кулачковый контроллер: 1 – неподвижные контакты; 2 – контактодержатель; 3 – подвижные контакты; 4 – пружина; 5 – рычаг; 6 – переключающая шайба; 7 – фиксатор
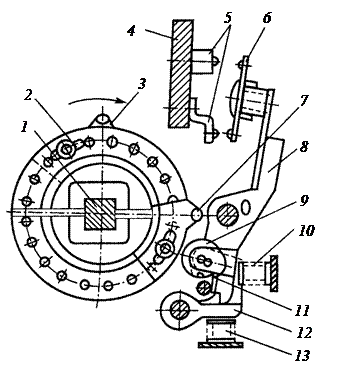
Кулачковые контроллеры разделяются по количеству коммутируемых цепей, виду привода, диаграммам замыкания контактов. Внешний вид и конструкция кулачкового контроллера показана на рис. 2.7. Устройство одного контактного элемента кулачкового контроллера представлено на рис. 2.8.
На валике 1 насажены переключающие шайбы 2 с кулачками 3 и 7. При вращении валика 1 кулачок 7 дойдет до ролика 9 и, нажимая на него, повернет рычаг 8 с подвижными контактами 6, которые замкнут неподвижные контакты 5 на плате 4. При повороте рычага 8 под действием пружины 13 защелка 12 входит в вырез рычага и удерживает его после прохода кулачка 7. Быстрое отключение контроллера произойдет под действием пружины 10, когда кулачок 3, нажимая на ролик 11, выведет защелку 12 из выреза рычага 8. Расстановка и число включающих и отключающих кулачков позволяет получить разные комбинации работы контактов контроллера.
![]() |
Рис. 2.8. Контактный элемент кулачкового контроллера: 1 – валик; 2 – переключающая шайба; 3 – кулачек; 4 – плата; 5 – неподвижные контакты; 6 – подвижные контакты; 7 – кулачек; 8 – поворотный рычаг; 9 – ролик; 10 – пружина; 11 –ролик; 12 – защелка; 13 – пружина
Магнитные контроллеры состоят из командоконтроллера и силовых электромагнитных аппаратов – контакторов. Командоконтроллер с помощью своих контактов производит включение или отключение напряжения на катушках контакторов, которые своими силовыми контактами коммутируют цепи электродвигателей. Это позволяет повысить степень автоматизации при управлении электроприводами передвижных механизмов.
Для управления двигателями механизмов передвижения используются магнитные контроллеры трех серий П, Т и К. У контроллеров серии П силовые цепи и цепи управления получают питание от сети постоянного тока, у котроллеров серии Т – от сети переменного тока. В контроллерах серии К применяются аппараты управления постоянного тока, которые более надежны в эксплуатации и допускают большую частоту включений, чем контакторы и реле переменного тока.
Для управления электроприводами подъема применяются несимметричные магнитные контроллеры серий ПС, ТС и КС, которые позволяют получить от двигателей низкие посадочные скорости при спуске грузов. Буква А в обозначении типа контроллера означает, что управление двигателем автоматизировано в функции времени или ЭДС, например ПСА, ТСА.
Магнитные контроллеры используются для приводов средней и большой мощности до 150 кВт с высокой частотой включений.
![]() |
Рис. 2.9. Схема контроллерного управления асинхронным электродвигателем с фазным ротором
Типовая схема контроллерного управления асинхронным двигателем с фазным ротором показана на рис. 2.9. Управление механизмом передвижения крана осуществляется с помощью кулачкового контроллера S. Контроллер имеет 11 фиксированных положений: одно нулевое 0, пять положений для передвижения вперед и пять положений для передвижения назад. Контакты S 1– S 12 кулачкового контроллера замыкаются в положениях, отмеченных точками. Например, контакт S 1 замыкается в положениях 1-5 на движение вперед, а S 12 – только в нулевом положении. С помощью контактов S 1– S 4 осуществляется реверсирование двигателя М изменением чередования фаз. Контакты S 5– S 9 вводят дополнительные резисторы в цепь ротора, с помощью которых изменяется частота вращения двигателя М. Контакты S 10– S 12 работают совместно с элементами пуска и защиты. Чтобы включить электродвигатель контроллер выводится в нулевое положение, при этом замкнется контакт S 12. Нажатием на кнопку SB 1 катушка контактора КМ 1 получит питание по цепи: контакты нулевой защиты S 12 – контакт SQ 3 конечного выключателя люка выхода на мост – контакт SA 1 аварийного отключения – контакты КА 1, КА 2, КА 3, осуществляющие максимальную токовую защиту. Контактор включается и дальнейшая его работа будет осуществляться с помощью вспомогательного контакта КМ 1 через контакты конечных выключателей SQ 1 и SQ 2 ограничения движения крана в конечных точках – контакты контроллера S 10 или S 11.
После включения контактора КМ, оператор, поворачивая рукоятку контроллера, подает питание на обмотку статора контактами
S 1 – S 4 и одновременно последовательно выводит секции резисторов R 1 – R 6, включенные в цепь ротора двигателя М, тем самым, изменяя частоту вращения ротора двигателя.







