Лекция 10
Цель: изучить принцип действия и схемные решения ПЧ, применяемые в регулируемых приводах переменного тока
В настоящее время для реализации частотного управления машинами переменного тока применяют различные варианты преобразователей частоты (ПЧ), отличающихся принципом действия, схемными решениями, алгоритмами управления и т.д. Исключив из рассмотрения применявшиеся ранее электромашинные ПЧ с известными их недостатками, остановимся на современных статических преобразователях.
По принципу формирования выходного напряжения или тока ПЧ можно подразделить на непосредственные преобразователи частоты (НПЧ, или циклоконверторы) и ПЧ со звеном постоянного тока.
В НПЧ выходная кривая переменного напряжения (или тока) необходимой частоты, амплитуды и фазы формируется из кривых напряжения многофазной системы переменного тока на входе. В устройствах данного типа функции выпрямления напряжения сети и его преобразование в напряжение или
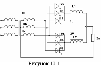
ток требуемой частоты выполняются в одном устройстве. Это обусловливает однократное преобразование энергии и высокое значение КПД, малые габариты и массу НПЧ. Они выполняются по тем же схемам, что и выпрямители (однофазные, многофазные, нулевые, мостовые). Для уяснения принципа преобразования на рисунке 10.1 приведена простейшая схема НПЧ, осуществляющего преобразование трехфазного напряжения промышленной частоты f1 в однофазное напряжение регулируемой частоты f2.
|
|
|

Преобразователь выполнен по схеме двухкомплектного реверсивного выпрямителя по встречно-параллельной нулевой схеме. Каждая группа 1V и 2V открывается на время, равное полупериоду выходного напряжения Т2/2, причем
положительная полуволна формируется при работе группы 1V, отрицательная – группы 2V. Выходное напряжениепреобразователя представляет собой огибающую фазных
напряжений (рисунок 10.2). Форма этого
напряжения зависит от числа фаз сети, частоты выходного напряжения, которую можно регулировать путем изменения длительности проводимости групп 1V и 2V, и т.д.
Недостатком НПЧ является ограниченный диапазон выходной частоты. При частоте питающей сети, равной 50 Гц, верхний предел регулирования
составляет 25 Гц. Дальнейшее повышение частоты связано с отказом от естественной коммутации вентилей, увеличением фаз питания или подачей на преобразователь напряжения повышенной частоты. Потому область применения НПЧ в регулируемом электроприводе ограничена тихоходными безредукторными электроприводами и схемами управления по цепи ротора (машины двойного питания).

|
ПЧ со звеном постоянного тока можно подразделить на преобразователи с управляемым выпрямителем и автономными инверторами напряжения или тока (ПЧ с АИ – рисунок 10.3) и ПЧ с неуправляемым выпрямителем и широтно-импульсной модуляцией выпрямленного напряжения (ПЧ с ШИМ – рисунок 10.4).
|
|
|
|
Оба варианта ПЧ со звеном постоянного тока широко применяются при частотном управлении АД, и будут подробно рассмотрены в данном разделе.
Схемные решения силовой части преобразователей, используемых в ПЧ с АИ и ПЧ с ШИМ, достаточно устоявшиеся – это обычно классические трехфазные мостовые схемы. Для уменьшения высших гармоник тока питающей сети и выпрямленного напряжения применяют многофазные схемы выпрямления. Так как значительное увеличение пульсности преобразователей (18-ти, 24-х-пульсные схемы) связано с увеличением их стоимости и конструктивными сложностями, обычно ограничиваются 12-пульсными схемами, получаемыми последовательным или параллельным включением двух 6-пульсных схем.
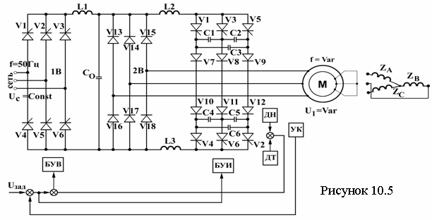
На рисунке 10.5 дана схема трехфазного преобразователя частоты с автономным инвертором, содержащего трехфазный мостовой управляемый выпрямитель 1В, дроссель фильтра Д1, конденсатор реактивной энергии С0 и автономный трехфазный мостовой инвертор напряжения с коммутирующими емкостями. Двигатель, питающийся от этого преобразователя, не может работать в генераторном режиме параллельно с сетью, т.к. выпрямитель 1В обладает односторонней проводимостью энергии. Для создания возможности генераторного режима необходимо включить встречно – параллельно выпрямителю 1В зависимый, ведомый сетью инвертор. Выпрямитель 1В собран на тиристорах V1-V6, диодах V7-V12, емкостях С1-С6. На блок – схеме обозначено: БУВ – блок управления выпрямителем, БУИ – блок управления инвертором, УК – устройство коррекции, ДН – датчик напряжения, ДТ – датчик тока.

Рассмотрим принцип действия АИ без учета электромагнитных коммутационных процессов, считая тиристоры идеальными ключами (рисунок 10.6).
Для построения алгоритма учитывается, что сдвиг фаз между напряжениями Uа, Ub, Uc составляет 2π/3. На рисунке 2.12. отмечена коммутация соответствующих тиристоров V1-V6. На первом интервале (0-2π/3) открыты ключи V1 анодной группы и (поочередно) V6 и V2 катодной группы. Ток протекает по цепи «+»→ V1 →фаза «а» (начало) → «0» статора→фаза «b» (фаза «с») → V6(V2)→ «-». К фазе «а» статора будет приложено напряжение UП/2. На интервале (2π/3 -π) открыты ключи V3 анодной группы и V2 катодной группы. Ток протекает по цепи «+»→ V3 →фаза «b» (начало) → «0» статора→фаза «c» → V2 → «-». К фазе «а» статора напряжение не приложено. На интервале (π -5π/3) открыты ключи V3, V5 (поочередно) анодной группы и V4 катодной группы. Ток протекает по цепи «+»→ V3(V5) →фаза «b» (фаза «c») → «0» статора→фаза «a» → V4 → «-». К фазе «а» статора будет приложено напряжение - UП/2.
Линейное напряжение находится, как Uab=Ua-Ub. Полученная форма напряжения (рисунок 10.7) показывает, что напряжение питания в значительной степени отличается от синусоиды. Аналогичное построение для других фаз показывает, что на выходе сформирована трехфазная система напряжений, сдвинутых относительно друг друга на 120 эл. градусов.
На рисунке 10.8 представлен однофазный инвертор напряжения с ШИМ. Формирование кривой выходного напряжения иллюстрируется рисунком 10.9. В качестве примера рассмотрена двухполярная односторонняя ШИМ, когда в качестве опорного напряжения используется пилообразное опорное напряжение
с высокой частотой
, с которой коммутируются вентили силовых групп.
Длительность импульсов несущей частоты изменяется с каждым периодом в соответствии с формой модулирующего напряжения
. Это достигается сравнением опорного напряжения
с модулирующим, и переключение вентилей происходит в момент их равенства.
|
|
|
Тогда выходное напряжение описывается логической функцией
(10.1)
Выходное напряжение, усредненное за период несущей частоты, можно записать, как
(10.2)
где UП – выпрямленное напряжение на входе инвертора;
t1, t2 – время включенного состояния вентильных групп;
ТН =2π/ωнес – период опорного напряжения.
При синусоидальной ШИМ, обеспечивающей минимальное содержание высших гармонических в Uвых,
(10.3)
где μ=UM/UMmax – относительное значение глубины модуляции;
UMmax – максимальное напряжение модулирующего напряжения;
ωвых – частота выходного напряжения.
Таким образом осуществляется регулирование величины и частоты выходного напряжения ПЧ с ШИМ.