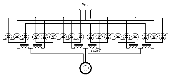
Преобразователь с непосредственной связью предназначен для преобразования высокой частоты в низкую и состоит из 18 тиристоров (рис.8.1). В основе преобразователя находится трёхфазная однополупериодная схема выпрямления; каждая фаза преобразователя состоит из двух таких встречно включенных выпрямителей. Группу из трёх вентилей, имеющих общий катод, называют «положительной» или выпрямительной, а группу с общим анодом – «отрицательной», или инверторной. В течение одного полупериода выходного напряжения преобразователя пропускают ток выпрямительные группы, а в течение другого – инверторные. Частота выходного напряжения определяется длительностью промежутков времени пропускания тока обеими группами. Полуволна выходного напряжения состоит из отрезков волны напряжения питающей сети. На рисунке 8.2. показана кривая выходного напряжения при неизменном угле открывания вентилей a = 0.
При переключении от одной группы к другой могут оказаться одновременно включенными два вентиля разных групп, подключенных к разным фазам сети, что может привести к образованию цепи тока через эти вентили. С целью ограничения этого тока применяются уравнительные реакторы, которые одновременно сглаживают форму кривой напряжения.
|
|
|
Возможно осуществление преобразователей частоты с непосредственной связью и без уравнительных реакторов, где используется раздельная система управления вентильными группами.
Регулирование напряжения на выходе преобразователя достигается изменением угла открытия вентилей.

Рисунок 6.1. Схема статического преобразователя частоты с непосредственной связью.

Рисунок 6.2. Форма выходного напряжения трёхфазного преобразователя
с непосредственной связью
Преобразователь с непосредственной связью можно использовать в случаях, когда частота питающей сети много выше частоты, соответствующей номинальной скорости асинхронного двигателя. Этот же преобразователь может быть применён, когда требуется одна рабочая скорость, обусловленная частотой сети, и пониженная скорость (одна или несколько) для вспомогательных операций.
Кроме того, данный тип преобразователя целесообразно применить для регулирования скорости вращения асинхронного двигателя с контактными кольцами, работающего в режиме двойного питания, когда статор его присоединён к сети, а ротор присоединён к той же сети через преобразователь частоты.
Наибольшее применение для промышленных приводов может иметь статический преобразователь частоты с промежуточным звеном постоянного тока, блок-схема которого представлена на рисунке 8.3.
![]() |
Рисунок 6.3. Блок-схема статического преобразователя частоты с промежуточным звеном постоянного тока.
|
|
|
На схеме обозначены:
УВ – управляемый выпрямитель;
И – инвертор;
БУВ – блок управления выпрямителем;
БУИ – блок управления инвертором;
БЗС – блок задания скорости.
Преобразователь состоит из двух силовых элементов – управляемого выпрямителя УВ и инвертора И. На вход выпрямителя подаётся нерегулируемое напряжение переменного тока промышленной частоты; с выхода УВ постоянный ток регулируемого напряжения подаётся на инвертор, который преобразует энергию постоянного тока в энергию переменного тока регулируемого напряжения и частоты. Кроме двух силовых элементов преобразователь содержит ещё систему управления, состоящую из блока управления выпрямителем БУВ и блока управления инвертором БУИ. Выходная частота регулируется в широких пределах и определяется частотой коммутации тиристоров 1Т – 6Т, которая задаётся блоком управления инвертором. В такой схеме производится раздельное регулирование напряжением и частотой, что позволяет осуществить при помощи блока задания скорости БЗС требуемое соотношение между напряжением и частотой на зажимах асинхронного двигателя. Если в блоке задания скорости БЗС сопоставлять задающий сигнал с сигналом обратной связи по скорости, то можно осуществить систему автоматического частотного управления с точным поддержанием скорости вращения двигателя.
Примером принципиальной силовой схемы статического преобразователя частоты с промежуточным звеном постоянного тока, выполненного на тиристорах, может служить схема, приведённая на рисунке 8.4.

Рисунок 6.4. Схема статического преобразователя частоты с промежуточным звеном постоянного тока.
В качестве управляющего выпрямителя используются два тиристора 7Т и 8Т и два диода 7Д и8Д, включенные в мостовую схему для получения двухполупериодного выпрямленного напряжения, среднее значение которого можно регулировать, воздействуя на фазу напряжения управляющих электродов 7Т и 8Т. Инвертор состоит из шести тиристоров 1Т – 6Т, шести последовательно включенных с ними диодов 1Д – 6Д, шести диодов, включенных по трёхфазной мостовой схеме 10Д – 15Д и шести колебательных контуров LC.
Преобразование постоянного напряжения в трёхфазное переменное осуществляется коммутацией тиристоров 1Т – 6Т, работающих в определённой последовательности. Время открытого состояния каждого тиристора соответствует 120 электрическим градусам выходной частоты, последовательность их открывания соответствует их нумерации на схеме, то есть сначала открывается 1Т, через 60° открывается 2Т и т.д. до 6Т. При коммутации в каждый момент времени открыты одновременно два тиристора. Открывание тиристоров осуществляется подачей положительного импульса на управляющий электрод от БУИ. Для закрывания тиристоров необходимо ток, протекающий через него, довести до нуля. Это достигается с помощью коммутирующих контуров LC, например, при включении 3Т через ранее открытый 1Т происходит разряд конденсатора С и 1Т закрывается.
Диоды 1Д – 6Д служат для отделения коммутирующих конденсаторов от нагрузки, что даёт возможность существенно снизить их ёмкость в сравнении с обычным параллельным инвертором.
Через мост 10Д – 15Д реактивная энергия двигателя возвращается конденсатору С0.
Напряжение на выходе инвертора регулируется изменением напряжения на его входе – управляемым выпрямителем, а частота – изменением частоты подачи импульсов на тиристоры.
Преобразователь с промежуточным звеном постоянного тока позволяет регулировать частоту как вверх, так и вниз от частоты питающей сети, он отличается высоким КПД, значительным быстродействием, малыми габаритами, сравнительно высокой надёжностью и бесшумен в работе.
|
|
|
Кроме рассмотренных преобразователей частоты могут быть использованы тиристорные преобразователи с широтно-импульсной модуляцией (ШИМ), которые позволяют получить весьма широкий диапазон регулирования частоты при кривой тока, близкой к синусоидальной. При этом с введением обратных связей можно получить большой диапазон регулирования скорости вращения асинхронного двигателя (до 1000: 1 и выше).







