Рисунок 8 - Компоновки встроенных цеховых подстанций
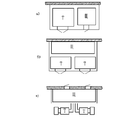
У пристроенных цеховых подстанций (рисунок 9) одна из стен совпадает со стеной цеха, но сама подстанция располагается вне цеха.

а) однотрансформаторные с внутренней установкой трансформатора;
б) двухтрансформаторная с внутренней установкой трансформатора;
в) двухтрансформаторная с наружней установкой трансформатора.
Рисунок 9 - Компоновки пристроенных трансформаторных подстанций
Пристроенные подстанции, удовлетворяя требованиям экономики, часто вызывают возражения архитекторов и строителей, поскольку ухудшают внешний вид здания.
Отдельностоящие цеховые подстанции в настоящее время применяются относительно редко, например, для питания от одной подстанции нескольких мелких цехов, разбросанных по территории небольшого предприятия; при наличии в цехах агрессивных сред, пожароопасных производств; при невозможности применения
пристроенных подстанций по соображениям производственного или архитектурного характера.
|
|
|
11.5 Выбор схемы подключения трансформаторов на
Ввод ВН на ТП осуществляется от радиальных или магистральных линий. В первом случае в конце линий не требуются коммутационные аппараты и линии наглухо соединяют с зажимами ВН трансформатора (рисунок 10а). Все коммутационные аппараты и защитные устройства блока линия трансформатор находятся в начале линии (например, на ГПП предприятия). Для удобства проведения ремонтных работ и профилактических испытаний кабельных линий могут предусматриваться разъединители между кабелем и трансформатором (рисунок 10б). Могут также применяться и специальные концевые разъемы кабеля, позволяющие удобно присоединить кабель к зажимам трансформатора при помощи полностью изолированных штепсельных разъемов (рисунок 10в).

а) глухое присоединение линии к трансформатору;
б) применение разъединителя;
в) применение штепсельного кабельного разъема.
Рисунок 10 - Схемы ввода радиальной линии ВН в цеховую ТП
В случае подвода к подстанции магистральных линий в присоединении к трансформатору предусматривают защитные и коммутационные аппараты. Некоторые схемы подвода магистральной линии приведены на рисунке 10. Наиболее дешевым вариантом является применение в цепи трансформатора
разъединителей с плавкими предохранителями (рисунок 11). Эта схема применяется в следующих случаях:
- ток нагрузки трансформатора отключается аппаратами НН;
- разъединитель ВН способен отключить ток холостого хода трансформатора (в соответствии с требованиями ПУЭ /1/);- номенклатура плавких предохранителей позволяет выбрать подходящие по номинальному току трансформатора предохранители с требуемой отключающей способностью токов короткого замыкания;
|
|
|
- у трансформатора не применяются защиты, требующие в цепи ВН выключателя;
- включение и отключение трансформатора производится относительно редко (например, не более нескольких раз в месяц);
- не требуется дистанционное управление или телеуправление подстанцией.
Когда требуется отключение тока нагрузки со стороны ВН, вместо разъединителя применяют выключатель нагрузки (рисунок 11г,д). В случае частых (например, ежедневных) коммутаций в цепи трансформатора, а также при необходимости применения сложных защит со стороны ВН трансформатора предусматривают выключатель ВН (рисунок 11,е).
Схемы, изображенные на рисунке 11(а – г) и содержащие относительно простые по конструкции аппараты и узлы, не требуют применения отдельных помещений или отсеков для размещения аппаратуры ВН (то есть РУ ВН). В случае применения выключателя ВН (рисунок 11,е) в составе подстанции, особенно при питании от кабельной магистральной линии (рисунок 11,б), используют простейшие РУ ВН.
Вводное устройство высокого напряжения представляет собой металлический шкаф, укрепленный на базе силового трансформатора (ВВ-1) или стоящий рядом с трансформатором (ВВ-2), в котором монтируется выключатель нагрузки или разъединитель с предохранителем и т.п. (см. схемы заполнения /15/).

а) питание от шинопровода ВН; б) питание от кабельных линий;
в) применение разъединителя и плавкого предохранителя в цепи трансформатора;
г) применение выключателя нагрузки; е) применение выключателя ВН.
Рисунок 11 - Схемы питания цеховых ТП от магистральных линий
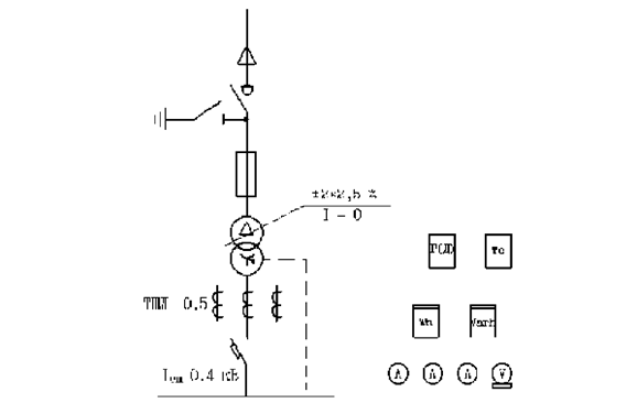
1.6 Выбор контрольно - измерительных приборов и приборов защиты
Виды защитных устройств на трансформаторе будут зависеть от типа, мощности и способа подключения его к сети.
При глухом подключении трансформатора устройства защиты от повреждений трансформатора будут установлены у источника питания, т.е. в голове радиальной или магистральной питающей линии.
Непосредственно на трансформаторе в этом случае от внутренних повреждений предусматривается газовая защита или реле давления с действием на сигнал или на отключение выключателя головного участка по контрольному кабелю при небольших расстояниях до последнего.
Для контроля за температурой верхних слоев трансформаторного масла предусматривается термосигнализатор контактный типа ТС-100, КТ-1 и др.
Для контроля за уровнем масла в баке трансформатора предусматривается маслоуказатель.
Для контроля за герметичностью трансформаторов без расширителей (ТМЗ, ТМФ, и другие) предусматриваются электроконтактные мановакуумметры.
Для контроля за нагрузкой трансформатора с низкой стороны предусматриваются амперметры, включаемые во все три фазы, или один амперметр со специальным переключателем, обеспечивающим замер тока в любой из фаз и нуле.
Для контроля за уровнем напряжения на шинах с низкой стороны трансформатора устанавливают, как правило, один вольтметр с переключателем, позволяющий замерить любое из фазных и линейных напряжений.
Для низковольтной сети (как правило 660 В), работающей с изолированной нейтралью, кроме вольтметра с переключателем для замера
линейных напряжений, могут предусматриваться три вольтметра,
включаемые на фазные напряжения, которые будут выполнять функцию контроля изоляции.
Для учета активной и реактивной энергии на вводе НН трансформатора предусматривают по одному трехфазному активному и реактивному счетчику.
Все перечисленные контрольно-измерительные приборы и приборы учета монтируются в отсеке приборов шкафа ввода низкого напряжения.
При подключении трансформаторов цеховых подстанций через разъединители с предохранителями, или выключатели нагрузки с предохранителями, все повреждения в трансформаторах будут локализоваться последними, а защита на головном участке будет выполнять функции резервной защиты по отношению к ним.
|
|
|
Коммутирующие (разъединитель, выключатель нагрузки) и защитные устройства (предохранители) трансформаторов устанавливаются во вводных устройствах высокого напряжения.
Для обеспечения бесперебойности электроснабжения потребителей I и наиболее ответственных II категории на двухтрансформаторных подстанциях должен предусматриваться автоматический ввод резерва (АВР) на секционном выключателе (автомате).
Вся вспомогательная аппаратура АВР (РВ - реле времени; РН - реле напряжений) монтируется в отсеке приборов секционного шкафа низкого напряжения при комплектной ТП.
Принципиальная схема подстанции и приборы КИП и автоматики показаны на рисунке 12

Рисунок 12 - Принципиальная однолинейная схема цеховой ТП
Список использованных источников
1. Правила устройства электроустановок. Минэнерго СССР - 7-е изд. перераб. и доп. М.:Энергоатомиздат,1998. – 648 с.
2. Нормы технологического проектирования электроснабжения промышленных предприятий. М.:ВНИПИ Тяжпромэлектропроект,1994. – 67 с.
3. Федоров А.А., Старкова Л.Е. Ученое пособие для курсового и дипломного проектирования. М.: Энергоатомиздат, 1987. - 358с.
4. Ристхейн Э.М. Электроснабжение промышленных установок. М.: Энергоатомиздат, 1991. - 424с.
5. Кудрин Е.И., Электроснабжение промышленных предприятий. М:. Энергоатомиздат, 1995. - 416с.
6. СниП II – 4 – 79 Естественное и искусственное освещение. Нормы проектирования. М.: Стройиздат, 1980. - 45с.
7. Справочная книга для проектирования электрического освещения. Под ред. Кнорринга Г.М. Л.: Энергия, 1992. – 356 с.
8. Электротехнический справочник т. 3, кн. 1, 2 под ред. Орлова Н.Н. М:. Энергия, 1988. – 420 с.
9. Епанешников М.М. Электрическое освещение. М:. Энергия, 1973. - 352с.
10. Справочник по проектированию электроснабжения/Под ред. Ю.Г.Барыбина, Л.Е.Федорова и др.М.:Энергоатомиздат, 1990. – 685 с.
11. Указания по расчету электрических нагрузок. РТМ 36.18.32.4-92. М.: ВНИПИ Тяжпромэлектропроект, 1992. – 28 с.
|
|
|
12. Указания по проектированию установок компенсации реактивной мощности в электрических сетях общего назначения промышленных предприятий. РТМ36.18.32.6-92. М.: ВНИПИ Тяжпромэлектропроект, 1992. – 22 с.






