1.2.
1.1.
Управление и системы управления
Москва 2002
По дисциплине
Лекции
Кафедра АСУ
Министерство образования Российской Федерации
Московский государственный горный университет
проф., д.т.н. Потресов Д.К.
«Теоретические основы автоматизированного управления»
Раздел 1.1. Методы управления
Раздел 1.2. Большие и сложные СУ
Раздел 1.3. СУ общественно полезной деятельностью
Раздел 1.4. Автоматические и автоматизированные СУ
![]() |
УПРАВЛЕНИЕ - воздействие на объект или процесс для достижения определённой цели.
объекты управления - вода, бензин в баке, обработка профиля на станке.
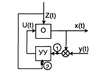
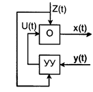
U(t) – управляющее воздействие;
x(t) – выходная величина;
y(t) – заданное значение.
Существуют вполне определённые методы управления:
а) Метод управления по программе б) Метод управления по обратной связи

Задача управления по обратной связи заключается в том, чтобы ошибка

Иногда такой метод управления называют управлением по отрицательной обратной связи.
Преимущество метода — нет необходимости знать значение Z(t) в опр. пределах.
Недостаток — в общем случае, всегда будет ошибка управления
x(t)
в) Метод управления по возмущению
В методе управления по возмущению осуществляется измерение Z(t), а УУ посылает сигнал объекту.
В УУ имеется математическая модель объекта, которая позволяет сформировать нужный сигнал на объекте.
Преимущество — нет ошибки
x(t) теоретически.
Недостатки — любая математическая модель имеет несоответствие реальности.
г) Метод управления по двум каналам
синтез методов б) и в)
В этом методе удаётся сформировать негативное влияние возмущения и одновременно устранить накапливаемую ошибку, вследствие неадекватности
.
Под Системой Управления понимается взаимодействие объекта и УУ как единого целого.
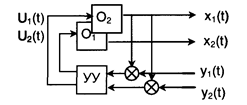
Когда на Объект оказывается воздействие по одному каналу, и выход объекта - тоже 1 величина, то такие системы называются несложными.
В несложных моделях управления математическая модель Объекта относится к одному классу физических, экономических и других процессов.
![]() |
Будем различать:
Многоканальные СУ
Сложные СУ








