В несложных и многоканальных СУ нет взаимовлияния одних математических моделей на другие. Характерным примером несложной системы управления являются радиопередатчики, компьютер.
Основные характеристики сложных систем:
1) Свойства частей системы определяют свойства системы в целом
2) Иерархическая организация. В таких системах управления существует чёткая подчинённость нижних верхним.
3) Осуществимость. Недостаточно иметь алгоритм реализации управления, необходимо, чтобы этот алгоритм был реализован и реализован в ограниченное время.
4) Многомерность. Сложные системы обычно описываются моделями различной естественной природы. Эти модели работают совместно.
5) Несовместность. В сложных СУ детальные модели, исходя из интересов системы в целом, менее информативны, чем более крупные модели.
6) Контр-интуитивное поведение. В несложных системах на основе априорной исторической информации можно предсказать поведение системы. В сложных системах на основе априорной информации предсказание поведения - невозможно.
|
|
|
Большой масштаб системы - это ещё не есть сложная система, т.к. в первой нет взаимосвязей моделей.
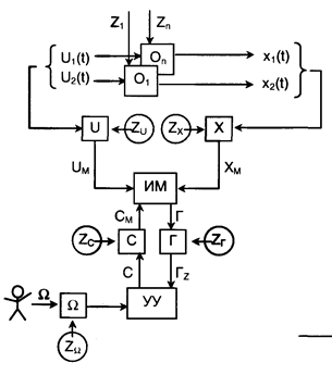
Структурная схема сложной модели.

- модель основного производства
- организация труда
.
.
.
- социальная модель
С формальной точки зрения, принципиальное отличие сложной системы от несложной заключается в том, что первые работают в условиях большой неопределённости,
значение которой не всегда можно
определить. В таких системах неопределенности можно снять с помощью лиц со знанием и опытом.






