Общие сведения.
Кирпича.
Технология и организация производства силикатного
Кирпича.
Технология и организация производства керамического
Общие сведения.
ЛЕКЦИЯ №5
ТЕМА: Предприятия по производству кирпича
В О П Р О С Ы:
Ценные свойства каменных материалов – долговечность, прочность, несгораемость, а также широкое распространение в природе естественных каменных материалов и сырья для изготовления искусственных каменных материалов – с давних времен способствовали широкому применению их в строительстве.
В настоящее время более 50% всех строящихся в нашей стране зданий возводят со стенами из кирпича различного размера, конструкции и технологии изготовления.
Камень, применяемый в каменных конструкциях, представляет собой штучный строительный материал, который в зависимости от типа исходного сырья и технологии изготовления подразделяются на кирпич керамический и силикатный.
кирпича.
Несмотря на широкий ассортимент керамических изделий, разнообразие их форм, физико-механических свойств и видов исходных материалов основные этапы изготовление таких изделий общие. Технологический процесс этого способа состоит из следующих операций.
1.Добыча исходного сырья. 2.Подготовка сырья. 3.Формование изделий. 4.Сушка кирпича. 5.Отжиг кирпича. 6.Складирование.
Сырье (глину) добывают на карьерах открытым способом - экскаваторами. От карьера до завода сырье перевозят автосамосвалами, вагонетками, или конвейерами. Заводы керамических изделий обычно строят вблизи места добычи сырья, причем карьер является неотъемлемой частью завода.
При подготовке сырья, прежде всего, разрушают естественную структуру глины, в нее вносят добавки, увлажняют к нужной формовочной влажности и образования удобной для формования глиняной массы.
Переработку сырьевой массы и формование изделий в зависимости от свойств исходного сырья и вида изготавливаемых изделий выполняют пластическим, полусухим или мокрым способами. Мы рассмотрим пластический способ.

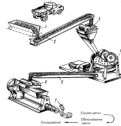
Рис.15 Технологическая схема производства керамического кирпича
пластическим способом.
1.Автосамосвал. 2.Ящиковый питатель. 3.Конвейер. 4.Дезинтегральные вальцы. 5.Мельница (бегуны). 6.Глиносмеситель. 7.Ленточный пресс. 8.Автоматические ножницы. 9.Тележка с кирпичом-сырцом. 10.Печь для сушки кирпича. 11.Печь для обжигания кирпича. 12.Тележка с готовым кирпичом.
- Разгрузка сырья из автосамосвалов в ящиковый питатель и подача ее ленточным конвейером на дезинтегральные вальцы 4.
- Измельчение глины на вальцах грубого помолу 4, отделение каменных примесей, а потом тонкий помол на бегунах (мельнице) 5.
- После дробления глину подают в глиносмеситель, где она перемешивается с добавками до однородной пластической массы и увлажняется до влажности 20...25%. Это все осуществляется на глиносмесителе 6.
- Глиняный брус, который выходит из-под ленточного пресса 10, разрезают автоматическим резальным аппаратом 7, на изделия заданного размера.
- После этого сырец тележкой подают в сушильную камеру 8, где удаляется лишняя влага, а потом в камеру обжига 9, где сырец спекается и переходит в камневидное состояние.
Пластическим способом изготавливают обычный и пустотный кирпич






