1. Название темы: Резистивные преобразователи. Параметрические.
2. Условное деление: - преобразователи с большой степенью изменения R;
- преобразователи с малой степенью изменения R;
3. Реостатные, потенциометрические(проволочные и непроволочные)
- конструкция и основные элементы
- разрешающая способность и шум; (электронный, молекулярный, контактный (вариация давления), контактная ЭДС, Термо ЭДС, вибрационный.
- чувствительность и линейность (нелинейность)
анометр. выражение и график
Параметры:
Каркас: керамика,аксидоров.алюминий, полистирол ЭД6 …
Требования: P,R – const; Vвых, Rизол
Термо ЭДС – min
Постоянство d=d(l)=const;
2
Провод: Волочение, восстановление при отжиге. Эмаль, оксидирование.
Медно-никелевый константан, Никель хромистые, Никель-хром, железо-нихром;
Ag-колодиевый.
Контактная дорожка.
Щетка.
Преобразуют измеряемые параметры (перемещение, деформация, температура, скорость потока
и т.п.) в изменения, приращение активного сопротивления
. Все они требуют затрат электрической энергии, обеспечивающей преобразование механических величин в электрический сигнал.
Существует много вариантов таких преобразователей, работающих на одинаковом принципе, но значительно различающиеся по конструкции.

a) контактный проволочный резистивные преобразователь R=R(x);

б) бесконтактный проволочный ненаклеенный
;

в) бесконтактный проволочный наклеенный
;

г) нить термоанемометра
;

д) термосопротивление
;

е) угольный столб R=R(p);

ж) полупроводниковые
Условное деление
К преобразователям с большой степенью изменения R: (а)
Реостатные, потенциометрические(проволочные и пленочные), датчики перемещения и угла.
Основные характеристики: разрешающая способность, шум.
Достоинства: Простота, возможность работы на постоянном (Uо=const) и переменном токе (
). Высокая удельная мощность выходного сигнала и возможность без предварительного усиления и согласования “работать” на реальную нагрузку.
Недостатки: Наличие механического контакта между частями (трение; возможный “дребезг”; разрыв контакта; износ, т.е. ограниченный ресурс; нестабильность переходного R и т.п.)
Разрешающая способность и шум.
1- щетка, медхолапка
2- сочетание витков

- разрешающая способность в случае, когда щетка не может одновременно касаться 2-х витков. При переключении сразу переходит с витка на виток.
В действительности щетка в процессе движения обязательно закорачивает смежные витки. Поэтому замыкания 2-х первых и 2-х последних не дает изменения выходного напряжения. Общее число “ступенек” будет (2-W-2) импульсов разрешения.
Амплитуда
- меньшего импульса при закорачивании x витка с (х+1): 
Амплитуда
-меньшего импульса: 

Это рассмотрение идеализирует процесс, т.к. предполагает определенную геометрию щетки, способной перестроить не более 2-х витков. Малый радиус щетки в сочетании с относительно мягкими сплавами способствует быстрому развитию уплощений и м.повредить дорожку на обмотке.
Чрезмерно большой радиус щетки при самом небольшом износе может закоротить три и более витков, что понижает точность.
Рекомендуют десятикратное отношение радиуса щетки к радиусу провода.
Шум – любой постоянный резистор является генератором шума за счет случайных движений электронов и теплового движения молекул. Частотный спектр – равномерный, амплитуда зависит от R и
- это так называемый шум Джонсона и обычно мал.
В переменных резисторах генерируется дополнительный шум при движении щетки дорожке. Контактный шум – из-за вариации контактного давления – это самая сложная и существенная составляющая, имеет тенденцию к росту во времени из-за износа, загрязнения и окисления.
Генерирование малых напряжений от трения между разнородными металлами щетки и дорожки. Его можно уменьшить до 300 мкВ соответствующим подбором материала.
Термо ЭДС при работе на постоянном токе при высокой
.
Вибрационный или скоростной шум, вызванный вибрацией щеток можно достигать
при временном разрыве контакта. Его надо устранять любыми способами. Для каждого сочетания конструкций щетки и дорожки существует рациональная скорость движения, которую нельзя превышать.(контактное давление, многощеточные узлы)
Чувствительность линейность.

- определяется рассеиваемой мощностью и допустимым перегревом обмотки. Зависит от сечения и R провода, условий охлаждения, тепловых характеристик каркаса и его размеров и формы. Так как конструктивные особенности м.д. самые разные и трудно их проигнорировать, необходимо следить за таким обобщенным показателем, как плотность тока. 
Для которых в, рад. на воздухе
при каркасе из анодированного алюминия. Для каркасов из изоляционного материала
. Для которого д. угла в жидкостной среде 
Собственная линейность ненагруженного потенциала определяется числом витков
. Для уменьшения нелинейности необходимо увеличить W, но при этом необходимо уменьшить
. Это приводит к увеличению числа закорачиваемых витков при смещении щетки.
Т.е. с уменьшением
улучшается разрешающая способность, но с точки зрения линейности с какого-то момента времени улучшение не происходит.

Схемная нелинейность:

,
где 
крутизна
; Нелинейность
Если, например, необходимо чтобы
, то 
Дополнительно для линеаризации можно обеспечить профилирование каркаса: включить
, щетка которого определенным образом связана с основной щеткой.
Мощность в нагрузке:



- допустимая мощность определяется рядом факторов: - сечения и R провода потенциометра, условий охлаждения, материала и теплопроводных свойств каркаса - т.е. конструктивными особенностями и свойствами окружающей среды. Обобщенной характеристикой является плотность тока
.
- для алюминиевого каркаса и воздушной среды;
- для жидкостной среды.
Видно, чтобы необходимо
К преобразователям с малой степенью изменения R: (б,в,г,д,е,ж)
Основные характеристики: чувствительность.
Тензорезистивные преобразователи, которые в общем случае могут быть с жидкостным рабочим телом, с металлическим или полупроводниковым ЧЭ.
Конструкция.
Каркас: круглого или прямоугольного поперечного сечения.
Требования:
1.Постоянство электрических параметров:
; контактного усилия; контактного сопротивления в процессе работы; и при наличии ускорений; R при t=var;
;
при повышенной
, в присутствии пыли и влажности; малость потенциалов от ТермоЭДС.
2.Постоянство механических параметров:
- диаметра провода и шага намотки во времени и при изменении
;
- диаметра и формы каркаса во времени и при изменении
;
- постоянство и точность взаимного расположения каркаса и щетки;
- геометрических размеров преобразователя в эксплуатационных условиях (ускорения, давления)
Провод: реостатная проволока для точных преобразований подвергается волочению, отжигу в восстановительной атмосфере, чтобы избежать поверхностного окисления:
; 
Защита – эмаль, оксидирование, которые должны быть прочные и эластичные, чтобы выдерживать намотку по граням с малым радиусом.
Должно легко паяться; омеднение и серебрение концов.
1. Медно-никелевые сплавы (константан, феррит, адванс…) - имеют низкий
; высокая прочность, но ТермоЭДС высока;
2. Никель-хромистые сплавы (нихром V) – высокая
; довольно низкий
; R сильно зависит состояния отжига; изготавливают с тонкой оксидной пленкой; высокая прочность и предельные 
3. Никель-хром-железо (нихром) - дешевле 2., но являются ферромагнитными; имеют более высокие
;
4. Серебряно-палладиевые – имеют более высокую коррозионную стойкость, меньшее контактное R
Виток - к витку или с шагом
Контактная дорожка – механической обработкой.
Каркас: Керамические, анодированный алюминий (допускают высокую плотность тока), феноловые смолы, эпоксидные смолы. Требуется очень чистая обработка поверхности.
Щетки:




контактное давление 
Достоинства:
1.Возможность обеспечения линейности
в большом диапазоне смещений (полный или несколько оборотов);
2.Работа на постоянном и переменном токе;
3.Высокая крутизна, возможность работы без усилителя;
4.Возможность построения функциональных Д.У.;
5.Малый вес, габариты;
6,Малая возмущаемость электромагнитными полями.
Недостатки:
1.Наличие трения;
2.Дискретность, зона нечувствительности;
3.Износ (маленький срок службы);
4.Шумы.
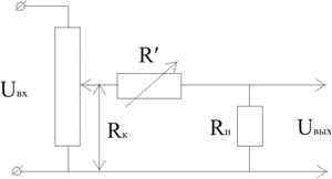
Схемы включения (линейных и угловых)


а) недифф.


б) знакочувстительное включение.

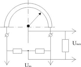
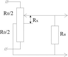
в) с искусств. ср. точкой


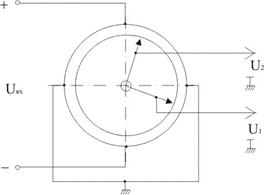
г) мостовая схема с 4-мя переменными плечами.


д)



а) б)




; 
При
=> 
Тензорезисторы
Изменение активного сопротивления проводников при их механической деформации.
- коэффициент относительной тензочувствительности.





1. Для жидких сред: 

2. Для металлов: т.к.
- квадрат поперечного размера, 
а
, то 

, т.е. 
3. Для проводников:



, т.е. 






