(1)
- емкость плоского конденсатора с “бесконечной” протяженностью пластин.
- диэлектрическая проницаемость вакуума;
- относительная диэлектрическая проницаемость среды.
(2)
(3)
Это емкостной преобразователь, основанный на фиксировании тока разряд-заряд емкости.
На основании (1),(2) и (3)
(4)
(4) – раскрывает возможные способы воздействия на С.
В этом варианте датчика 
Некоторые варианты построения емкостных преобразователей и соотношения:
| | Емкость плоского конденсатора полностью заполненного диэлектриком |
| | Конденсатор со слоистым диэлектриком 1,2,3 – индексы слоев с различными и h |
| ![]() ; | Конденсатор из n последовательно соединенных слоев, имеющий емкость меньшую, чем емкость одиночного конденсатора. |
| _ _ | l – длина цилиндра Если |
| ; | |
| | Гибкая мембрана |
| | Мембрана-пластина толщиной t |
Способы воздействия на емкость




а) – изменением S; б) – изменением h; в) – изменением
.
Понятия: линейность функции преобразования и крутизна характеристики.
|
|
|





- проанализировать при 
- крутизна зависимости;
- в общем виде.
Эквивалентная схема
- Как чистую емкость преобразователь может быть представлен лишь на низких частотах;
- Все ранее приведенные формулы взяты без учета “краевых” эффектов;
- Эквивалентные схемы на низких и высоких частотах различны. Здесь представлена схема на низких частотах, где
- сопротивление утечки по постоянному току. Им можно пренебречь можно на низких частотах;
- Диэлектрические потери в изолирующих элементах содержат составляющую проводимости
и возрастают с ростом частоты. Тангенс угла потерь -
;
-
- сопротивление токоподводов, обмоток; с ростом частоты они растут, т.к. возникает поверхностный эффект;
- L – полная индуктивность токоподводов.
Большинство емкостных преобразователей можно представить как чистую емкость С. Расчет “геометрической емкости целого ряда конфигураций, часто ведут без учета краевых эффектов в соответствии с формулами таблицы 1. Поведение конденсаторов на низких и высоких частотах различно. При низких частотах эквивалентная схема представлена на рисунке.
- характеризует потери из-за утечки по постоянному току. Ей можно пренебречь даже при низких частотах.
.
Чувствительность и линейность.
(1) 
(2)
, 

(3) 
(4)
, где 
Если
, то это будет конденсатор воздушный, без диэлектрика.
Варианты включения емкостного датчика:
1. В цепь с источником постоянного напряжения:

;


;
;
Если
, то
; 
Если
, то 
; 
При большой постоянной времени
,
в фазе с изменением С.
Но большая T может быть обеспечено при повышении
, но это ведет к снижению чувствительности. Поэтому нужно повышать R до тех пор пока оно не достигнет величины сопротивления потерь в кабале. (
- несколько герц)
|
|
|
Пусть
=> 
; 
производная по времени от входного сигнала, умноженная на постоянную времени
.
Стабильность преобразования зависит от стабильности R, которая обусловлено изменением нестабильных сопротивлений потерь и утечек в цепи.
2. Включение емкостного датчика в цепь колебательного контура с источником переменного напряжения:

;
; 
Пусть
и 

Тогда 

При резонансе
; 
тогда вблизи резонанса: 
;
;
тогда 
Если 
;
;
;
;

;
;

3. Мостовые цепи переменного тока:


в частном случае 
9 Измерительные цепи
Начальные емкости большинства емкостных преобразователей не превосходят 10…100 пФ, а их изменения
составляют в относительном исчислении
, т.е.
пФ.
Поэтому даже на высоких частотах напряжение питания (
) их выходные сопротивления велики и равны:

Выходные мощности сигналов малы, и в измерительных цепях необходимо применение усилителей.
Основные трудности:
1) защита от наводок.
Поэтому как сами преобразователи, так и соединительные линии тщательно экранируются. Однако сам экранированный провод имеет емкость
между жилой и экраном (
), которая при неудачном выборе точки присоединения экрана может оказаться включенной параллельно емкости
преобразователя. При этом падает чувствительность, т.к. уменьшается относительное изменение емкости на величину:

и появляется значительная погрешность из-за нестабильности 
2)обеспечение линейность характеристики.
Измерительные цепи включают: делители напряжения, измерительные мосты, емкостно-диодные цепи, резонансные контуры. Часто в состав измерительных цепей включают операционные усилители (ОУ).
В этой схеме включения
;
Если 
то 
Если 
то 
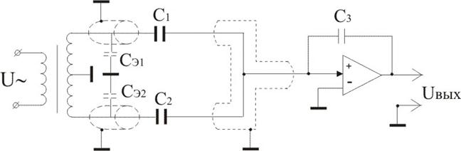
Схема 1.
В этой схеме влияния емкости экранированных проводов
можно пренебречь, т.к.
включены параллельно источнику
и выходу ОУ, имеющим низкие входные сопротивления.
- подключена параллельно входу ОУ и напряжение на ней близко к нулю.
Дифференциальные емкостные преобразователи включаются преимущественно в мостовые измерительные цепи.
параллельны обмоткам и потому не влияют. Двойной экран – схема эквипотенциальной защиты. Наружный экран – Земля. Внутренний экран – к выходу повторителя напряжения. Ток с центральной жилы на внутренний экран отсутствует, т.к. равны напряжения между точками ‘а’ и ‘б’ относительно Земли.


Схема 2.
Ток эквивалентен внутренним и внешним экраном равен 0, т.к. эти точки нагружают низкоомный выход повторителя напряжения.
Необходимость в двух экранах отпадает при подсоединении выхода моста к инвертирующему входу ОУ, т.к. потенциал на этом входе стремится к 0, то ток между проводом, подсоединенный к этому входу, и окружающим ею экраном стремится к 0.
Тогда 

Схема 3.
Схемы 1),2),3) пригодны тогда, когда пластины датчиков изолированы от корпуса. Если этого сделать нельзя и одна из пластин сидит на “Земле”(не в корпусе), то тогда провода ‘а’ и ‘б’ можно не экранировать

Емкостно-диодная измерительная цепь.
В каждом периоде
каждый из
подсоединен последовательно, то с
токи
.
Поэтому на
появится постоянное напряжение, являющее выходным.


Измерительные цепи с резонансными контурами.

,
где 
Цепь питается от источника стаб. частоты
. При изменении С сопротивление контура меняется по резонансной кривой при
,
и
. На склонах резонансной кривой может быть выбран участок, близкий к линейному. Если
или 

Пренебрегая
по сравнению с
и
, и полагая,
что
,
,
, 
Напряжения на контуре определим из:

и h

;
_
_
;






