Метод спрямленных характеристик. Основные допущения
Рассмотрим теперь метод, который позволяет найти в произвольный момент переходного процесса не только ток в месте КЗ, но и распределение этого тока в схеме, что часто необходимо при решении вопросов релейной защиты и автоматики энергосистем [17].

Рис. 7.11
Когда генератор представлен своими
(рис. 7.11), величины которых не зависят от изменения внешних условий, сверхпереходный ток трехфазного КЗ определяется как
. (7.21)
Если время принять, что
, тогда ток установившегося КЗ (для генератора без АРВ) находится как
, (7.22)
а для генератора с АРВ 
. (7.23)
Желательно иметь формулу определения тока трехфазного КЗ в произвольный момент времени подобного вида:
. (7.24)
Строго говоря, это сделать нельзя, так как ЭДС и сопротивление генератора зависят не только от времени, но и от внешних условий. Однако спрямляя характеристики генератора, это было сделано [9].
Недостаток метода заключается в том, что для каждого момента времени составляется новая схема, а также в низкой точности. Таким образом, это аналитический метод.
|
|
|
Кривые метода выглядят следующим образом (рис. 7.12).
Алгоритм применения метода спрямленных характеристик следующий:
1. Составляется расчетная схема замещения для интересующего момента времени, в которую генераторы без АРВ вводятся своими
и
. Нагрузка вводится в точке ее присоединения величиной реактивности
. Для генератора с АРВ оценивается режим следующим образом:
− если
, то, следовательно, имеет место режим номинального напряжения
;
− если
, то генератор работает в режиме подъема возбуждения и
и
находятся по кривым метода в зависимости от типа генератора.
При оценке режима
.
Для сложных схем режим оценивается приближенно.
2. Методом эквивалентных преобразований либо другим и известным методом производится расчет схемы и находится ток
. При этом:
− если
, то имеет место режим номинального напряжения при
;
− если
, то генератор работает в режиме подъема возбуждения при
. Здесь
.

Рис. 7.12. Кривые спрямленных характеристик
для типового турбогенератора
Если расчетный режим не совпадает с заданным, то расчет производится заново.
Для генераторов с известными параметрами удобнее использовать вспомогательные кривые метода для
и
и находить
и
с учетом выражений:
;
, (7.25)
где
и
– коэффициенты, определяемые кривыми метода спрямленных характеристик, для генераторов имеющих нетиповые параметры;
– предельное (потолочное) значение синхронной ЭДС;
– синхронное сопротивление генератора.
Пример 7.2. Определить периодическую составляющую тока короткого замыкания для
с использованием метода спрямленных характеристик для электрической системы (рис. 7.8).
|
|
|
Относительный ток возбуждения предшествующего режима равен относительной ЭДС 
Ток предшествующего режима в относительных единицах
.
По кривым для времени
при
определяются 
Сначала оценивается режим. Для этого находится критическое сопротивление при 
.
Так как
, то генератор работает в режиме подъема возбуждения.
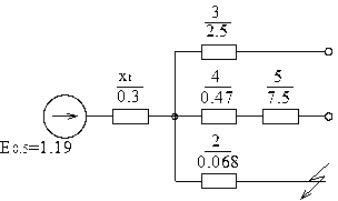
Составляется расчетная схема замещения (рис. 7.13).

Рис. 7.13. Схема замещения
Параметры схемы замещения:
;
;
;
.
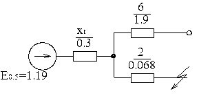
Произведем эквивалентные преобразования схемы (рис. 7.13) относительно точки КЗ.

Рис. 7.14
Здесь сопротивление
находится как
. Далее (рис. 7.15):

Рис. 7.15
;
.
Периодическая составляющая тока КЗ в относительных и именованных единицах
;
. (7.26)
Для генератора с известными параметрами определим
и
для времени
с по формулам (7.25).

При
;
и найденным по кривым
и 

;

.
В этом случае расчет начального значения тока для времени
c совпадает с расчетом, полученным по методу типовых кривых, так как
.
Расчет периодической составляющей тока КЗ для момента времени
с.
Здесь:
;
.
Периодическая составляющая тока КЗ в относительных и именованных единицах
;
. (7.27)






