Эксплуатация РД показала, что при определенных условиях они работают неустойчиво. Иногда неустойчивость РД (автоколебания в подвижной системе) приводят к разрушению регулятора (разрушение мембран, сильфонов, сварки, наклеп седла клапана).
Для определенности нашего анализа возмем РД прямого действия. Исходная схема для анализа приводится ниже.
Схема состоит из РД и потребителя, в данном случае анализа это эквивалентный дроссель. Между РД и потребитиелем находится емкость V о, которая определяется объемом соединительного канала (трубопроводом, коллектором) между РД и потребителем.
Будем считать, что газ через оба дросселя протекает в сверхкритическом режиме при постоянных коэффициентах расхода. Параметры газа в полости сосредоточенные и температура газа в полости постоянная. Трение в подвижной системе не будем учитывать.
Уравнение равновесия сил, приложенных к подвижной системе РД

уравнение расхода сжатого газа через РД

уравнение расхода сжатого газа через потребитель
|
|
|

уравнение изменения давления в полости V о (получено из дифференцирования уравнения состояния m = pV/RT при допущении V = const, T = const)

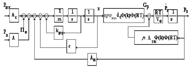
Поскольку рассматривается линейная система, то для анализа можно применить аппарат линейной теории автоматического регулирования. Если к приведенной системе уравнений применить преобразование Лапласа при нулевых начальных условиях, то на основании операторных уравнений можно составить структурную схему рассматриваемой пневматической системы, которая приводится ниже.

После преобразований схему можно представить в компактной форме

Первый внутренний контур связывает усилие, приложенное к подвижной системе с ее перемещением. Второй контур связыывает расход с давлением перед потребителем.
Параметры свернуой структурной схемы определяются на основании исходной модели



Поскольку рассматривается линеаризованная структурная схема то коэффициент k 2 необходимо определять в точке анализа устойчивочти.
Постоянная времени апериодического звена зависит от объема соединительной магистрали, например при длинне трубопровода 1 метр, внутреннем диаметре 6 мм и площади проходного сечения А эк = 1 мм2 постоянна времени будет Т п = 0,2 сек.
Рассматриваемый контур имеет третий порядок и его устойчивость зависит от соотношения постоянных времени и коэффициентов передачи элементов.
Передаточная функция разомкнутой системы с единичной обратной свяэъю будет

Для анализа устойчивости обратимся к методу Гурвица, для чего составим характеристическое уравнение системы Wp(s) +1 = 0

откуда получаем

и далее
,
или в компактной форме
|
|
|

Необходимым и достаточным условием устойчивости системы является

В нашем случае первое условие выполняется - все коэффициенты положителны. Второе условие дает следующее соотношение для параметров структурной схемы

В случае р =1 и Т р = Т п после подстановки получим

откуда видно, что при больших значениях А п(которые нужны для увеличения точности) и больших входных давлениях обеспечить устойчивость РД можно только при больших значениях жесткости пружины.
| Адольф Гурвиц (нем. Adolf Hurwitz), 26 марта 1859, Хильдесхайм — 18 ноября 1919, Цюрих) — немецкий математик. |
|
Адольф Гурвиц родился в еврейской семье. Его отец, Соломон Гурвиц, работал в машиностроительной отрасли; мать Эльза умерла, когда Адольфу было всего три года.
В гимназии, куда он поступил в 1868 году, ему преподавал математику Герман Шуберт. Заметив и оценив талант в юном Адольфе, Шуберт убедил его отца помочь сыну с получением дальнейшего образования в университете.
Гурвиц поступил в университет Мюнхена в 1877 году. В течение первого года обучения он посещал лекции Феликса Клейна. Через год он переезжает в Берлин, где в местном университете посещает лекции Куммера, Кронекера, Вейерштрасса. Заканчивает обучение в Лейпциге (1880).
Преподавательскую карьеру начал в Кёнигсбергском университете, где в 1884 году стал профессором. В этом же году женился на Иде Самуэль, у них было трое детей.
С 1892 года профессор Политехнической школы в Цюрихе. Среди его студентов в Цюрихе были Давид Гильберт и Альберт Эйнштейн.
Основные труды — по математическому анализу, теории функций, алгебре и теории чисел. Гурвиц написал классическую двухтомную монографию по теории аналитических и эллиптических функций (нем. Vorlesungen über allgemeine Funktionentheorie und Elliptischen Funktionen, Берлин, 1922). Одним из первых глубоко исследовал римановы многообразия и их приложения к теории алгебраических кривых. Решил изопериметрическую проблему.
Критерий устойчивости Рауса-Гурвица — один из способов анализа линейной стационарной динамической системы на устойчивость. Наряду с критерием Рауса является представителем семейства алгебраических критериев устойчивости, в отличие от частотных критериев, таких как критерий устойчивости Найквиста. Достоинством метода является принципиальная простота, недостатком - необходимость выполнения операции вычисления определителя, которая связана с определенными вычислительными тонкостями (например, для больших матриц может оказаться значительной вычислительная ошибка).






