Двухтактные выходные каскады
Лекция №10
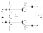
Двухтактными называют каскады, содержащие два усилительных элемента, работающих в противофазе на общую нагрузку, рис.10.1.

Рис.10.1. Резисторный двухтактный усилитель.
Резисторные двухтактные каскады представляют собой как бы два одинаковых однотактных каскада, которые называются плечами и работают в противофазе. Плечи двухтактного усилителя объединены общим проводом и источником питания. В отличие от однотактных усилителей двухтактные усилители имеют симметричный вход, т.е. на вход двухтактного усилителя подается симметричный усиливаемый сигнал (двухфазное напряжение, сдвинутое по фазе на 180o и имеющее равные амплитуды). Следовательно, между однотактным предварительным усилителем и двухтактным выходным каскадом должно быть предусмотрено устройство, преобразующее несимметричное однофазное напряжение в симметричное. Схемы такого назначения называют фазоинверсными.
Так как плечи двухтактной схемы работают в противофазе, то в режиме А одинаковые по величине и противоположные по направлению токи сигнала в общем проводе эмиттеров компенсируются. Поэтому Rэ не нуждается в шунтировании конденсатором Сэ .






