При использовании двухтактной схемы усилительного каскада на управляющие электроды необходимо подавать равные по величине и противофазные напряжения сигнала. Это создает некоторые затруднения, так как предшествующий однотактный каскад дает однофазное напряжение. Простейшим устройством, преобразующим несимметричные сигналы в симметричный, является трансформатор с отводом от средней точки вторичной обмотки. Однако трансформаторы имеют большие габориты вес и дополнительные нелинейные искажения. Это приводит к необходимости заменять трансформаторы специальными схемами усилителей на сопротивлениях, которые дают на выходе равные и противофазные напряжения. Такие схемы назваются фазоинверсными.
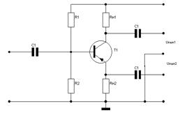
Наиболее широко применяется фазоинверсная схема с разделенной нагрузкой, рис.10.8.

Рис.10.8. Фазоинверсная схема с разделенной нагрузкой.
В этих схемах
выходные напряжения получаются равными по величине и противофазными относительно общей точки. Приведенные фазоинверсные схемы просты, но имеют малый коэффициент усиления и асимметрию плеч за счет отрицательной обратной связи.
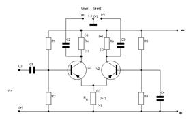
Наилучшие показатели имеют фазоинверсные схемы с эмиттерной связью.
В инверсном каскаде с эмиттерной связью(рис.10.9) используются два усилительных элемента. Входное напряжение
поступает на базу транзистора V1, включенного с общим эмиттером. Отрицательная полярность приоткрывает V1. Переменная составляющая тока iвыхv1 протекая через Rэ и Rн’ создает на них падения напряжений Uвхv2 и Uвых1 с указанными полярностями. На транзистор V2, включенный с общей базой (так как его база соединена с общим проводом блокировочным конденсатором
), подается сигнал противоположной полярности с резистора эмиттерной связи
. Транзистор V2 призакрывается, это означает, что переменная составляющие тока iвыхv2 протекает в противоположном направлении. При этом на Rн” происходит падение напряжения с указанной полярностью (рис.10.9).

Рис.10.9. Фазоинверсная схема с эмиттерной связью.
Частотная и переходная характеристики каскадов с эмиттерной связью практически не отличаются от характеристик резистивного усилителя, а поэтому расчет элементов каскада, а также вносимых им частотных и переходных искажений производят по формулам резисторного каскада.






