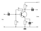
Рассмотрим принципиальную схему усилительного каскада, в которой делитель напряжения для подачи смещения R1R2 подключен к коллектору, рис. 14.4.

Рис.14.4. Усилительный каскад с параллельной ООС по напряжению.
В этом случае на делитель напряжения с коллектора поступают как постоянная составляющая Uк0, так и переменая Uвых. Следовательно, в каскаде возникает ООС как по постоянной, так и переменной составляющим. ООС по постоянной составляющей обеспечивает коллекторную стабилизацию рабочей точки. Рассмотрим ООС по переменной составляющей. Часть выходного напряжения, которое падает на R2 Uос=Uвых R2/(R1+R2), параллельно с входным сигналом поступает на входные клеммы. Коэффициент передачи цепи обратной связи определяется коэффициентом передачи делителя напряжения ß= R2/(R1+R2). Зная коээфициент пердачи цепи обратной связи, можно определить все показатели данного каскада.






