Постоянное напряжение на коллекторе V1 значительно превышает необходимое напряжение смещения на базе V2. Поэтому в усилителях с непосредственной связью требуется погасить, т.е. скомпенсировать избыточное постоянное напряжение. Цепи, предназначенные для погашения избыточного постоянного напряжения, называют схемами сдвига уровня постоянного напряжения.
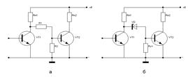
Простейшей схемой сдвига уровня является делитель напряжения в цепи межкаскадной связи, рис.15.2,а.

Рис.15.2. Схемы сдвига уровня
Однако при такой схеме R1R2 одинаково уменьшает передаваемое напряжение как
, так и усиливаемый сигнал. Вследствие этого уменьшается коэффициент усиления.
В схемах сдвига уровня часто применяют стабилитроны, рис.15.2,б, у которых динамическое сопротивление незначительно. При этом полезный сигнал на нем практически не ослабляется, а погашаемое постоянное напряжение равно напряжению стабилизации стабилитрона. К сожалению, такая схема сдвига уровня имеет ряд недостатков: большой разброс напряжения стабилизации, следовательно, и погашаемого напряжения; стабилитроны работают в предпробойной области, вследствие чего имеют большой уровень шумов; малое динамическое сопротивление обеспечивается только при большом токе стабилитрона, поэтому приходится включать небольшое сопротивление
, которое шунтирует
и тем самым уменьшает коэффициент усиления первого каскада.
|
|
|
Шунтирование
элементами схемы сдвига уровня постоянного напряжения можно уменьшить, подключив к схеме сдвига уровня эмиттерный повторитель на транзисторе VТ2, рис.15.2,в, что позволит заметно увеличить коэффициент усиления.
В операционных усилителях в схемах сдвига уровня вместо стабилитрона часто используются делители напряжения, содержащие обычный резистор и сопротивление генераторов стабильного тока (ГСТ). ГСТ отличается тем, что имеет значительное сопротивление по переменной составляющей и небольшое сопротивление по постоянной составляющей. Если включить ГСТ вместо R2 (рис.15.2,а), то потеря полезного сигнала резко снижается, и все избыточное напряжение по постоянной составляющей погашается на R1.






