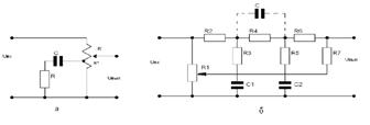
Обычный потенциометр одинаково ослабляет напряжение всех частот. Однако слуховой орган человека, ухо, имеет такую особенность, что с уменьшением громкости снижается восприятие высших и особенно низких частот. Поэтому в высококачественных приемниках для равномерного восприятия всех частот применяются тонкомпенсирующие регуляторы, рис.22.2,а.

Рис.22.2. Тонкомпенсирующие регуляторы усиления
Тонкомпенсирующие регуляторы выполнены так, что R'>>R'', поэтому, когда снимается большое выходное напряжение (движок вверху), элементы R и С почти не влияют. С уменьшением Uвых (движок внизу) сопротивление, с которого снимается Uвых, будет определяться параллельным соединением цепочек RC и R". Для низких частот оно больше, чем для средних и высоких, поэтому будем иметь подъем частотной характеристики в области низких частот.
Другая схема компенсированного регулятора имеет вид, приведенный на рис. 22.2,б.
Выходное напряжение в этой схеме определяется суммой напряжений UR1 и выходного напряжения двухзвенного низкочастотного фильтра Uф. Когда движок вверху, Uвых снимается с полного сопротивления R1, поэтому Uвых определяется только этим напряжением, так как Uф << UR1. При опускании движка общее выходное напряжение определяется суммой двух напряжений Uвых=Uф +UR1. Следовательно, при слабых сигналах будет иметь место подъем частотной характеристики в области низких частот. Потенциометрические регуляторы при правильной схеме включения не вносят искажений. Потенциометрическая регулировка позволяет получить диапазон регулирования в пределах 40-60 дБ.
|
|
|






