Реле и их классификация
Общие вопросы релейной защиты
Лекция № 1.
При эксплуатации электрооборудования повреждения, возникающие вследствие пробоя изоляции, обрывов проводов, ошибочных действий персонала и других причин, приводят к коротким замыканиям (КЗ), сопровождающимся понижением напряжения и высокотемпературной дугой. Дежурный персонал не в состоянии с требуемое малое время отметить возникновение КЗ, выявить поврежденный элемент и дать сигнал на отключение его выключателей. В тоже время быстрое отключение поврежденного элемента позволяет существенно сократить размеры повреждений, а иногда и предотвратить их. Поэтому электроустановки снабжаются автоматически действующими устройствами – релейной защитой или предохранителями (последние преимущественно в системах с напряжением менее 1 кВ), осуществляющими защиту от повреждений и некоторых ненормальных режимов работы.
Таким образом, основным назначением релейной защиты является выявление места возникновения КЗ и быстрое отключение поврежденного участка сети.
Кроме повреждений возможны такие нарушения нормальных режимов работы, как перегрузка, замыкание на землю в сетях с незаземленной нейтралью и другие, которые не представляют непосредственной опасности для оборудования.
Вторым назначением релейной защиты является выявление нарушений нормальных режимов работы оборудования и подача предупредительных сигналов.
На подстанциях без обслуживающего персонала в таких режимах релейная защита производит отключение оборудования с выдержкой времени, так как нарушения нормальных режимов работы зачастую бывают кратковременными и могут самоустраняться.
В технике релейной защиты под термином «реле» в соответствии с ГОСТ понимают автоматически действующий аппарат, предназначенный при заданном значении воздействующей величины производить скачкообразное изменение в цепях управления.
При определенном значении величины Х
ХС.Р., изменяет свое значение выходной сигнал Y, при возврате реле (Х£ХС.Р.) сигнал Y принимает первоначальное значение (Рис. 1). Наиболее распространены электрические реле.
Электрические реле имеют основные функциональные части: измерительную, логическую, исполнительный орган, источник питания, сигнальный орган, а также если есть необходиость, возможноть принимать сигналы с другой стороны защищаемого элемента. рис 2.4.

Рис. 1. Иллюстрация работы реле

Способы выполнения защит весьма разнообразны. Однако все они обычно строятся на электрических принципах, выполняются в большинстве случаев автономными устройствами и имеют в общем случае две главные части (рис. 2.4) – измерительную н логическую. Измерительная часть, включающая измерительные органы, непрерывно контролирует состояние защищаемого объекта и определяет условия срабатывания в соответствии со значениями входных воздействующих величин. Логическая часть, включающая логические органы, формирует управляющие воздействия в зависимости от комбинации и последовательности поступления на нее сигналов от измерительной части. Обычно логическая часть действует на выключатели не непосредственно, а через исполнительный орган. Измерительная часть, как правило, получает информацию о токах и напряжениях в месте включения защиты через. первичные измерительные преобразователи – трансформаторы тока и напряжения (ТА и TV).
Классификация реле.
1) В зависимости от величины, на которую реагирует реле различают:
a) электрические реле – реагируют на электрические величины;
б) механические реле – реагируют на механические величины: давление, уровень газа;
в) тепловые реле – реагируют на изменение температуры или количество тепла.
2) В зависимости от действия реле на повышение или понижение контролируемой величины различают реле максимального и минимального действия.
a) Реле максимального действия срабатывает и замыкает контакты при повышении измеряемой величины выше допустимого значения. При уменьшении возвращаются в исходное положение.
б) Реле минимального действия срабатывает при понижении электрической величины ниже допустимого значения. При увеличении измеряемой величины возвращается в исходное состояние.
Отношение входной и выходной величины называется коэффициентом возврата:
,
где
- параметр возврата реле,
- параметр срабатывания реле.
У реле минимального действия
>1, у реле максимального действия
<1.
3) По назначению:
a) реле измерительные – реле тока, напряжения;
б) реле логических операций;
в) исполнительные реле.
4) По принципу действия:
a) статические (отсутствуют подвижные части);
б) электромеханические (индукционные, магнитоэлектрические, электромагнитные).
5) Электромеханические реле классифицируют:
a) по способу включения воспринимающего органа: на первичные и вторичные (рис. 3).
Первичные реле непосредственно включаются в цепь.
Достоинства: экономичность, не требуют дополнительных затрат на трансформаторы тока и напряжения, контрольные кабели.
Недостатки: связаны с высоким напряжением, что увеличивает затраты на изоляцию и повышает сложность обслуживания. Для наладки нужен дополнительный источник тока.
Вторичные реле включаются через измерительные трансформаторы тока и напряжения.
Достоинства: изолированы от высокого напряжения, могут выполняться на стандартные токи и напряжения.

Рис. 3
Первичные реле применяются на электродвигателях и мелких трансформаторах в сетях 6-10 кВ, где защита выполняется по простейшим схемам и не требует большой точности. Во всех остальных случаях применяются вторичные реле.
б) по способу воздействия на коммутационное устройство различают реле прямого и косвенного действия.
Реле прямого действия не имеет контактной системы и непосредственно действует на расцепитель выключателя.
Реле косвенного действия имеет контактную систему, управляющую цепью оперативного тока. На расцепитель действует соленоид отключения.
Достоинства реле прямого действия: простота, экономичность.
Недостатки реле прямого действия: большая потребляемая мощность, низкий коэффициент возврата, трудная регулировка параметра срабатывания.
Перечисленные недостатки отсутствуют у реле косвенного действия. Однако конструкция его сложнее, возникает необходимость в дополнительном источнике тока, снижается экономичность.
1) Быстродействие.

Быстрое отключение релейной защиты уменьшает размеры повреждений, сохраняет нормальную работу потребителей неповрежденной части установки, предотвращает нарушение параллельной работы генераторов.
Современные устройства релейной защиты имеют время действия 0,02¸0,1 с.
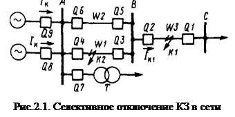
2) Селективность.
Селективностью называют способность релейной защиты отключать только поврежденные элементы.
Требование селективности не должно исключать возможность действия других защит как резервных в случае отказа защит или выключателей смежных элементов.
Защиты, могущие по принципу действия работать в качестве резервных при КЗ на смежных участках называют защитами с абсолютной селективностью.
Защиты с абсолютной селективностью работают только при КЗ на защищаемом элементе.
2) Чувствительность. (рис 2.2.)
Защита должна обладать чувствительностью к тем видам повреждений и нарушений нормального режима, на которые она рассчитана, чтобы было обеспечено ее действие в начале возникновения повреждения.
Чувствительность защиты должна так же, как правило, обеспечивать ее действие на смежных участках. Такое действие защиты называется дальним резервированием смежного или следующего участка.
Чувствительность защит в большинстве случаев оценивается коэффициентом чувствительности. Это отношение минимального значения тока при металлическом КЗ в защищаемой зоне к установленному на защите параметру срабатывания.
3)
![]() |
Надежность.
Рис.2.3. Неселективное отключение КЗ в случае отказа РЗ
Защита должна безотказно действовать лишь в режимах, для которых она предназначена (надежность срабатывания) и не действовать в тех случаях, когда должна сработать другая защита (надежность несрабатывания).
