Лекция 5
Однорелейная схема
Защита состоит из тех же элементов (рис.4.5, в, г), что и предыдущая схема, но выполняется одним токовым реле КА, которое включается на разность токов двух фаз I p = I a – I cи реагирует на все случаи междуфазных КЗ.
К недостаткам, ограничивающим применение схемы, нужно отнести меньшую чувствительность по сравнению с двухрелейной схемой при КЗ между фазами АВ и ВС;недействие МТЗ при одном из трех возможных случаев двухфазного КЗ за трансформатором с соединением обмоток Y/Δ когда I p = I a – I c= 0.
Однорелейная схема находит применение в распределительных сетях 6-10 кВ, питающих трансформаторы с соединением обмоток y/y и для РЗ электродвигателей.
Двухфазная защита с зависимой характеристикой. Токовые цепи этой МТЗ выполняются так же, как и РЗ с независимой характеристикой (рис.4.5, а, в). В качестве реле тока с зависимой характеристикой выдержки времени в отечественных схемах используются реле типов РТ-80 и РТ-90. Схемы оперативных цепей МТЗ аналогичны схемам на рис.4.5, б, г за исключением того, что в них отсутствуют реле времени (КТ).
5.1. Выбор тока срабатывания МТЗ
5.2. Чувствительность МТЗ
5.3. Выдержки времени защиты
5.3.1. Ступень времени
5.3.2. Выбор времени действия МТЗ
5.3.3. Согласование МТЗ с зависимыми характеристиками
Исходным для выбора тока срабатывания МТЗ является требование, чтобы она надежно работала при повреждениях на защищаемом участке, но в то же время не действовала при максимальном рабочем токе нагрузки I н mахикратковременных перегрузках, вызванных пуском и самозапуском электродвигателей, а также нарушением нормального режима электрической сети.
Электродвигатели имеются в составе большей части электрических нагрузок. При понижении или исчезновении напряжения, вызванном КЗ либо кратковременным перерывом электроснабжения потребителей при действии АПВ или АВР, электромагнитный момент вращения электродвигателей уменьшается, и они начинают тормозиться. При этом наиболее важные для производства электродвигатели оказываются полностью или частично заторможенными, оставаясь подключенными к сети. При восстановлении напряжения они начинают разворачиваться (самозапускаются), потребляя из сети повышенные пусковые токи. Суммарный ток во время самозапуска может существенно превосходить суммарный максимальный рабочий ток нагрузки I р mахустановившегося режима.
Увеличение тока нагрузки из-за самозапуска электродвигателей принято оценивать коэффициентом самозапуска k сзп, показывающим, во сколько раз возрастает ток I р mах. Для отстройки МТЗ от I н mахнеобходимо выполнить два условия.
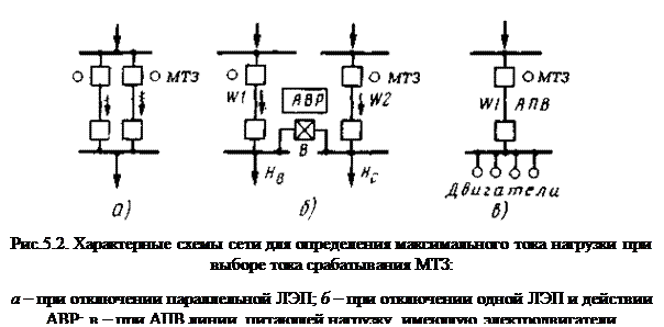
По первому условию МТЗ,пришедшая в действие при КЗ в сети (вне защищаемой ЛЭП), должна надежно возвращаться в исходное состояние после отключения КЗ при наличии в защищаемой ЛЭП тока нагрузки I н mах(рис.5.2, а). Так, например, при КЗ в точке К1 (рис.5.1) токовые реле МТЗ1 и МТЗ2 приходят в действие. После отключения действием МТЗ2 поврежденной ЛЭП W2 ток КЗ прекращается и в неповрежденной ЛЭП W1 остается ток I н mах, питающий нагрузку Н В. При этом ИО МТЗ1, пришедшие в действие при КЗ, должны возвратиться в исходное положение.
![]() |
Для обеспечения возврата МТЗ1 (рис.5.1) ее ток возврата I воз должен быть больше максимального тока нагрузки I н mах. проходящего по ЛЭП W1 и ее МТЗ1 после отключения КЗ (I воз > I н mах):
(5.1)
где k отс - коэффициент отстройки, учитывающий погрешность токового реле МТЗ; I н mахв общем случае равен k сзп I р mах. Подставив это значение вместо I н mах(5.1), найдем
(5.la)
Коэффициент отстройки k отс для реле типов РТ-40, РТ-80 и статических реле принимается равным 1,1-1,2. Учитывая, что соотношение I воз/ I с.з определяется k в, подставляем в это соотношение I возиз (5.1 а). Зная значение k вдля рассматриваемых реле, находим первичный ток срабатывания, обеспечивающий возврат МТЗ при I н mахпо первому условию:
(5.2)
По второму условию ИО тока, находящиеся в состоянии недействия МТЗ, не должны срабатывать при появлении I н mах:
(5.3)
Наибольшее значение I н mахимеет обычно в трех послеаварийных режимах:
а) при отключении одной из параллельных линий нагрузка на оставшейся удваивается (рис.5.2, а);
б) при успешном включении от АПВ (или вручную) поврежденной ЛЭП с подключенной к ней нагрузкой (например, на рис.5.2, в при включении от АПВ W1);
в) если к ЛЭП с рассматриваемой МТЗ, находящейся в работе и питающей нагрузку с током I раб1, при действии АВР подключается дополнительная нагрузка, оставшаяся без напряжения из-за отключения питавшей ее ЛЭП (W2 на рис.5.2, б).
Характер изменения токов в режиме б) и в) аналогичен показанному на рис.5.3, а. В режиме б) в защищаемой ЛЭП W1 и МТЗ появляется ток I' н mах= k сзп I p max. Ток срабатывания МТЗ выбирается по выражению
(5.4)
В третьем режиме после отключения W2 АВР подает напряжение на нагрузку Н Сот W1. Начинается самозапуск. Полный ток нагрузки W1 после действия АВР

Чтобы исключить срабатывание МТЗ на W1, ток срабатывания РЗ согласно условию (5.3) рассчитывается по выражению
(5.5)
Из двух значений I с.з, полученных по (5.2) и (5.4) или (5.5), принимается большее.
Вторичный ток срабатывания реле I с.р находится с учетом коэффициента трансформации ТТ и схемы включения реле, характеризуемой коэффициентом схемы k сх:
(5.6)
Для схемы соединения в звезду (полную и неполную) k сх = 1. При включении реле на разность токов двух фаз k сх =
.
Из выражений (5.2), (5.4), (5.5) следует, что значение I с.з зависит не только от I р mах, но также от k в и k сзп. В целях уменьшения I с.з для повышения чувствительности МТЗ при КЗ стремятся применять токовые реле с высоким k в.
Значения k сзп принимаются равными 3-6 для нагрузки с преобладанием электродвигателей; 1,5-2 – при малом удельном значении электродвигателей. Когда электродвигатели составляют почти 100% нагрузки, ток самозапуска можно рассчитывать как трехфазное КЗ за сопротивлением полностью заторможенных электродвигателей.
Выбрав ток срабатывания МТЗ, следует проверить согласование ее по чувствительности с МТЗ следующего смежного участка радиальной сети. В общем случае МТЗ п, ближе расположенная к источнику питания, должна быть грубее, чем МТЗ п + 1, расположенная дальше.
Для этого необходимо выполнить условие
(5.6а)
где k отс – коэффициент отстройки, учитывающий погрешность реле по току срабатывания, равный 1,1-1,5.
Поскольку I с.з выбирается по току нагрузки, то практически условие согласования чувствительности смежных МТЗ всегда выполняется, так как чем ближе ЛЭП (и МТЗ) к источнику питания, тем больше ее нагрузка, а следовательно, и ток I с.з.
