Трансформаторы напряжения и схемы соединения их обмоток
Измерительные органы, в частности измерительные реле напряжения, включаются на фазные и междуфазные напряжения, а также на напряжения нулевой и обратной последовательностей. Для получения этих напряжений используются однофазные или трехфазные трансформаторы напряжения и фильтры напряжения обратной последовательности. Трансформаторы в этом случае имеют различные схемы соединения обмоток, при выполнении которых придерживаются следующих правил:
– в случае включения первичных обмоток на фазные напряжения их начала присоединяются к соответствующим фазам, а концы объединяются и соединяются с землей;
– при включении первичных обмоток на междуфазные напряжения их начала присоединяются к предыдущим, а концы – к последующим фазам в порядке их электрического чередования.
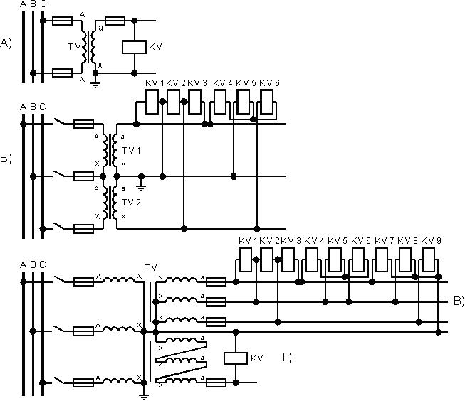
Включение однофазного трансформатора напряжения (рис. 16а).
Первичная обмотка трансформатора включается на напряжение двух любых фаз. Такая схема применяется в тех случаях, когда достаточно иметь одно междуфазное напряжение, например напряжение U BC.
|
|
|
Схема соединения обмоток трансформаторов напряжения в открытый (неполный) треугольник (рис. 16б).
Первичные обмотки двух однофазных трансформаторов напряжения включаются на два любых междуфазных напряжения. Вторичные обмотки соединяются последовательно. Такая схема дает возможность включать реле на все междуфазные напряжения (реле KV1–KV3) и на напряжения фаз по отношению к искусственной нейтральной точке системы междуфазных напряжений. В последнем случае включение можно выполнить тремя реле, обмотки которых имеют равные сопротивления и соединены в звезду (реле KV4–KV6). Схема соединения двух однофазных трансформаторов в открытый треугольник является наиболее распространенной. Она не может применяться в тех случаях, когда необходимо иметь фазные напряжения относительно земли.

Рис. 16. Схемы соединения измерительным трансформаторов напряжения и обмоток реле
Схема соединения обмоток трансформаторов напряжения в звезду (рис. 16в).
Как и рассмотренная схема соединения обмоток в открытый треугольник, дает возможность включать реле на любые междуфазные напряжения (реле KV1–KV3) и на напряжения фаз относительно искусственной нейтральной точки системы междуфазных напряжений (реле KV4–KV6), а также по отношению к земле, то есть на любые фазные напряжения (реле KV7–KV9).
Рассматриваемую схему можно выполнить посредством трех однофазных трансформаторов напряжения или одного трехфазного пятистержневого. Применение трехфазных трехстержневых трансформаторов напряжения в данном случае не допускается в связи с тем, что при замыкании на землю в сети по первичным обмоткам трансформатора через его заземленную нейтраль проходят большие токи намагничивания нулевой последовательности и трансформатор сильно перегревается.
|
|
|
Схема соединения обмоток трансформаторов напряжения в фильтр напряжения нулевой последовательности (рис. 16г).
Напряжения отдельных последовательностей можно выделить из полных фазных напряжений посредством фильтров напряжений. Так, для получения напряжения нулевой последовательности первичные обмотки трансформаторов должны соединяться в звезду с заземленной нейтралью. Полученные при этом вторичные фазные напряжения суммируются путем соединения вторичных обмоток в разомкнутый треугольник, к которому подключается реле. Напряжение на обмотке реле KV будет равно 3× U0.






