Фазовый детектор коммутационного типа

Эти детектора строятся по балансной схеме и основа их - два активных элемента, работающих в ключевом режиме.

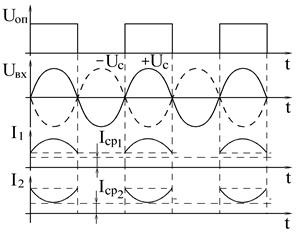
Опорное напряжение здесь - последовательность прямоугольных импульсов.

В качестве ключей используются диоды или транзисторы.

Опорное напряжение на ключи подается синфазно, т.е. не влияет на выходное напряжение детектора.

Uвх подается парафазно.

Пусть jс между опорным и выходным сигналом равна: jс= 0.

Тогда напряжение U будет максимально т.е. разность токов I1 и I2 на сопротивлении будет максимальной.

Пусть jс=p/2, т.к. Iср1 = Iср2, то выходное напряжение U= 0.

В результате детекторная характеристика ФД выглядит следующим образом:

U@ KdUc cosjc,

где Кd - коэффициент передачи диодного ключа.

Достоинства: большой диапазон линейности детекторной характеристики; возможность реализации этого детектора в интегральном исполнении.





Подборка статей по вашей теме: