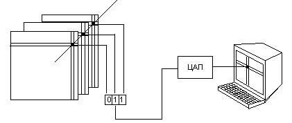
| Уровень памяти изображения | ![]() ![]() ![]() ![]()
| |
| Уровень процессора визуализации | ![]() ![]() ![]()
| |
| Уровень поверхности отображения |
| |
| Уровень графического процессора | ![]() ![]() ![]()
| |
| Уровень процессо графического ядра | ![]() ![]()
| |
Уровень процессора цправления внешними связями
| ![]() ![]() ![]() ![]()
|
Уровень ПО:На него посупает видео сигнал, чтобы преоброзовать его и на индикатор надо ЦАП (цифоровое аналоговое преоброзование)
Частота сигнала поступающего от ЦАП определяется частотой высвечивания сигнала на цифровой трубке
индикатор – это задачник.
-позволяет изменять данные выводимые на устройство изображения без изменения изображения находящегося в памяти.
ПРоесс обратного изображения осуществляет все преоброзования изображения которые существуют в растровой форме.
4-ий уровень: определяет три блока.
Память дисплейного файла – содержит изображение предствленное в удобном виде для преоброзования
.
На выходе векторная информация. Базовый уровень (4-ый).
Графический процессор осуществлояет (проекционное преоброзование), геометрическое преоброзование на уровне векторов (аффинные)
Графический процессор осуществляет управление.
Уровень 5 информация (изображение) хранится в виде последовательности коменд.
Пам. сегм. структурирует наши графические данные в соответствии с нашими стандартами.
Индикатор (дисплей, мониторы)
Этот блок один из основных в графической системе
2-е группы индикаторов
1) растровая
2) векторная
2. На базе ЭЛТ используют и монитор
- с коротким времинем свечения
Дисплей с произвольным временем сканирования (сканирует очень часто min 30-40 Нсек)
Для работы векторного дисплея.
1) Дисплейный буфер - вся информация которого должна быть выведена.
2) Дисплейный – контроллер (редактирует инф. индикатор)
2 схемы

Первая схема используется при буферизации.
Геометрический процессор не успевает.
Сложные изображения за один цикл регенирации
дисплей файл делится на 2-е части.
Вторая схема
Все преоброзования выпонняются на лету за один цикл генирации.
Растровый дисплей.
В виде матрицы: где находятся значения информации с которой будем работать.

30.04.04

1) Векторынй дисплей предствляет собой штор выстокого качества.
2) Динамическое преоброзоание осуществляется в реальном времени.
3) Высокая интерактивность.
В 80х годах 6 тысяц векторов при разрешении 2048х2048
Применяются в системах автоматического проестирования.
Обеспечение наивысшего качества при низкой скорости.
«+» у растровой: представление цветовых возможностей и быстрое предстваление возможность смшивания с телевиденья. Что позволяет синтезировать новый изображения.
Способность немерцающего изображения практически неограниченна.
Возможность одновременной реализации. Компьютерной графики и вектороного изображения, обработки его.
Кольцо в электормагните
электоро статичность в нути трубки

Фокусирующая система
1) с элестростатическим отключением
2) с магнитным отключением
Сравним их: При 2-ом способе конструкция урощается. Проще фокусировать луч. Получение более яркого изображения за счет повышения ннапряжения.
Но более более широкое распостранение электростатические
Более высокая скорость генерирования изображения.
- выше точность позиционирования луча
- Отсутвие изображения прямоугольной сети.
Уровень ПО:На него посупает видео сигнал, чтобы преоброзовать его и на индикатор надо ЦАП (цифоровое аналоговое преоброзование)
Частота сигнала поступающего от ЦАП определяется частотой высвечивания сигнала на цифровой трубке
индикатор – это задачник.
-позволяет изменять данные выводимые на устройство изображения без изменения изображения находящегося в памяти.
ПРоесс обратного изображения осуществляет все преоброзования изображения которые существуют в растровой форме.
4-ий уровень: определяет три блока.
Память дисплейного файла – содержит изображение предствленное в удобном виде для преоброзования
.
На выходе векторная информация. Базовый уровень (4-ый).
Графический процессор осуществлояет (проекционное преоброзование), геометрическое преоброзование на уровне векторов (аффинные)
Графический процессор осуществляет управление.
Уровень 5 информация (изображение) хранится в виде последовательности коменд.
Пам. сегм. структурирует наши графические данные в соответствии с нашими стандартами.
Индикатор (дисплей, мониторы)
Этот блок один из основных в графической системе
2-е группы индикаторов
1) растровая
2) векторная
2. На базе ЭЛТ используют и монитор
- с коротким времинем свечения
Дисплей с произвольным временем сканирования (сканирует очень часто min 30-40 Нсек)
Для работы векторного дисплея.
1) Дисплейный буфер - вся информация которого должна быть выведена.
2) Дисплейный – контроллер (редактирует инф. индикатор)
2 схемы

Первая схема используется при буферизации.
Геометрический процессор не успевает.
Сложные изображения за один цикл регенирации
дисплей файл делится на 2-е части.
Вторая схема
Все преоброзования выпонняются на лету за один цикл генирации.
Растровый дисплей.
В виде матрицы: где находятся значения информации с которой будем работать.

30.04.04

1) Векторынй дисплей предствляет собой штор выстокого качества.
2) Динамическое преоброзоание осуществляется в реальном времени.
3) Высокая интерактивность.
В 80х годах 6 тысяц векторов при разрешении 2048х2048
Применяются в системах автоматического проестирования.
Обеспечение наивысшего качества при низкой скорости.
«+» у растровой: представление цветовых возможностей и быстрое предстваление возможность смшивания с телевиденья. Что позволяет синтезировать новый изображения.
Способность немерцающего изображения практически неограниченна.
Возможность одновременной реализации. Компьютерной графики и вектороного изображения, обработки его.
Кольцо в электормагните
электоро статичность в нути трубки

Фокусирующая система
1) с элестростатическим отключением
2) с магнитным отключением
Сравним их: При 2-ом способе конструкция урощается. Проще фокусировать луч. Получение более яркого изображения за счет повышения ннапряжения.
Но более более широкое распостранение электростатические
Более высокая скорость генерирования изображения.
- выше точность позиционирования луча
- Отсутвие изображения прямоугольной сети.
Схема.

Видеоконтроллер осуществляет формирование изображения на экране путем его построчного вывода. При этом контроллер точно соблюдает время развертки строки которая либо соответствует телевизионным кадрам либо выбирает по заданным параметрам.


- Широта полосы
- Частота строк и кадров Настраиваемые параметры
Может быть три вида развертки изображения.
- Через сторчная
- Строчная
- Комбиначия черезстрочной и строчной
Для сокращения ширины полосы пропускания строится через черезстрочная развертка.

Изображение делится на 2-е картинки имеющее половинное вертикальное разрешение.
1) включает все четные
2) включает все не четные.
Такой способ в телевизионном вещании.
Время которое необходимо для вывода на экран картинки определяется частотой кадров, и так же скоростью обратноо хода луча.
Пример:
Для стандарта телевидения 625 строк.
Длительность строки 65 м сек. Где 20% это время обратного хода луча.
Важнейший параметр время обработки 1-ого пиксела, связано со временем обработки 1-ой строки.


2-е группы дисплеев.
-Полноцветные (для пикселя хранится свое значение RGB пиксели имеют по одному байту на состовляющую)
-Дисплей с просматриваемой таблицей (значение пиксела не сразу передается, а проходит через дополнительную таблицу в которой значение операндов различных преобразованных адресов).


Трехбитовая плоскость



Яркость –интенсивность свечения в строку наблдателя 0.1-1 яркость изображения.
Воспринимаемая частота зависит от яркости и частоты мелькания.
Частота мелькания неразлечима когда подходим к критической высокой частоте мелькания. Если частота мелькания больше чем ФКМ то яркость = усредненной яркости.

где
для ярких и цветных иззображений
Закон Ферри Поттер.
- средняя яркость изображения.
С росчам угового коэфициента ФКМ растет.
Параметрическое зрение более сильное чем центральное.
Коэфициент контраста.
Отражает фундамеентализм представления о свете.
Контраст восприятие качественного и количественного нито разно 2 частей поля видемого зрения.
Глаз различает 1 приращение яркости.
Разрешающая способность.
Характеризует в сантиметрах размеры которые мы можем выводить на экран.
Максимальная разрешающая способность определяется размером рецепторов их расположением в сетчатке (1 микрон)
Острота зрения снижается от расположения оптической оси.
В дисплее разрешающая способность 2-микрона.
Размер экрана Определяет размер выводимого изображения
Цвет.
Цвет параметр дисплея, системы управления которым позволяет формировать изображение.
1) Светность или яркость 
2) Цветовой ток
3) Насыщенность цвета.
Цвет
Свет
Станд
Природа света есть электромагнитная.
Частотный спектр воспринимаемый нашим глазом.

Разрешающая способность глаза зависит от света (черно-белый и зеленый)
Зеленый наиболее приятно глазу.
Колориметрия – наука о цвете
Цвет – существуют законы Гросмона
1) Цвет имеет 3х компонентную природу: насыщенность цветовой, яркость (
)
2) Все составляющие линейно зависимы


3) Цветовое пространство непрерывно.
Существует локус цветов или диаграмма цветности

(не спектральные и все вне локус спектре)
Пурпурные цвета (не входят а спектр)
Б (0,33, 0,33)
черного цвета – нет
МКО – международный колометрический стандарт 1931
Есть RGB

Цвет – разделяется монохроматический и ахроматический (только полутона белого -черного)
Визуально
16
64 - количество на границе
Монохроматический

развел
добавл. Белой сост.
Оттенок
добавл. Черн соств.
Станд
В устройствах отображения типа монитора.
При смешивании дополнительного цвета зеленый и синий – голубой
Зеленый и красный – пурпурный
Красный и зеленый – желтый


Чистый цвет получить сложно



- модель

Модель Максвелла



Свет - световая энергия (Доля зависит от длины волны)

Поглощение отражение проникновение через предметы
Выделяется тепло Зеркальная диффузионная
![]() |
Источники цвета Поверхность



Ориентация Свойства поверхности
![]() |
Строение источника Направление источника

Распределенный
Точечно
Рассеянный
(Лампа) (Солнечный свет)
Рассеянный свет
чем выше n тем уже блик


Виды закраски полигональная
- по Гуро
- по Фонго
И Гуро и Фонго живы
координаты и нормали
считается интенсивность в каждый момент времени
Берем интенсивность и интерполируем для данного полинома.
Полосы Леймана
Чтобы исключить рез. Границы дефрагментируем поверхность.
Стандартизация.
КГ
|
|
- Базисный
- Основной
- Аппаратно зависимый
Три уровня
+ Базисный графический устройства.
+ Интерф. Устройства.
+ Формат общеис. граф. данных.
Домашние задания.

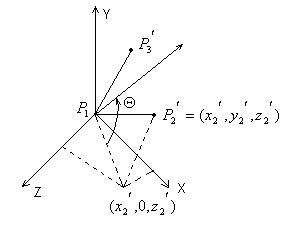
1) Перенос точки
в начало координат
2) Поворот вокруг оси
до совмещения
с помощью 
3) Поворот вокруг оси
до совмещения
с отрицательной полу осью
4) Поворот вокруг оси
до совмещения
с плоскостью 
Делаем 1 шаг.
Переносим
в начало координат 
Применение
к
и
нам дает следующее



Делаем шаг 2.
Поворачиваем вокруг оси
на угол 


Значит 

где 

Делаем шаг 3
Поворачиваем вокруг оси
на отрицательный угол
:


- длина 

Делаем шаг 4.
Поворачиваем вокруг оси
на угол 
И так



Соответственно результирующая матрица:

Усеченный видимый объем для случая ортогональной параллельной проекции.

Усеченный видимый объем

Кубическая поверхность




;
, 
- коэффициенты бикубического многочлена.
--------------||------------------------- 
Формы Эрмита

























Форма Безье




Она обладает свойством выпуклой оболочки.

Форма
- сплайнов



- непрерывность

Алгоритм Брезенхейна

(ошибка
)
(ошибка
)
Инициализировать ошибку в -
ошибка ровна ошибка плюс 
Алгоритм Брезенхейна для первого октана т.е. 
Дано: концы отрезка
и
- не совпадают
- функция преобразования в целое 
- целые
- вещественное.
Инициализация переменных.




Инициализация (с поправкой)
пикселя.

Начало основного цикла.












Обобщенный целочисленный алгоритм
Дано Концы отрезка
и
не совпадают, все переменные целые





Инициализация переменных





Врем=

=Врем
Обмен:=1
обмен =1
обмен =0


Инициализация
;

Основной цикл





(
)
обмен=1 







обмен=1 






















Уровень процессора цправления внешними связями












