Построенная структурная схема логического устройства может содержать элементы с разным числом входов. Так, в схеме на рисунке используются, кроме инверторов, элементы ИЛИ—НЕ с двумя и тремя входами. В выпускаемых промышленностью сериях элементов обычно предусматриваются элементы с разным числом входов и для построения устройств в большинстве случаев могут быть использованы элементы точно с тем же числом входов, какое требуется в отдельных элементах структурной схемы.
Иногда по разным соображениям приходится использовать в схеме элементы, число входов у которых больше или меньше чем то, которое требуется при рассмотренных выше способах синтеза устройств. Ниже рассматриваются возникающие в этих случаях особенности в построении устройств.
Рассмотрим случай использования элементов, имеющих избыточное число входов. Для определенности примем, что элементы имеют три входа, причем для подачи входных переменных требуется лишь два входа. Избыточный вход мог бы быть оставлен свободным (не подключенным к каким-либо цепям) (рисунок 1.2.9.3.)

Рисунок 1.2.9.3.
Однако из соображений уменьшения влияния наводимых на этот вход помех нежелательно неиспользуемый вход оставлять свободным. При этом возможны следующие способы его включения.
Неиспользуемый вход может быть подключен к любому из используемых входов (рисунок 1.2.9.4.)

Рисунок 1.2.9.4.
Недостаток такого способа соединения состоит в следующем. Объединение входов приводит к тому, что к выходу источника входного сигнала (т.е. к выходу предыдущего элемента, с которого сигнал подается на вход данного элемента) оказывается подключенным большее число входов элемента. Такое возрастание нагрузки вызывает увеличение задержки распространения сигнала, снижение быстродействия элемента.
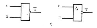
Из этих соображений наиболее удачным следует считать способ при котором на неиспользуемый вход подается логическая константа 0 или 1 (т.е. потенциал, соответствующий логической константе 0 либо 1) (рисунок 1.2.9.5)

Рисунок 1.2.9.5.
Здесь на свободные входы элементов ИЛИ и ИЛИ-НЕ подается постоянный потенциал уровня, соответствующего логическому 0, а для элементов И и И—НЕ — потенциал уровня, соответствующего логической 1.
В качестве инверторов обычно применяются элементы ИЛИ—НЕ или И—НЕ, в которых используется лишь один вход, остальные входы соединяются способом, описанным выше (рисунок 1.2.9.6.)

Рисунок 1.2.9.6.
Теперь рассмотрим более сложный случай построения устройств на элементах с недостающим числом входов.
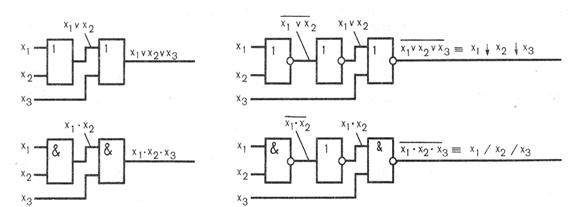
На рисунке 1.2.9.7. показан способ реализации трехбуквенного члена логического выражения функции на различных типах элементов с двумя входами.

Рисунок 1.2.9.7.
В логическом выражении может оказаться несколько членов с числом букв, превосходящим число входов элементов. В этом случае для сокращения числа используемых элементов следует провести соответствующее преобразование групп членов. Этот прием покажем на примере реализации преобразования логической функции ().

Пусть требуется построить устройство, реализующее () на двухвходовых элементах И—НЕ. В логическом выражении сгруппируем два последних члена, вынеся за скобки х3 идважды проинвертируем его.



К полученному выражению применим формулу де Моргана



Пользуясь форму лой де Моргана
можно преобразовать к виду

После подстановки в предыдущее выражение получим
.
Запишем данное выражение через операцию И—НЕ

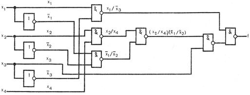
Построенная по этому выражению схема приведена на рисунке 1.2.9.8.

Рисунок 1.2.9.8.