Кодовое разделение
Разделение по форме
Фазовое разделение
Временное разделение
При частотном разделении (FDMA - Frequency Division Multiple Access) для различных каналов отводятся непересекающиеся участки полос частот Δf1, Δf2, …, Δfn в полосе пропускания линии связи (см. рис.3.5.2).


Рис.3.5.2. Распределение каналов по шкале частот при частотном разделении
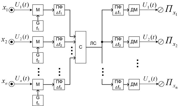
Спектры сигналов соответствующих каналов должны укладываться в пределы Δfk. Полоса пропускания линии связи ΔFл=Fв-Fн определяет количество возможных каналов. Для уменьшения паразитного влияния каналов друг на друга между полосами частот, отведенных каналу, оставляются незанятые полосы частот. На рис.3.5.3 приведена структурная схема многоканальной системы с частотным разделением.

Рис. 3.5.3 Структурная схема многоканальной системы с частотным разделением:
X1 ÷ Xn – источники сигналов; U1(t) ÷ Un(t) – сигналы, которые необходимо передать
по линии связи к соответствующим приемникам Пх1 ÷ Пхn; М – модуляторы; G – генераторы гармонических сигналов с частотами f1 ÷ fn; ЛС – линия связи; ПФ – полосовые фильтры с полосами пропускания Δf1 ÷ Δfn; С – смеситель сигналов; ДМ - демодуляторы
|
|
|
Низкочастотные сигналы Uk(t) от источников сигнала (датчиков) Xk модулируют по амплитуде или частоте высокочастотные сигналы с несущими частотами f1, f2, …, fn в модуляторах. Сигналы на выходе модуляторов имеют спектры Δf1, Δf2, …,Δfn, положение которых на шкале частот определяется несущими частотами f1, f2,…,fn, а ширина зависит от ширины спектра сигналов датчиков. Полосовые фильтры передающей части ограничивают полосы частот своих каналов. В смесителе все сигналы смешиваются и поступают в линию связи. На приемной стороне сигнал с линии связи поступает на полосовые фильтры, каждый из которых имеет полосу пропускания, равную полосе фильтра на передающей стороне. Сигнал с выхода фильтра демодулируется демодулятором. На выходе демодулятора получаем сигнал Uk, переданный с датчика. Сигнал Uk поступает приемнику.
Большим преимуществом систем с частотным разделением является возможность одновременной передачи сигналов, относящихся к разным каналам.
К недостаткам относят:
1. Сравнительно большое взаимное влияние каналов из-за перекрытия спектров сигналов, не идеальности полосовых фильтров и наличие паразитных частотных составляющих вследствие перекрестной модуляции.
2. Неполное использование каждым пользователем всей полосы пропускания канала.
Такое разделение используется в стандартах NMT (Nordic Mobile Telephone) – стандарте Европы на мобильную аналоговую связь.
При временном разделении (TDMA – Time Division Multiple Access – множественный доступ с временным разделением каналов) сигналы датчиков (источника сигнала) передаются только в отведенные для них непересекающиеся отрезки времени Δtk. На рис.3.5.4 приведено распределение каналов во времени.
|
|
|

Рис.3.5.4. Распределение каналов во времени.
Отметим, что каждый канал получает доступ в линию связи через время ΔT.
Структурная схема многоканальной системы с временным разделением приведена на рис. 3.5.5.

Рис.3.5.5. Многоканальная система передачи информации с временным разделением:
X1 ÷ Xn – источники сигналов; U1(t) ÷ Un(t) – сигналы, которые необходимо передать
по линии связи к соответствующим приемникам Пх1 ÷ Пхn; ЛС – линия связи; Р - распределитель
В данной системе распределение во времени источников информации осуществляется распределителем Р, который поочередно подключает источник и приемник к линии связи. Распределители на передающей и приемной стороне должны быть строго синхронизированы (т.е. работать с одинаковой скоростью) и синфазированы (работать без сдвига во времени).
Взаимное влияние каналов при временном разделении обычно незначительно, что позволяет строить системы с большим количеством каналов. Благодаря этому обстоятельству, а также простоте технических средств этот метод широко используется. Например, в стандарте GSM (Global System for Mobile Communication – глобальная система мобильной связи) для организации множественного доступа абонентов к базовой станции используется метод временного разделения.
Фазовое разделение применяют в двухканальной системе передачи сигналов двух датчиков в системах сбора данных. Структурная схема двухканальной системы с фазовым разделением приведена на рис. 3.5.6
.

Рис. 3.5.6. Двухканальная система с фазовым разделением.
Сигналы датчиков X1 и Х2 модулируют амплитуду синусоидальных носителей, различающихся по фазе на 90°. После модуляторов сигналы Ux1(t) и Ux2(t) имеют амплитуды, определяемые модулирующими сигналами с датчиков, а фазы соответственно φ1 и φ2 =φ1 +
:
Ux1(t)=U1(t)*sin ω0t;
Ux2(t)=U2(t)*sin(ω0t+
)=U2(t)*cosω0t.
На приемной стороне фазовые детекторы выделяют соответствующие модулирующие функции U1(t) и U2(t).
Для разделения сигналов, различающихся формой, используются операции, наиболее чувствительные к изменению формы, - обычно дифференцирование, интегрирование и вычитание. На рис.3.5.7. приведены временные диаграммы сигналов двухканальной системы с разделением по форме.

Рис. 3.5.7. Временные диаграммы сигналов двухканальной системы с разделением по форме:
а) сигнал от источника 1;б) сигнал от источника 2;в) сигнал в линии связи
В линию связи поступает сумма U(t)=U1(t)+U2(t).
Процесс разделения имеет целью выделение информационных параметров U1(t) и U2(t). Выделение U2(t) осуществляется путем дифференцирования функции U(t). U1(t) получается путем вычитания U2(t) из U(t).
Отметим, что данный метод, как и разделение по уровню, дифференциальное разделение с использованием телефонной линии имеют ограниченное применение (только для подключения датчиков).
Основная идея кодового разделения линий связи (CDMA – Code Division Multiple Access) заключается в том, что в одной и той же полосе частот можно использовать сигналы, которые не влияют друг на друга. Для их получения подбирается система сигналов, свободных в точке приема от взаимных влияний друг на друга. На передающей стороне формируется и передается через линию связи широкополосный сигнал с распределенной энергией. На приемной стороне этот сигнал умножается на соответствующий сигнал из системы сигналов, использовавшихся на передающей стороне, и интегрируется. В результате, на приемной стороне выделяется сигнал соответствующего абонента (датчика).
Рассмотрим процесс передачи и приема сигналов в CDMA детальнее.
|
|
|
Сигналы отдельных каналов представляются в виде:
Uxk(t)=Uk(t)*gk(t),
где gk(t) – сигнал – носитель;
Uk(t) – сигнал соответствующего датчика.
Сигнал, поступающий в линию связи, представляется в виде U(t)=
.
Если gk(t) линейно независимы, они могут быть разделены линейными фильтрами. Такие многоканальные системы передачи носят название линейных. К линейным относятся, в частности, системы с частотным, временным, фазовым разделением и разделением по форме.
В качестве системы линейно независимых сигналов используются различные системы ортонормированных сигналов, для которых существует общий метод разделения, основанный на применении оператора корреляционной фильтрации к сигналу, поступающему из линии связи.
Рассмотрим процесс выделения на приемной стороне сигнала k-того источника.
Сигнал, принятый из линии связи, умножается на gk(t) и затем интегрируется:
U(t)*gk(t) = gk(t)* [
Ui(t)*gi(t)].
После интегрирования получим:
gk(t)* [
Ui(t)*gi(t)]* dt,
где a, b – интервал времени, на котором система функций gi(t) ортонормированна.
Покажем, что в результате этих действий (умножения и интегрирования) получим на приемной стороне переданный сигнал от k-того источника.
gk(t)* [
Ui(t)*gi(t)]* dt =
Внесем под знак суммы gk(t)
=
[
Ui(t)*gi(t)*gk(t)]*dt=
Поменяем местами порядок выполнения действий
=
Ui(t)*gi(t)*gk(t)*dt. *
Для продолжения преобразований воспользуемся формулой интегрирования по частям:
òp*dv=pv - òv*dp.
Для этого интеграл
Ui(t)*gi(t)*gk(t)*dt представим в виде
*d [
] =
(дифференциал от интеграла равен под интегральной функции)
= Ui(t)*
gi(t)*gk(t)*dt -
{
gi(t)*gk(t)*dt}*d [Ui(t)]. **
Определим значение выражения ** для различных случаев.
Для i≠k по свойству ортогональности функций
gi(t)*gk(t)*dt=0, поэтому из выражения (**) получим:
Ui(t)*0 -
(0)*d[Ui(t)] = 0-0=0.
Для i=k по свойству нормированности функций
g2k(t)*dt=1, поэтому из выражения (**) получим:
Uk(t)*1 -
= Uk(t)*1 - Uk(t)│
= Uk(t) - [Uk(b)-Uk(a)].
Подставив вычисленное значение интеграла в выражение (*) получим:
gk(t)* [
Ui(t)*gi(t)]* dt = Uk(t) - [Uk(b)-Uk(a)]. ***
В полученном результате Uk(a) – значение сигнала k-того источника сигнала в начальный момент времени, Uk(b) – значение сигнала k-того источника сигнала в конце передачи, т.е. это некоторая постоянная величина, на которую смещен сигнал по оси ординат.
|
|
|
Таким образом, на выходе интегратора получим переданный сигнал, только смещенный по оси ординат. Технически смещение можно легко устранить, например, пропустив сигнал (***) через конденсатор.
Следовательно, умножив сигнал, принятый из линии связи, на соответствующий каналу сигнал ортонормированной системы сигналов и затем проинтегрировав произведение, получим переданный сигнал.
Структурная схема многоканальной системы с кодовым разделением приведена на рис.3.5.8.

Рис.3.5.8. Структурная схема многоканальной системы с кодовым разделением:
X1 ÷ Xn – источники сигналов; Г1 ÷Гn – генераторы сигналов ортонормированный системы сигналов g1 ÷ gn; С – сумматор; БИ – блоки интегрирования; Пх1 ÷ Пхn – приемники сигналов
Эффективность корреляционного метода разделения состоит в том, что он позволяет значительно ослабить влияние перекрестных помех.
3.5.8. Комбинированные методы разделения.
Одновременное использование нескольких методов разделения позволяет увеличить число каналов и уменьшить их взаимное влияние. Например, разделение по форме в сочетании с частотным или временным разделением удваивает общее количество каналов. Применяются комбинации частотного с временным (например, в GSM кроме временного разделения используется и частотное разделение, а именно: NB TDMA), кодового с частотным, кодового и временного методов разделения, и другие 4. Применение помехоустойчивых методов приема
В процессе передачи на сигнал Ux(t) добавляется помеха Uп(t) и в конечном итоге принимается сигнал Uy(t)=Ux(t)+Uп(t). На приемной стороне задача состоит в том, чтобы определить, содержится ли в принятом сигнале Uy(t) полезный сигнал Ux(t), или Uy(t) представляет собой только шум. Такую задачу называют задачей обнаружения сигналов. Она не имеет точного решения, так как всегда имеется вероятность, что большой всплеск шума будет отождествляться с полезным сигналом. Для уменьшения вероятности ошибки производят преобразования сигнала Uy(t), которое увеличивает соотношение
. Такое преобразование принято называть фильтрацией. Основная задача фильтрации - уменьшить помеху, увеличить полезный сигнал.
Известны различные методы фильтрации:
а) частотная фильтрация;
б) метод накопления;
в).корреляционный метод фильтрации (временная фильтрация).
Использование помехоустойчивых методов приёма требует увеличения времени передачи, т.к. требуют дополнительного времени на обработку сигнала.
Если имеется возможность применить дополнительный канал между передающим и приёмным пунктами, или такой уже существует, то можно организовать канал обратной связи.
Известно 2 варианта использования канала обратной связи:
1. Системы с информационной обратной связью. В этом случае по каналу обратной связи передается весь переданный пакет с целью его контроля на передающей стороне. Если на передающей стороне пакет совпал, то данные верны. Время увеличивается в 2 раза. Дорого. Но такие системы обеспечивают очень высокую достоверность передачи.
2. Системы с управляющей обратной связью или системы с переспросом. Организуется пакет, в котором используется помехоустойчивое кодирование (только обнаруживает ошибки, но не исправляет). На приёмной стороне по помехоустойчивому коду определяется ошибка. Если ошибка есть, то по каналу обратной связи передается сообщение об ошибке и просьба повторить отправку пакета, то есть по каналу обратной связи идёт только сигнал «повторить» либо «подтверждение приема». Если есть необходимость повторной отправки пакета, то отправка производится.






