Синхронные однотактные одноступенчатые триггера.
Синхронные триггера.

рис. 2.5. Синхронный RS-триггер в базисе И-НЕ

рис. 2.6. D-триггер в базисе И-НЕ

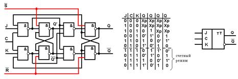
рис. 2.7. JK-триггер в базисе И-НЕ, построенный по схеме с запрещающими связями

рис. 2.8. D-триггер в базисе И-НЕ, построенный по схеме с инвертором
Триггеры, имеющие в названии типа букву V – имеют дополнительный синхровход с названием V. Триггера RST, DvT: выполняют комбинированные функции.
RST – может выполнять функции RS и T-триггеров,
DvT – имеет дополнительный синхровход V, может выполнять функции D и T-триггеров.






