Регистр – функциональный узел ЭВМ, предназначенный для записи, хранения, считывания n-разрядного слова информации. Регистры строятся на однотактных или двутактных двуступенчатых триггерах. Дополнительно регистры позволяют выполнять сдвиг информации в различных модификациях.
Кроме того, на регистрах можно осуществлять выполнение логических операций, таких как:
а также сдвиг информации на заданное количество разрядов.
Классификация:
1. по способу записи-считывания различают регистры:
- последовательные – с последовательной записью и считыванием информации;
- параллельные – с параллельной записью и считыванием информации;
- последовательно-параллельные – с последовательной записью и параллельным считыванием информации;
- параллельно-последовательные – с параллельной записью и последовательным считыванием информации;
- универсальные – с параллельной и последовательной записью и параллельным и последовательным считыванием информации.
2. по фазности поступающей и выдаваемой информации:
|
|
|
- однофазные – на D-триггерах;
- парафазные – на RS и JK-триггерах;
- комбинированные:
однофазное занесение, парафазная выдача;
парафазное занесение, однофазная выдача.
3. по способу тактирования:
- однотактные – управляются одной последовательностью тактовых сигналов;
- многотактные – управляются несколькими последовательностями тактовых сигналов.
Базовые схемы:
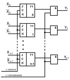
1. Параллельный регистр на JK-триггерах с парафазным занесением информации и однофазной выдачей (считыванием) информации. Возможна и парафазная выдача информации.

рис. 2.9. Параллельный регистр на JK-триггерах
2. Последовательный регистр на D-триггерах с однофазным занесением информации слева направо и парафазной выдачей информации.

рис. 2.10. Последовательный регистр на D-триггерах
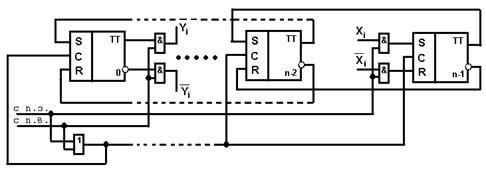
Последовательный регистр на RS-триггерах с парафазным занесением информации справа налево и однофазным считыванием информации.

рис. 2.11. Последовательный регистр на RS-триггерах
3. Универсальный регистр на D-триггерах с однофазным последовательным, слева направо и параллельным занесением информации и последовательным и параллельным считыванием информации (однофазным).

рис. 2.12. Универсальный регистр на D-триггерах