Счетчик – функциональный узел ЭВМ, предназначенный для подсчета количества поступивших на его вход сигналов и выдачи его в виде n-разрядного двоичного кода.
Максимальное число, до которого может считать счетчик, образует коэффициент пересчета N=2n, где N – разрядность счетчика. Счетчики строятся на однотактных двуступенчатых Т-триггерах.
Классификация:
- по направлению счета:
- суммирующие;
- вычитающие;
- реверсивные;
- по основанию системы счисления:
- двоичные;
- недвоичные: * двоично-десятичные;
* с произвольным коэффициентом;
- по времени поступления сигналов:
- асинхронные;
- синхронные;
- по способу организации разрядного переноса:
- с последовательным переносом;
- с параллельным переносом;
- с комбинированным переносом (групповым);
Базовые схемы:
1. Асинхронный суммирующий двоичный счетчик с последовательным переносом.

рис. 2.13. Асинхронный суммирующий двоичный счетчик с последовательным переносом.
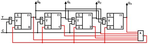
2. Синхронный суммирующий двоичный счетчик с параллельным переносом.

|
|
|
рис. 2.14. Синхронный суммирующий двоичный счетчик с параллельным переносом.
Переключение (подсчет входных сигналов) возможно только в присутствии синхросигнала С.
3. Вычитающий синхронный двоичный счетчик с параллельным переносом.

рис. 2.15. Вычитающий синхронный двоичный счетчик с параллельным переносом
4. Десятичный синхронный суммирующий счетчик с параллельным переносом.

рис. 2.16. Десятичный синхронный суммирующий счетчик с параллельным переносом.
Основная литература: 1 [145-250]; 2 [138-178]; 3 [97-104, 113-119];
Дополнительная литература: 1 [122-135]; 2 [156-189];
Контрольные вопросы:
1. Дайте определение функционального узла.
2. Что такое триггер?
3. Какие основные типы триггеров Вы знаете?
4. Как классифицируются триггера?
5. Дайте определение регистра.
6. Приведите классификацию регистров.






