5.2.1. Наиболее часто применяемые отдельные столбчатые железобетонные фундаменты представлены монолитной и сборной конструкциями. Монолитный типовой фундамент (рис. 2) состоит из подколонника и фундаментной плиты. Подколонник, имеющий форму параллелепипеда, снабжен стаканом, в который вставляется и замоноличивается железобетонная колонна, или анкерными болтами, которые соединяют опорную плиту металлической колонны с фундаментом. Фундаментные плиты (от одной до трех ступеней) имеют высоту, кратную 300 мм.

Рис. 2. Столбчатый типовой монолитный фундамент
Монолитные типовые железобетонные фундаменты под железобетонные колонны прямоугольного сечения маркируются: ФИПТП-НВФ,
где Ф – фундамент;
ИП::=А|Б|В|Г|Д – индекс подколонника, определяющий его размеры (поперечное прямоугольное сечение и высоту);
ТП::=1|2|...|18|19 – типоразмер подошвы, устанавливающий количество ступеней и их размеры в плане;
НВФ::=1|2|3|4|5|6 – номер высоты фундамента, взаимосвязанный с его высотой.
Фундаменты изготавливаются из бетона классов B15 и B20 с арматурой классов A-II и A-III.
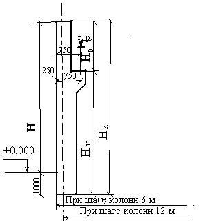
5.2.2. Распространенные типовые железобетонные колонны имеют прямоугольное и двухветвевое сечение. Крайняя колонна для одноэтажных зданий с мостовым краном приведена на рис. 3. При этом высота колонны (здания) равна расстоянию от нулевой отметки до верха колонны, а длина колонны – высоте, увеличенной на длину части колонны, погружаемой в фундамент.

Рис. 3. Крайняя колонна прямоугольного сечения для зданий с мостовым краном
Колонны с прямоугольным сечением применяются при их высоте до 10,8 м, шаге колонн - 6, 12 м, ширине пролета до 24 м и грузоподъемности мостового крана до 32 т. В остальных случаях (при значительных нагрузках) применяются колонны с двухветвевым сечением.
Колонны с прямоугольным сечением под мостовой кран маркируются КПn-m,
где КП – колонна прямоугольная;
n – римская цифра номера выпуска серии рабочих чертежей;
m – арабская цифра номера колонны по несущей способности.
Колонны с двухветвевым сечением под мостовой кран маркируются КДn-m,
где КД – колонна двухветвевая;
n – римская цифра номера выпуска;
m – арабская цифра номера по несущей способности.
Колонны изготовляются из бетона классов B20, B30 и B40 c арматурой класса A-III.
5.2.3. Ригельные железобетонные конструкции представлены балками и фермами.
Для зданий без мостовых кранов при пролетах в 6, 9 и 12 м применяются типовые односкатные и двускатные балки таврового или двутаврового сечений (рис. 4), а при пролете 12 м – двускатные решетчатые балки.

Рис. 4. Односкатная и двускатная ж/б балки с тавровым сечением
В зданиях с мостовыми кранами используются типовые ригели (рис. 5):
двускатные решетчатые балки пролетом 18 м;
стропильные безраскосные фермы пролетом 18 и 24 м.

Рис. 5. Ригельные ж/б конструкции: а – балка двускатная решетчатая, б – ферма безраскосная
Кроме указанных типовых ригелей могут применяться и раскосные сегментные или полигональные фермы.
Двускатные решетчатые балки маркируются gБДРL-mar,
где g – арабская цифра номера разновидности по геометрическим размерам;
БДР – балка двускатная решетчатая;
L – пролет, м;
m – арабская цифра номера по несущей способности;
ar – условное обозначение вида арматуры (шифр арматуры).
Стропильные безраскосные фермы маркируются ФБLt-mar, где ФБ – ферма безраскосная;
L – пролет, м;
t – римская цифра геометрического типоразмера фермы;
m – арабская цифра номера по несущей способности;
ar – шифр арматуры.
При малоскатных рулонных кровлях в стропильных безраскосных фермах применяются выступающие части стоек, на которые опираются плиты кровельного покрытия.
Балки пролетов 6 и 9 м изготовляются из бетона класса B30 с арматурой класса A-II, а балки пролетом 12 и 18 м и фермы – из бетона классов B40...B60 с напрягаемой арматурой класса Bp-II.
5.2.4. Железобетонные фундаментные балки (рис. 6) применяются в каркасных зданиях с шагом колонн 6 и 12 м в качестве фундаментов самонесущих кирпичных или панельных стен. Балки имеют тавровое или трапецеидальное поперечное сечение. Они устанавливаются на бетонные столбики, бетонируемые на уступах фундаментов колонн.

Рис. 6. Ж/б фундаментные балки:
а – тавровая, б – трапецеидальная, в – установка балки
Фундаментные балки маркируются ФБL-t,
где ФБ – фундаментная балка;
L – номинальная длина балки;
t – номер типоразмера.
Для предварительно-напряженных балок длиной 12 м применяется маркировка ФБН-t.
Балки выполняются из бетона классов B20...B40 с арматурой класса A-III.
5.2.5. Железобетонные подкрановые балки длиной 6 и 12 м таврового и двутаврового сечений (рис. 7) применяются для мостовых кранов грузоподъемностью Q = 10...30 т. Предварительно напряженные балки изготовляются из бетона классов B30...B50 с арматурой классов A-IIIв и Bp-II.

Рис. 7. Ж/б подкрановые балки:
а – пролетом 6 м, б – пролетом 12 м