5.3.1. Основными элементами металлических каркасов являются: колонны, ригельные фермы, П-образные рамы, подкрановые балки и связи.
5.3.2. Металлические колонны имеют оголовок для опирания ригельных конструкций, передающий нагрузки стержень и базу для связи колонны с фундаментом. Они могут быть сплошными и сквозными.
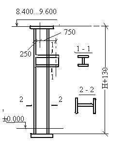
Сплошные колонны (рис. 8) имеют прокатное или сварное двутавровое сечение стержня и применяются при высоте колонн не более 9,6 м, в зданиях с пролетами до 24 м, при грузоподъемности мостового крана не более 20 т и шаге колонн 6, 12 м. Привязка крайних колонн к разбивочным осям – 250 мм. Маркировка колонн представлена кодом КvHw-N,
где К – тип здания (крановое),
v – вид колонны (К – крайняя или С – средняя),
H – высота колонны, дц,
w – вид сечения (П – прокатное, С – сварное),
N – порядковый номер.

Рис. 8. Крайняя сплошная стальная колонна для зданий с мостовым краном
Сквозные колонны (рис. 9) применяются при высоте здания 10,8...18 м, пролете – 36 м, шаге колонн – 12 м и грузоподъемности мостового крана – не более 50 т. Привязка крайних колонн к разбивочным осям – 250 мм. Верхняя (надкрановая) часть колонн сплошная двутавровая. Нижняя (подкрановая) решетчатая часть состоит из швеллера и подкранового двутавра, соединенных решеткой из прокатных уголков.
|
|
|

Рис. 9. Крайняя сквозная стальная колонна под мостовой кран
5.3.3. Типовые металлические фермы с пролетами 18, 24, 30 и 36 м представлены (рис. 10) однотипными стержневыми конструкциями с горизонтальными поясами (незначительный уклон верхнего пояса).
Пара перпендикулярных друг к другу раскосов (восходящий и нисходящий) со стойками в узлах образуют секцию длиной 6 м. Переход от одного пролета фермы к другому большего размера достигается добавлением секции.

Рис. 10. Схемы типовых стальных стропильных ферм
Маркировка фермы представлена кодом ФСL-xx,xx,
где ФС – ферма стальная,
L – длина пролета, м,
xx,xx – допустимая нагрузка, т/м.
Кроме типовых ферм с параллельными поясами применяются треугольные фермы с уклоном верхнего пояса 1:3,5 и полигональные фермы с уклоном верхнего пояса 1:8 при тех же длинах пролетов (18...36 м).
5.3.4. Для перекрытия больших пролетов применяются двухшарнирные и бесшарнирные, сплошные и сквозные металлические рамы. Сплошная рама предназначена для пролетов длиной L = 50...70 м, сквозная – L = 120...180 м. Высота ригеля сплошной рамы – 1/30...1/40 L, а сквозной – 1/12...1/20 L.
5.3.5. Стальные подкрановые балки (рис. 11), устанавливаемые на консоли колонн, при шаге колонн B = 6 м и небольших крановых нагрузках изготовляются из прокатных двутавров с усилением верхних полок приваренным листом. При большом шаге колонн и большой грузоподъемности кранов применяются сварные или клепаные балки (последние при грузоподъемности крана более 50 т). Иногда используются решетчатые подкрановые балки в виде шпренгельных систем.
|
|
|

Рис. 11. Стальные подкрановые балки:
а – сплошного сечения с усиленным прокатным двутавром,
б – то же, составного сечения
5.3.6. Металлические связи применяются для обеспечения жесткости каркаса здания в продольном направлении. Система связей состоит из вертикальных связей между колоннами и горизонтальных – в покрытии. Вертикальные связи устраиваются в середине температурного отсека (здания) крестовыми (одноярусными или двухъярусными) в надкрановой части колонн и портальными – в подкрановой части. В покрытиях зданий со стальным каркасом предусматриваются горизонтальные связи в плоскостях верхних и нижних поясов ферм, размещаемые в торцах температурного отсека.