РАСЧЕТ ЖЕЛЕЗОБЕТОННЫХ ЭЛЕМЕНТОВ ПО ПРЕДЕЛЬНОМУ СОСТОЯНИЮ 2-ОЙ ГРУППЫ
Цель расчета по предельному состоянию 2-й группы заключается в обеспечении конструкции условиями нормальной эксплуатации (по образованию и величине раскрытия трещин, по допускаемым деформациям).
Расчет на трещиноустойчивость выполняется по трем категориям:
1-я категория связана с конструкциями, в которых не допускается образование трещин (это, как правило, предварительно напряженные конструкции, воспринимающие давление жидкостей или газов);
2-я категория включает конструкции, допускающие кратковременное раскрытие трещин при условии их последующего закрытия;
3-я категория включает конструкции, в которых допускается ограниченное по ширине (обычно, – 0.2 мм) длительное раскрытие трещин.
Наиболее частым расчетом по деформациям является расчет прогиба балки, который в связи со сложностью экспериментальных зависимостей СНиПа выполняется по упрощенной методике.
Данный вид расчета выполняется на стадии, непосредственно предшествующей образованию трещин. Расчет выполняется для центрально растянутых элементов и изгибаемых (внецентренно растянутых и сжатых) элементов.
|
|
|
Центрально растянутый элемент (рис. 20) рассчитывается с использованием следующих зависимостей
N < = R_btser*(A + 2*ny*A_stot) + P, (38)
P = A_sP*(cg_con - cg_l + 2*ny*R_btser), (39)
P = -cg_s*A_s, (40)
где N – растягивающая сила;
R_btser – расчетное сопротивление бетона на растяжение 2-й группы предельного состояния;
A – площадь сечения бетона;
ny = E_s/E_b – отношения модулей упругости арматуры и бетона;
A_stot – площадь сечения всей продольной арматуры;
P – усилие обжатия предварительно напряженной арматуры;
A_sP – площадь сечения предварительно напряженной арматуры;
cg_con – контролируемое напряжение;
cg_l – потери напряжения;
2*ny*R_btser = 30 МПа – напряжение, вызванное деформацией окружающего бетона;
cg_s – напряжение в растянутой арматуре;
A_s – площадь сечения растянутой арматуры.
Формула (39) применяется для предварительно напряженного элемента, а формула (40) – при отсутствии предварительного напряжения.
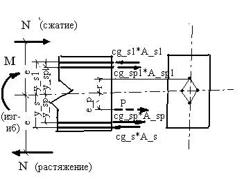
Изгибаемый, внецентренно растянутый или сжатый элемент (рис. 21) подвергается расчету с помощью зависимостей

Рис. 20. Центрально растянутый элемент
M_r <= M_crc, (41)
При изгибе M_r = M, (42)
При растяжении M_r = N * (e + r), (43)
При сжатии M_r = N * (e - r), (44)
где M_r – момент внешних сил относительно оси, проходящей через наиболее удаленную от растянутой зоны ядровую точку;
r – расстояние от центра тяжести приведенного сечения до ядровой точки, наиболее удаленной от растянутой зоны (r = W/F);
e – эксцентриситет до центральной оси.

Рис. 21. Изгибаемый, внецентренно растянутый или внецентренно сжатый элемент
Момент усилия обжатия (M_crc) определяется по формуле:
M_crc = R_btser * W_pl (+ | -) M_rp, (45)
где W_pl – момент сопротивления приведенного сечения для крайнего растянутого волокна;
M_rp – момент усилия обжатия оси, при которой определяется M_r (M_rp = P* (e_p (+ | -) r); знак + применяется в формуле (45) при разносторонности M_r и M_rp.






