Параметры технического состояния
Заключение
Таким образом, история государства и права как научная дисциплина изучает эволюцию структур, институтов и механизмов государственной власти, развитие системы в целом, отдельных отраслей, институтов и норм права.
Становление государственных и правовых феноменов рассматривается в определенных пределах – временных и пространственных. Временной предел – с момента возникновения государственности до сегодняшнего состояния государственной и правовой систем, пространственный – территории, занимаемые Русским или Российским государством на протяжении всего исторического времени.
История государства и права России включает и отдельные факты, прежде всего юридические, и закономерности исторического развития; обосновывают основные причины и следствия таких явлений, как возникновение, расцвет и упадок государственных систем и институтов. Организация и деятельность этих органов (органов власти, управления – центральные и местные - и юстиции) рассматриваются как в отдельности, так и в целом, в системе. Важно представлять цельную картину и обстоятельства их эволюции и взаимодействия.
|
|
|
Основные параметры технического состояния шасси тракторов приведены в таблице 1.





Таблица 1 — Параметры и качественные признаки технического состояния шасси тракторов
| Объект диагностирования | Параметры и качественные признаки технического состояния | |
| прямые (структурные) | косвенные (функционально-зависимые от структурных) | |
| 22. Трансмиссия | I — профиль, ширина зубьев шестерен, износ подшипников, шлицевых и шпоночных соединений, изменение геометрии рабочих поверхностей деталей корпуса | Суммарный зазор в механизмах трансмиссии. Концентрация продуктов износа и абразива в масле. Параметры вибрации и шума. Рабочая температура корпусных деталей. Герметичность уплотнений. Величина перемещения рычага переключения передач |
| II — полнота включения и выключения, отсутствие самопроизвольного выключения передач Крутящий момент на ведущих колесах | Параметры вибрации и шума. Величина перемещения рычага Тяговое усилие. Мощность механических потерь | |
| 23. Ходовая система гусеничных тракторов | I — параметры и качественные признаки, приведенные в пункте 24 (группа I) | Параметры и качественные признаки, приведенные в пункте 24 (группа I) |
| 24. Гусеничный движитель | I — износ звездочки ведущего колеса Износ шарниров гусеничных звеньев Зазоры в подшипниках опорных и поддерживающих роликов | Размеры зубьев звездочки Длина участка гусеничной цепи Свободный продольный и поперечный ход роликов. Концентрация продуктов изнашивания трущихся деталей в масле |
| II — натяжение гусеничной цепи | Прогиб гусеничной цепи | |
| 25. Подвеска гусеничных тракторов | I — износ катков Зазоры в подшипниках каретки подвески Герметичность уплотнений | Толщина обода Свободный продольный и поперечный ход каретки подвески Расход масла. Течь масла при определенном давлении. Концентрация продуктов изнашивания деталей в масле |
| 26. Ведущие и направляющие колеса колесных тракторов | I — высота протектора шины | _ |
| II — удельное давление трактора на почву | Давление воздуха в шинах |
Продолжение таблицы 1
|
|
|
| Объект диагностирования | Параметры и качественные признаки технического состояния | |
| прямые (структурные) | косвенные (функционально-зависимые от структурных) | |
| 27. Передняя ось колесных тракторов | I — износ шкворней, поворотных кулачков и подшипников передней оси | Свободный ход (продольный и поперечный) направляющих колес |
| II — углы установки направляющих колес | Углы развала и схождения колес. Боковое усилие, создаваемое колесом | |
| 28. Подвеска колесных тракторов | I — зазоры в шарнирах подвески Жесткость упругих элементов подвески | Свободный ход передней оси относительно остова трактора Прогиб упругих элементов под нагрузкой |
| II — полный рабочий ход упругого элемента подвески | — | |
| 34. Вал отбора мощности (ВОМ) | I — зазоры в подшипниках. Износ шестерен и посадочных поверхностей корпуса редуктора. Толщина дисков муфты сцепления | Параметры вибрации и шума. Концентрация продуктов изнашивания трущихся деталей в масле |
| II — передаваемый крутящий момент Полнота включения ВОМ | Продолжительность вращения ВОМ после его выключения | |
| 47. Тормоза | I — толщина тормозных накладок | Величина полного хода тормозной педали (рычага) |
| II — эффективность торможения | Величина свободного и полного хода тормозной педали (рычага). Усилие на тормозной педали (рычаге). Тормозной путь. Одновременность срабатывания тормозов | |
| 47а. Приводные ремни | II — натяжения ремня | Угол прогиба. Стрела прогиба |
Проверка общего состояния сцепления. При движении по ровному горизонтальному участку на рабочей передаче и средней частоте вращения коленчатого вала полностью затормаживают трактор, не выключая сцепление. Если дизель остановится, сцепление работает нормально. Если дизель только снизит частоту вращения коленчатого вала и будет продолжать работать, это указывает на пробуксовывание дисков сцепления.
Чрезмерный нагрев корпуса и специфический запах жженых фрикционных накладок свидетельствуют о пробуксовывании дисков.
Проверяют и регулируют сцепление по следующим параметрам:
— зазору между отжимными рычагами и выжимным подшипником — щупами;
— свободному и полному ходу педали — приспособлением КИ-9919;
— полному ходу отводки — измерительной линейкой длиной 300 мм.
Проверка хода рычага или педали механизма управления. Устанавливают приспособление КИ-9919 на пол кабины около проверяемого рычага или педали (рисунок 2). Прикрепляют зажим приспособления к рукоятке рычага или педали. Совмещают риску на поворотном кольце приспособления с цифрой «0» шкалы.
Устанавливают измерительную головку приспособления на такой высоте от пола кабины, чтобы ось зажима и конец нити находились в плоскости, параллельной полу кабины. Отводят рычаг или нажимают на педаль, по показанию шкалы приспособления, умноженному на два, определяют свободный или полный ход рычага (педали).
Определяют разницу в зазорах между отжимными рычагами и выжимным подшипником. При наличии упорного кольца отжимных рычагов (тракторы Т-150, Т-150К) проверяют равномерность зазоров между отжимными рычагами и кольцом, а также одновременность соприкосновения отжимных рычагов с кольцом при выключении сцепления. Если разница в расположении рабочих поверхностей лапок рычагов относительно вертикальной плоскости превышает 0,5 мм, необходимо выровнять их по данным таблицы 2.
|
|
|

1 — основание; 2 — стойка; 3, 4, 12 — зажимные винты; 5 — зажим; 6 — нить; 7— корпус; 8 — барабан; 9 — спиральная пружина; 10 — шкала; 11 — поворотное кольцо
Рисунок 2 — Общий вид приспособления для проверки механизмов управления трактором КИ-9919
Если после выравнивания отжимных рычагов зазор не соответствует данным таблицы 2, его регулируют изменением длины тяги.
Таблица 2 — Номинальные значения регулируемых параметров механизмов управления главным сцеплением трактора, мм
| Тракторы, самоходные шасси | Зазор между отжимными рычагами и упором муфты выключения сцепления | Разница в зазорах между отжимными рычагами и упором, не более | Свободный ход педали | Полный ход муфты выключения сцепления |
| Т-150, Т-150К | 3,5...4,0 | 0,3 | 30...40 | 21...22 |
| ДТ-75В, ДТ-75Н | 3,0...3,5 | 0,3 | — | 22...24 |
| ДТ-75М, ДТ-75МВ | 3,5...4,5 | 0,4 | — | 15...18 |
| МТЗ-100, МТЗ-102 | 3,0...3,5 | 0,3 | 30...40 | — |
| МТЗ-80, МТЗ-82 | 3,0...3,5 | 0,3 | 40...50 | — |
| Т-40 | 4,0...4,5 | 0,3 | 35...50 | — |
| Т-25 | 2,0...3,0 | 0,2 | 30...50 |
Если отрегулировать зазор изменением длины тяги невозможно, его регулируют перемещением лапок отжимных рычагов в сторону маховика дизеля с помощью нажимных болтов при отпущенных контргайках или расшплинтованных корончатых гайках.
После достижения номинального зазора между отжимными рычагами и упором муфты выключения сцепления свободный ход педали может превышать номинальное значение из-за наличия увеличенных зазоров в шарнирных соединениях механизма управления сцеплением, обусловленных износом соединительных пальцев и проушин регулировочных вилок. Поэтому при больших зазорах в шарнирных соединениях механизма управления сцеплением свободный ход педали должен превышать приведенные в таблице 1 значения на величину поправки с учетом износа подвижных соединений. Чтобы определить поправку, удерживают муфту выключения сцепления в крайней задней позиции и измеряют ход педали по подушке от крайней задней позиции до полного устранения суммарного зазора в соединениях.
|
|
|
Полный ход отводки, который должен быть: у тракторов Т-150, Т-150К, ДТ-75М — 21...22 мм, у трактора ДТ-75МВ — 15...18 мм.
У тракторов ДТ-75 и самоходного шасси Т-16 регулируют зазор между упорами ведущего нажимного диска и регулировочными болтами. Для этого, отпустив контргайки, ввертывают болты до упора в диск, а затем вывертывают на один оборот и затягивают контргайки, благодаря чему обеспечивается отвод диска на 1,5 мм.
У тракторов МТЗ-100 и МТЗ-102 проверяют и при необходимости переводят регулировочными болтами при отпущенных контргайках механизм установки промежуточного диска в нейтральную позицию. При этом опорные пластины должны соприкасаться с болтами крепления тангенциальных пластин промежуточного диска.
У тракторов МТЗ-80, МТЗ-82, прежде чем отсоединить тягу от рычага выключения сцепления, освобождают педаль от воздействия на нее пружины сервоустройства. После регулирования зазора между отжимными рычагами и выжимным подшипником отводки устанавливают кронштейны сервоустройства в крайнюю верхнюю позицию, повернув их против хода часовой стрелки до отказа, и затягивают болты крепления кронштейна. Вывертывают упорный болт сервоустройства до упора педали в пол. Проверяют надежность возврата педали в исходную позицию под действием пружины сервоустройства при перемещении педали на величину свободного хода. В случае зависания педали на участке свободного хода отпускают болты крепления кронштейна сервоустройства и поворачивают кронштейн по ходу часовой стрелки на величину, обеспечивающую возврат педали в исходную позицию при перемещении ее на величину свободного хода.
Невозможность достижения требуемого зазора между отжимными рычагами или упорными кольцами и упором отводки указывает на предельный износ фрикционных накладок и необходимость их замены.
Проверка и регулировка тормозка. Она производится после регулирования главного сцепления с помощью специальных шаблонов и масштабной линейки в следующем порядке.
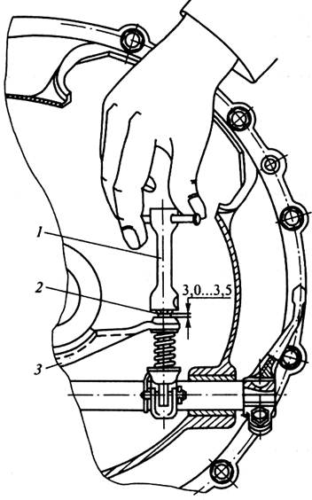
У тракторов Т-150 и Т-150К полностью выключают главное сцепление и регулируют зазор между торцем бонки тормозной колодки и торцем регулировочной гайки, который должен составлять 3,0...3,5 мм. Для этого вывертывают гайку до полного выхода ее из паза бонки тормозной колодки, а затем ввертывают на один-два щелчка, как показано на рисунке 3.
У тракторов ДТ-75 измеряют зазор между упором пружины и буртом рычага тормозка, который должен составлять 4...5 мм. Зазор регулируют упорным болтом, ввернутым в рычаг тормозка.
У тракторов МТЗ-80, МТЗ-82 при отсоединенной от рычага тормозка тяге и включенном сцеплении поворачивают рычаг выключения сцепления против хода часовой стрелки до отказа, присоединяют к нему тягу, отрегулировав при необходимости ее длину. Затем отсоединяют тягу от рычага и, укоротив ее на 7 мм, присоединяют к рычагу и контрят.

1 — ключ; 2 — регулировочная гайка; 3 — тормозная колодка
Рисунок 3 — Регулировка тормозка главного сцепления трактора Т-150К
Проверка состояния главного сцепления и тормозка после регулирования. На тракторах, снабженных гидро- или пневмоусилителем, надежность работы механизма управления сцеплением и тормозком, а также гидро- или пневмоусилителя проверяют при работающем дизеле.
Проверяют четкость выключения и включения сцепления, его взаимодействие с тормозком, а также убеждаются в отсутствии пробуксовывания дисков или неполного включения. Четкость выключения сцепления и правильность взаимодействия его с тормозком определяют по бесшумному включению передач.
Проверка и регулировка механизмов управления рабочими тормозами колесных тракторов. Проверяют ход штоков тормозных камер при рабочем давлении в пневматической системе: у тракторов К-701, К-700 — 0,68...0,75 МПа, у тракторов Т-150К — 0,73...0,77 МПа. Остановив дизель, нажимают на педаль тормоза и линейкой измеряют ход штоков тормозных камер. Номинальный ход штоков: у тракторов К-701, К-700 — 30...45 мм, у тракторов Т-150К — 15...20 мм. Допустимый ход штоков равен соответственно 55 и 30 мм. Разница ходов штоков тормозных камер не должна превышать: у тракторов К-701, К-700 — 7 мм, у тракторов Т-150К — 3 мм.
Если ход штоков тормозных камер превышает допустимые значения, то его регулируют, вращая ось червяка тормозного рычага.
После проверки и регулирования хода штоков тормозных камер проверяют и при необходимости регулируют свободный ход тормозной педали, который должен составлять 10...25 мм.
У всех тракторов, кроме К-701, К-700 и Т-150К, измеряют линейкой полный ход педалей тормозов по подушкам, оттягивая поочередно педаль каждого тормоза. Номинальный и допустимый ход педалей по подушкам от свободного состояния до начала торможения представлен в таблице 3. Если ход педалей разный и не соответствует приведенным в таблице значениям, его регулируют.
Таблица 3 — Полный ход педалей тормозов колесных тракторов
| Тракторы, самоходные шасси | Ход педалей, мм | |
| номинальный | допустимый | |
| МТЗ-100, МТЗ-102 | 100... 125 | |
| МТЗ-80, МТЗ-82 | 70... 90 | |
| Т-16 | 80... 100 | |
| Т-25 | 40...60 |
Проверка тормозного пути. Тормозные системы колесных тракторов и составленных на их базе тракторных поездов должны обеспечивать их остановку при движении по сухой горизонтальной дороге с твердым покрытием с начальной скоростью 20 км/ч на пути, который не должен превышать значений, приведенных в таблице 4.
Таблица 4 — Допустимый тормозной путь колесных тракторов и тракторных поездов, м, не более
| Тракторы, самоходное шасси | Без прицепа | С одним прицепом | С двумя прицепами |
| К-700, К-701, Т-150К | 7,8 | 9,0 | 10,8 |
| МТЗ-100, МТЗ-102, МТЗ-80, МТЗ-82, Т-40 | 7,2 | 7,8 | 9,0 |
| Т-25, Т-16 | 6,6 | 7,2 | 8,4 |
Проверка и регулировка стояночного тормоза. У тракторов К-701, К-700, Т-150К, МТЗ-100, МТЗ-102, МТЗ-80, МТЗ-82 включают тормоз и выполняют следующие операции.
У тракторов К-701, К-700 измеряют щупом зазор между барабаном и колодками тормозной ленты, который должен быть не менее 0,3 мм по всей окружности; затяжка тормоза должна обеспечиваться за 1,5...2 полных хода рычага управления тормозом. Если для затормаживания трактора требуется более 2 или менее 1,5 полных ходов рычага, следует отрегулировать тормоз регулировочной гайкой и упорными винтами, а при необходимости — изменить натяжение оттяжных пружин.
У тракторов К-701 и К-700 при необходимости регулируют натяжение троса с помощью гаек крепления оболочки троса. При свинчивании гаек с наконечников оболочки натяжение троса увеличивается. Во время регулирования натяжения троса не допускается перемещение рычага управления тормозом из крайней передней позиции.
Проверяют и при необходимости регулируют длину тяги-компенсатора, установив стопор рычага управления в первую впадину сектора, соответствующую одному щелчку стопора. Затем переводят рычаг управления вперед до упора ролика в планку стопора. При этом свободный ход тяги-компенсатора должен составлять 0,5...3,0 мм, регулируют его изменением длины тяги.
У тракторов Т-150К измеряют щупом зазор между барабаном и колодками тормозной ленты, который должен составлять 1,0...1,5 мм по всей окружности. Зазор регулируют регулировочной гайкой, а его равномерность — регулировочными болтами. Проверяют и при необходимости изменяют длину тяги, соединенной с рычагом управления тормозом, с помощью регулировочной вилки при отпущенной тормозной ленте. При этом защелка рычага управления должна входить во второй паз сектора.
У тракторов МТЗ-100, МТЗ-102, МТЗ-80, МТЗ-82 отвинчивают контргайку регулировочной тяги и совмещают верхние точки паза рычага стояночного тормоза и паза рычага правой педали основных тормозов, удлиняя или укорачивая тягу с помощью регулировочной вилки, отсоединенной от двуплечего рычага. Отвинчивают контргайку регулировочной шпильки тормоза и навинчивают регулировочную гайку на шпильку настолько, чтобы при усилии на рукоятке рычага управления тормозом 200 Н защелка надежно удерживала рычаг управления на зубчатом секторе. Затягивают контргайку и присоединяют тягу к рычагу стояночного тормоза.






