Состав, общая схема и работа системы смазки двигателя Rotax 912. (25 мин.).
Система смазки двигателя Rotax 912 (рис. 5.2.) является системой закрытого типа с «сухим» картером, с принудительной циркуляцией масла.
Система смазки двигателя Rotax 912 состоит из:
маслонасоса;
маслобака;
радиатора;
фильтра;
перепускного клапана;
маслопровода и каналов;
датчиков давления и температуры масла.
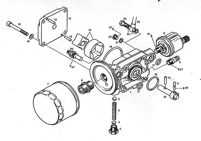
Интегрированный маслонасос (рис.5.2.) предназначен для циркуляции масла по маслосистеме и приводится в действие от распределительного вала и расположен на картере двигателя со стороны РТО под редуктором.
В нижней части насоса •расположена крышка перепускного клапана (5), обеспечивающего подачу масла к двигателю при холодном пуске, когда масло густое и в недостаточном количестве проходит через фильтровальную бумагу и при засорении фильтра.
Маслонасос крепится к картеру двигателя с помощью четырех болтов Мб. Соединения уплотняются резиновыми кольцами.







