Рис. 5.6. Масляный фильтр
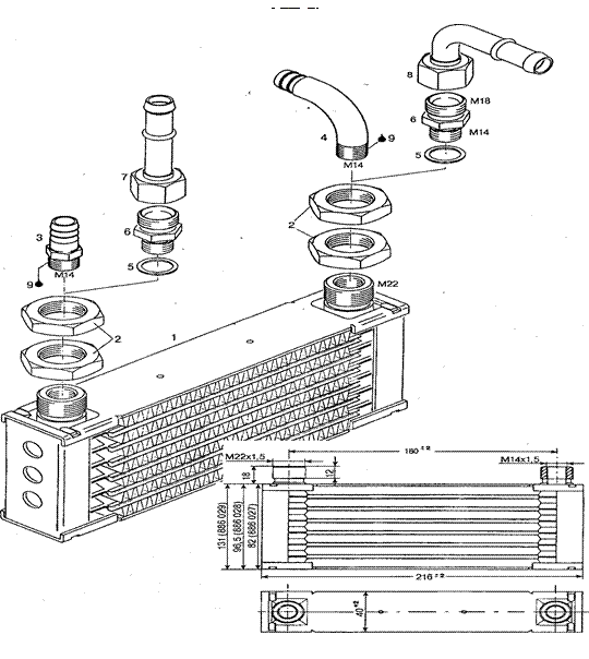
Рис. 5.5. Маслорадиатор
Рис. 5.4. Маслобак
Рис. 5.2. Маслонасос с фильтром и перепускным клапаном
В качестве насосов в системах смазки, как правило, используются шестеренчатые насосы (прямозубые или косозубые) с шестернями внешнего или внутреннего зацепления (рис. 5.3. а,б). На двигателе Rotax 912 используется шестеренный насос с внутренним зацеплением. При вращении шестерен масло через маслоприемник поступает во всасывающую полость насоса. Оно заполняет впадины между зубьями шестерен, переносится в полость нагнетания и под давлением направляется для смазки деталей двигателя.

Рис. 5.3. Схемы шестеренных насосов системы смазки:
а - с внешним зацеплением; б - с внутренним зацеплением;
1 - разгрузочная канавка; 2 - полость нагнетания; 3 - полость всасывания
Маслобак (рис. 5.4.) предназначен для хранения масла и включает в себя сепаратор картерных газов.
Маслобак изготовлен из нержавеющей стали и состоит из двух основных частей: корпуса (1) и крышки (7). Крышка крепится к корпусу с помощью профильного хомута (8), соединение уплотняется за счет резинового кольца (6). Для подключения к системе маслобак имеет заборный и возвратный штуцеры (13,14). Для отвода картерных газов имеется вентиляционный штуцер. В заливной горловине бака расположен щуп (11) для контроля уровня масла. Заливная горловина закрыта клапанной крышкой (12), которая обеспечивает сброс давления при засорении вентиляционной магистрали. В нижней части бака расположена пробка (3) для слива масла.
|
|
|
![]() |
Маслорадиатор (рис. 5.5.) предназначен для охлаждения масла. Маслорадиатор устанавливается во всасывающую магистраль системы смазки. Состоит из двух бачков, соединенных между собой несколькими рядами горизонтальных трубок, проходящих через металлические ребра, которые повышают жесткость и площадь теплоотдачи радиатора.
Масляный фильтр (рис. 5.6.) очищает масло от твердых частиц (продуктов износа трущихся деталей, нагара и т.п.), так как они вызывают повышенное изнашивание деталей и засоряют масляные магистрали. На двигателе Rotax 912 применяется масляный фильтр полнопоточный (пропускает все нагнетаемое масло), неразборный, с перепускным и противодренажным клапанами.

1 – корпус; 2 – днище; 3, 5 – клапаны; 4, 6 – отверстия; 7 – кольцо; 8 – крышка; 9 – фильтрующий элемент
Из маслобака (1) масло, под действием разрежения, создаваемого маслонасосом, поступает через магистраль (4) попадает во всасывающую полость маслонасоса, образованную роторами (5). При вращении роторов происходит сжатие и перемещение порции масла в нагнетающую полость маслонасоса. Из этой полости, масло через периферийные отверстия фильтра (7) попадает в его внутреннюю полость. Проходя через фильтрующий элемент во внутреннюю полость фильтра, масло очищается от примесей. При засорении фильтрующего элемента клапан (10) открывается за счет перепада давлений и масло, минуя фильтрующий элемент, попадает в двигатель, что предотвращает масляное «голодание».
|
|
|
Очищенное масло попадает в полость высокого давления маслонасоса, которая имеет перепускной клапан (8). При превышении номинального давления шарик открывает канал (9) маслонасоса, по которому излишки масла перепускаются во всасывающую полость маслонасоса.

Рис. 5.2. Общая схема системы смазки двигателя Rotax 912
Из полости высокого давления масло поступает в канал (11), расположенный в левой половине картера. Из канала (11) масло попадает в каналы гидрокомпенсаторов цилиндров 2 и 4 и из них, по каналам штанг (13) и коромысел (15) поступает для смазки деталей газораспределительного механизма. По внутренней полости корпусов штанг и каналам (17) масло стекает в картер, смазывая кулачки распределительного вала. Из канала (11) масло также поступает на смазку опоры (18) распределительного вала, по каналам (19), (20) и (21) - на смазку опор коленчатого вала и шатунного подшипника цилиндра 4. По соединению (22) масло поступает в канал (23), расположенный в правой половине картера. С канала (23) масло поступает на смазку опор (28) и (24) распределительного вала; опор коленчатого вала; шатунные подшипники цилиндров 1,2 и З; деталей газораспределительного механизма цилиндров 1 и 3. После смазки шатунных подшипников масло разбрызгиванием попадает на стенки цилиндров, поршни и поршневые пальцы. После смазки опор (31) и (21) масло попадает в полости редуктора и приводов для смазки их деталей. Все масло, после смазки деталей, стекает в нижнюю часть картера (40) и под воздействием давления картерных газов, через штуцер (41) и возвратную магистраль (42) попадает в маслобак (1). Приемный штуцер маслобака сориентирован так, что масло по касательной попадает на сепаратор (43), который обеспечивает газоотделение. По сетке сепаратора масло стекает вниз, а газы через вентиляционный штуцер (44) выходят из бака.
Контроль температуры осуществляется по датчику температуры, установленного в зоне канала (11), давления - по датчику давления, расположенного в зоне канала (23)
