Состояние плунжерных пар топливного насоса проверяют приспособлением КИ-16301А, а нагнетательных клапанов — этим же приспособлением и секундомером. Приспособление (рисунок 5) представляет собой насос высокого давления и состоит из манометра 2, подключенного к нагнетательной полости корпуса 3, плунжерной пары и нагнетательного клапана, находящихся внутри корпуса, рукоятки-резервуара 6 и привода плунжера, представляющего собой рычаг 5, один конец которого шарнирно закреплен на корпусе, и толкатель 4.

1 — топливопровод; 2 — манометр; 3 — корпус приспособления; 4 — толкатель; 5 — рычаг; 6 — рукоятка-резервуар
Рисунок 5 — Проверка состояния плунжерных пар топливного насоса высокого давления приспособлением КИ-16310А
Отсоединяют топливопровод высокого давления от проверяемой секции топливного насоса и присоединяют к секции приспособление. Ослабляют затяжку накидных гаек топливопроводов высокого давления на остальных секциях. Проверяют износ плунжерной пары по давлению, развиваемому ею при пусковой частоте вращения коленчатого вала при включенной подаче топлива, наблюдая за положением стрелки манометра. При возникновении колебаний стрелки выключают подачу и, плавно включая ее, повышают давление до 30 МПа. Если давление окажется менее 30 МПа, плунжерную пару заменяют.
Проверяют плотность прилегания нагнетательного клапана к седлу. Для этого прекращают прокручивать коленчатый вал, выключают подачу топлива и, наблюдая за перемещением стрелки манометра, измеряют время падения давления от 15 до 10 МПа. Если это время менее 10 с, нагнетательный клапан заменяют. При выбраковке одного клапана заменяют весь комплект.
Форсунки проверяют приспособлением КИ-16301А и автостетоскопом без снятия с дизеля. Отсоединяют штатный топливопровод высокого давления от секции топливного насоса и подсоединяют приспособление.
При нахождении рычага 5 в свободном состоянии плунжер под действием пружины располагается в крайнем верхнем положении, а надплунжерное пространство сообщается с рукояткой-резервуаром 6. При нажатии на рычаг 5 плунжер нагнетает топливо через открывшийся нагнетательный клапан в топливопровод 1. При освобождении рычага плунжер под действием пружины возвращается в исходное положение, а нагнетательный клапан закрывается. В этот момент надплунжерное пространство заполняется свежей порцией топлива.
Как только давление в топливопроводе немного превысит давление, соответствующее усилию затяжки пружины форсунки, начнется впрыскивание топлива. Давление начала подъема иглы распылителя определяют по максимальному отклонению стрелки манометра, делая 35...40 качков рычага в 1 мин.
При достижении максимального отклонения стрелки манометра проверяют герметичность распылителя по скорости падения давления после его снижения на 2 МПа от максимального. Если за 20 с давление снизится более чем на 1,5 МПа, форсунку снимают, разбирают, очищают распылитель от нагара и лакоотложений и проверяют прибором КИ-15706 ее работоспособность. При необходимости заменяют распылитель.
Если давление начала впрыскивания топлива отличается от значений в таблице 5 более чем на ±0,5 МПа, форсунку регулируют без снятия с дизеля.
Проверяют качество распыливания топлива. Нагнетая топливо рычагом 5 со скоростью 70...80 качков в минуту и приставив наконечник автостетоскопа к корпусу форсунки, прослушивают звук впрыскивания. Впрыскивание должно сопровождаться четким, хорошо прослушиваемым прерывистым звуком.
Таблица 5 — Номинальные значения давления начала впрыскивания топлива
| Дизели | Давление начала впрыскивания, МПа |
| ЯМЗ-240Б, СМД-60, СМД-62, А-41, СМД-14, СМД-18Н, Д-240, Д-240Т | 16,5...17,0 |
| Д-241, Д-242, Д-65, Д-144 | 17,5...18,0 |
Если звук впрыскивания слабый и не имеет характерного для исправного распылителя оттенка, форсунку снимают, разбирают, очищают распылитель от отложений. Собирают форсунку и проверяют прибором КИ-15706 (рисунок 6).
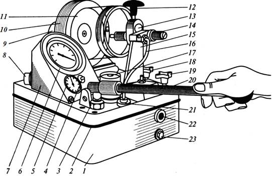
Прибор КИ-15706 состоит из корпуса 1, одновременно служащего баком для топлива. Корпус закрыт крышкой 2, на которой смонтированы кожух 7 с манометром 6 и секундомером 5, камера впрыскивания 77, вентилятор 10 с приводом от электродвигателя 9, клапанная коробка с двумя кранами 18 и 19, сапун 17, кронштейн 15, в котором винтом 12 и призмой 13 закреплена проверяемая форсунка 14. Привод плунжерного насоса 3 осуществляется с помощью рукоятки 20. Топливо от выходного штуцера 21 к форсунке подводится по топливопроводу 16.
Вставляют в кронштейн 15 испытываемую форсунку и закрепляют ее винтом 12. Присоединяют сменный топливопровод 16 к штуцеру прибора и к штуцеру форсунки. Вывертывают крышку сапуна 17 до полного открытия выпускных отверстий. Открывают краны 18 и 19 отключения манометра и сливной. Включают вентилятор. Перемещая рукоятку 20 со скоростью 35...40 качков в минуту, по максимальному отклонению стрелки манометра определяют давление начала впрыскивания топлива. По скорости падения давления оценивают герметичность распылителя. Негерметичный распылитель заменяют.

1 — корпус; 2 — крышка; 3 — плунжерный насос; 4 — включатель; 5 — секундомер; 6 — манометр; 7 — кожух; 8 — вставка; 9 — электродвигатель; 10 — вентилятор; 11 — камера впрыскивания; 12 — зажимной винт; 13 — призма; 14 — проверяемая форсунка; 15 — кронштейн; 16 — топливопровод; 17 — сапун; 18, 19 — краны; 20 — рукоятка; 21 — выходной штуцер; 22 — указатель уровня топлива; 23 — сливная пробка
Рисунок 6 — Проверка состояния форсунки прибором КИ-15706
Если давление начала впрыскивания топлива отличается от значений, приведенных в таблице 5, более чем на ±0,5 МПа, регулируют форсунку регулировочным винтом при снятом защитном колпаке. Затем, перекрыв кран отключения манометра, проверяют качество распыливания топлива. Распыливание должно быть туманообразным, без заметных на глаз капелек и струй, а впрыскивание должно сопровождаться резким прерывистым звуком. При неудовлетворительном качестве распыливания топлива распылитель заменяют.






