ЦАП с матрицей звездообразного типа
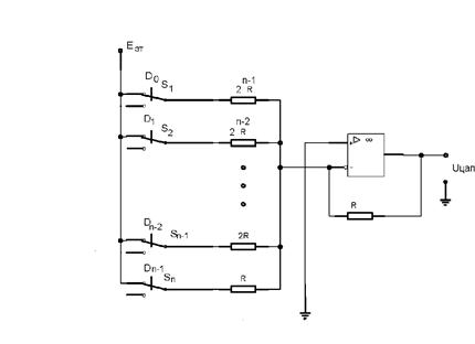
Кроме матрицы R-2R в ЦАП при числе разрядов не более десяти иногда используется звездообразная матрица (рис. 7.8). Она содержит меньше резисторов по-сравнению с предыдущей, но имеются определенные технологические трудности при изготовлении прецизионных сопротивлений больших номиналов.

Рис.7.8. ЦАП с матрицей звездообразного типа
Аналого-цифровые преобразователи (АЦП) предназначены для преобразования аналоговых (непрерывных) сигналов в цифровую форму. Преобразование аналогового сигнала происходит в определенные моменты времени, которые называются точками отсчета. Количество отсчетов за единицу времени определяет частоту дискретизации (преобразования), которая, в свою очередь, определяется быстродействием и условиями использования АЦП. Интервал времени между отсчетами Тотс и частота дискретизации fпр связаны соотношением:
Тотс = 1/fпр.
В измерительной технике для преобразования медленно меняющихся процессов частота преобразования может быть установлена небольшой - единицы Герц и менее. В устройствах, где требуется преобразовывать сигналы в масштабе реального времени, частота преобразования выбирается из условия достижения максимальной точности восстановления цифрового сигнала в исходную аналоговую форму. Например, преобразование речевого сигнала в дискретную форму. При этом частота дискретизации определяется как fпр = 2Fмах, где Fмах - максимальная частота речевого сигнала.
|
|
|
Для обеспечения преобразования без искажений требуется выполнение условия:
tпр < Тотс,
где tпр - время преобразования АЦП одного отсчета.
Основные параметры АЦП определяются также как и параметры ЦАП
(см. п. 7.1).
По принципу дискретизации и структуре построения АЦП делятся на две группы: 1-группа АЦП с применением ЦАП и 2-группа АЦП без ЦАП.
К первой группе относятся:
- АЦП последовательного счета (развёртывающего типа);
- АЦП последовательного приближения (поразрядного уравновешивания);
- следящий АЦП.
Ко второй группе относятся:
- АЦП прямого преобразования;
- АЦП двойного интегрирования;
- АЦП дифференциального кодирования.
Каждый тип АЦП имеет свои достоинства и недостатки. На практике встречаются все выше перечисленные типы АЦП.
Сравнительные характеристики АЦП. Наибольшим быстродействием обладают АЦП прямого преобразования (параллельные АЦП). Время преобразования tпр достигает 10 -20 нсек. Они используются для преобразования сигналов сверхбыстро протекающих процессов и сигналов телевизионного изображения (цифровое телевидение). Они отличаются высокой стоимостью и большой потребляемой мощностью. Функциональная схема АЦП прямого преобразования приведена на
|
|
|
рис. 7.9. Она содержит 2n компараторов, делитель опорного напряжения и преобразователь позиционного кода в параллельный двоичный код. Промышленностью выпускаются 4, 6, 8 - разрядные АЦП прямого преобразования. Время преобразования этих АЦП определяется исключительно только временем распространения сигнала в компараторах tздкр и преобразователе кодов tздпр, т.е.
tпр = tздкр + tздпр.

По своему быстродействию на втором месте находятся АЦП последовательного приближения (рис. 7.10). Время преобразования n- разрядного АЦП определяется как tпр = nТ + 3Т, где Т - период следования тактовых импульсов, соответствующий времени выборки одного кванта. Дополнительные 3 такта используются для старта(запуска) и формирования сигналов признака завершения процесса преобразования (сигнала “конец преобразования”).
Принцип работы АЦП последовательного приближения иллюстрируется на
рис. 7.11. После запуска, на выходе АЦП устатанавливается число, соответствующее половине напряжения полной шкалы Uпш / 2. Это напряжение сравнивается с входным

напряжением Uвх и, в зависимости от результата сравнения, компаратор вырабатывает два сигнала: U1, когда Uвых ЦАП > Uвх и U2 при Uвых ЦАП < Uвх. Если Uвых ЦАП меньше, чем Uвх ЛСУ вырабатывает команду, при которой к содержимому регистра последовательного приближения РПП прибавляется число, соответствующее половине напряжения, установленного в предыдущем такте. Если же Uвых ЦАП > Uвх , то из содержимого РПП это число вычитается (см. рис. 7.11). Это происходит до тех пор, пока напряжение приращения не станет равным DUкв, т.е. Un = DUкв =Uпш/2n..

Наибольшим времением преобразования (среди АЦП с использованием ЦАП) обладает АЦП последовательного счетаtпр = 2n Т. Они проще в изготовлении и имеют наименьшую стоимость. Погрешность преобразования таких АЦП определяется, в основном, погрешностью ЦАП и может быть доведена до значений прецизионных преобразователей. АЦП последовательного счета переводит аналоговый сигнал в цифровой последовательно, начиная с младшего значащего разряда до цифрового кода на выходе, соответствующего уровню входного аналогового напряжения АЦП. Структурная схема такого АЦП приведена
на рис. 7.12, а.
С генератора тактовых импульсов через электронный ключ ЭК, который открывается в момент выборки входного аналогового сигнала схемой запуска (СЗ), последовательность импульсов поступает на n- разрядный двоичный счетчик (СЧ). Выход счетчика является выходом АЦП и одновременно управляет схемой ЦАП,

вырабатывающей ступенчато нарастающее напряжение (см. рис. 103, б). В момент, когда выходное напряжение ЦАП станет равным входному, компаратор (СР) вырабатывает сигнал, опрокидывающий триггер (ТГ). При этом, сигнал с выхода триггера закроет электронный ключ и остановит счетчик. Содержание счетчика Nсч после его остановки будет соответствовать числу, определяемому входным аналоговым сигналом
Nсч = Uвх/ DUкв.
Наибольшее число в счетчике соответствует входному напряжению, равному Uпш. При этом Nсч = 2n.






