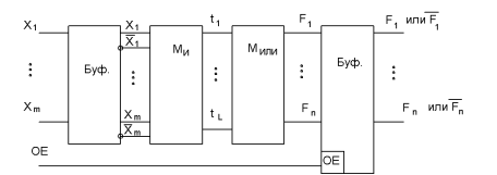
Программируемые логические матрицы появились в середине 70-х годов прошлого века. Их основой служат последовательно включенные программируемые матрицы элементов И и ИЛИ (рис. 4.1.). В ПЛМ входят также блоки входных и выходных буферных каскадов.

Рис. 4.1. Базовая структура ПЛМ
Основными параметрами ПЛМ является число входов m, число термов L, и число выходов n.
Схема ПЛМ на вентильном уровне показана на рис. 2. Программируемые точки связей (ПТС) на рисунке обозначены «х».

Рис.4.2 Схема ПЛМ на вентильном уровне
Как следует из рис. 4.2, ПЛМ реализует дизъюнктивную нормальную форму воспроизводимых функций. Какие именно термы будут выработаны, и какие комбинации этих термов составят выходные функции, определяется программированием ПЛМ.
Выпускаются ПЛМ как на основе биполярной, так и МОП- технологии. ПТС реализуются на основе пережигаемых перемычек. В последнее время все чаще ПТС реализуются на МОП транзисторах с плавающим затвором, т. е. ПЛМ получается электрически перепрограммируемой.
|
|
|
Во многих случаях, например, при реализации большинства типичных для практики переключательных функций ПЛМ обладает излишней «логической мощностью», поэтому используют более простую логическую структуру, называемую программируемой матрицей логики (ПМЛ), которая представлена на рис. 3.

Рис. 4.3. Структура ПМЛ
В отличие от ПЛМ ПМЛ имеют матрицу элементов ИЛИ с уменьшенным числом входов, которые жестко подключены к определенным выходам матрицы элементов И, т. е. здесь существенно уменьшено число ПТС и, соответственно, функциональные возможности. Тем не менее, несмотря на это они находят применение в следствие более низкой стоимости и более простого программирования.
За рубежом ПМЛ получили широкое распространение. Примером может служить микросхема PAL 22V10. У этой микросхемы 10 выходов, различающихся числом подключенных к ним конъюкторов. Причем разные выходы имеют от 8 до16 конъюнкторов. Выходные функции вырабатываются не просто дизъюнкторами, а более сложными схемами, называемыми макроэлементами (макроячейками).
Схема каждого микроэлемента содержит D-триггер. Програми сование осуществляется путем пережигания перемычек. Причем любой из 10 программируемых выводов может быть использован и как вход и как выход.