РП, ЛСН и зелёная лампа РП.


При переводе ручки КВ в,,Ход’’ – поезд не идёт, горят светодиоды РП, ЛСН и,, Зелёная лампа РП ’’
Причины:
Постороннее питание на 24-м поездном проводе, что вызовет сработку РЗ-2
на всём составе, а следовательно и сработку РП на всём составе.
1. Замыкание в кондуите или в автосцепке любого поездного провода находящегося под напряжением с 24-м проводом. Например: 10-й провод с 24-м проводом
2. После пользования импульсной кнопкой КСН, из-за её неисправности, она осталась во включённом положении или её заклинило из-за перекоса и её контакты остались замкнуты.
3.Замыкание в кондуите или в автосцепке, 1-го или 20-го провода
с 24-м проводом и при переводе ручки КВ в,,Ход’’ возникает данный случай.
Действия машиниста:
- Переводит ручку КВ из,,Ход’’ в,,0’’.
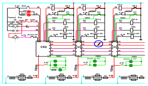
В контроллере машиниста одновременно размыкается кулачёк У2 и замыкается кулачёк У4 в цепи,,Возврат РП’’. Красные светодиоды РП, ЛСН гаснут после размыкания кулачка У2, зелёная лампа РП продолжает гореть по цепи: 10 провод, А-27, 3-ри параллельных цепи зелёных ламп (2-х бортовых и 1-ой на пульте управления), 10 АН провод вспомогательн. схемы, СК2, 10АН схемы управления, замкнутая (после сработки РП) блокировка РП,,,земля’’.
|
|
|
- Нажимает на кнопку,, Возврат РП ’’.
После нажатия кнопки,,Возврат РП’’, в каждом вагоне получает питание катушка реле,,Возврат РП’’, что приведёт к размыканию блокировки РП в цепи зелёных ламп и замыканию в цепях 1-го, 20-го, Б7 проводах.
Зелёные лампы гаснут.






