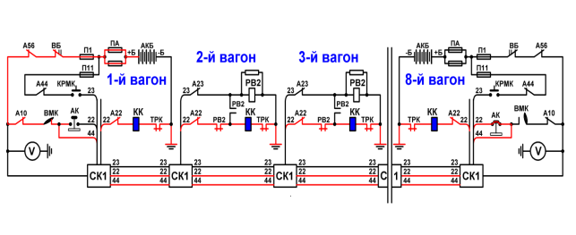
Схема работы М/К с вкл. АК в хвостовом вагоне.

Причины:
1. Нет напряжения на 10 проводе (чисто теоретическая, т. к. будет потеря управления)
2. Отключён выключатель М/К,
3. Выбит автомат защиты — А10,
4. Неисправность регуляторов давления (АК) одновременно в головном и в хвостовом вагоне.
Действия машиниста:
1. Проверяет положение выключателя М/К.
а) Отключён — Включает и продолжает работу.
б) Включён
2. Поверяет положение А-10
а) Выбит — восстанавливает его.
1) А-10 не отключается – Продолжает работу.
2) А-10 при восстановлении вновь отключается (причина: К.З. на 22-м поездном проводе).
Действия машиниста:
1. Докладывает ДЦХ о неисправности,
2. С пассажирами следует до деповской станции, далее в депо.
В пути следования пользуется резервной кнопкой М/К (КРМК)
б) А-10 — не выбит.
4. Неисправность АК, как в головном, так и в хвостовом вагоне.
Переходит на работу от кнопки КРМК.
Докладывает ДЦХ о неисправности,
Следует с пассажирами до деповской станции, где высаживает пассажиров из поезда и следует в депо.
Если от КРМК МК не работают при включённом А44 и целом П11, а давление в
НМ 5атм и менее, машинист следует в хвостовую кабину, где нажимает КРМК
и пополняет давление в НМ, далее в ближайший тупик.
Если и в хвостовой кабине МК не заработали, вызывает вспомогательный поезд.






