При переводе главной ручки КВ из,,Ходового’’ положения в,,0’’, двигатели продолжают работать,
на пульте горит лампа ЛВД.
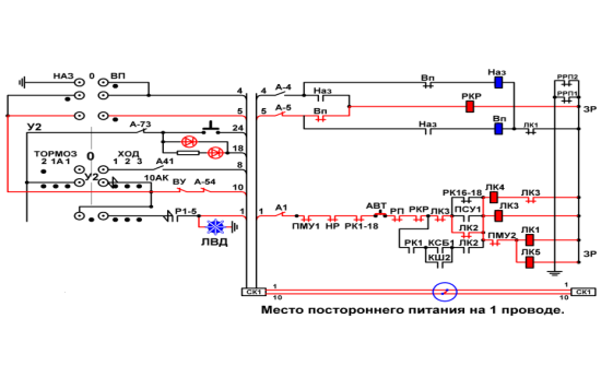
Причины: Приварился контакт Р1-5 или постороннее питание на 1-м поездном проводе.

После перевода главной ручки КВ из положения,,Ход’’ в,,0’’, ходовое положение продолжается:
а) на пульте продолжает гореть лампа ЛВД;
б) в кабине управления амперметр ТД показывает ходовой ток;
в) скоростемер показывает увеличение скорости;
г) ТД продолжают работать.
Действия машиниста:
1. Отключает ВУ.
а) Самоход прекратился.
Причина: приварился контакт Р1-5 в цепи 1-го провода.
а) лампа ЛВД — погасла;
б) амперметр — показывает,,0’’;
в) скоростемер — показывает уменьшение скорости за счёт внутреннего и внешнего сопротивления;
2. Включает ВУ
После включения ВУ самохода не будет, т.к. главная ручка КВ находится в нулевом положении и:
1. кулачёк У2 – разомкнут и провод У2 обесточен,
2. кулачёк 20 провода – разомкнут, а следовательно ЛК-2 не включится,
3. ПМТ – в положении ПТ и контакты ПМУ1, ПМУ2 разомкнуты,
|
|
|
3. Докладывает ДЦХ, остановку поезда после включения ВУ производит пневматическим тормозом,
т.к. при переводе гл.ручки КВ в,,Тормоз’’, кулачёк 1-го пр. находится под напряжением, (ЛВД - горит) будет тянуть дугу. Кулачёк 1-го пр. без дугогасительной камеры и при его неоднократном размыкании возможно его перегорание.
4. На ближайшей станции высаживает пассажиров.
5. После высадки пассажиров и закрытия дверей, следует в депо.
2. После отключения ВУ
б) Самоход прекратился, при этом:
а) лампа ЛВД — продолжает гореть
б) амперметр — показывает,,0’’;
в) скоростемер — показывает уменьшение скорости.
Если, после отключения ВУ, лампа ЛВД — горит, следовательно контакт Р1-5 не приварился, т.е. разомкнут.
Причина: Постороннее питание на 1-м поездном проводе.
Но, лампа ЛВД продолжает гореть по цепи: любой провод находящийся под напряжением замкнутый с 1-м поездным проводом (постороннее питание), СК1, 1-й провод на пульте управления, лампа ЛВД,,,земля’’. Отключение ВУ обесточивает провод 10АК, а следовательно 5-й поездной провод.
В каждом вагоне в цепи 5-го вагонного провода отключается РКР и размыкает свою блокировку в цепи ЛК1, ЛК-3, ЛК-5 и ЛК-4. Линейные контакторы отключаются и самоход поезда ликвидируется.
Действия машиниста:
2. Включает ВУ
После включения ВУ:
а) Включается РКР, замыкая свою блокировку в цепи 1-го провода,
б) РК, после отключения всех ЛК, возвращается по цепи возврат на 1-ю позицию и замыкает свои блокировки в цепи 1-го провода и в цепи КШ1-2,
в) КШ1-2 включаются и замыкают свои блокировки в цепи ПМ и в цепи 1-го провода,
г) ПМТ из ПТ переходит в ПМ и его блокировки ПМУ-1, ПМУ-2 замыкаются в цепи 1-го,
|
|
|
Но, ТД не включаются, т.к. рукоятка КВ находится в,,0’’ положении и кулачёк 20-го провода разомкнут и 20-й провод обесточен и ЛК-2 отключён и его блокировка в цепи 1-го провода разомкнута, следовательно ЛК-1, ЛК-3, ЛК-5 и ЛК-4 не включатся, т.е. ходового режима не будет.
2.1. Докладывает ДЦХ,
2.2 Остановку производит пневматическим тормозом,
2.3. На ближайшей станции высаживает пассажиров,
2.4. После высадки пассажиров и закрытия дверей, следует в депо и для отключения ТД использует ВУ.






