Ресурсный отказ – отказ, в результате которого объект достигает предельного состояния.
При полной потере работоспособности возникает полный отказ, при частичной – частичный отказ.
Внезапный отказ – отказ, характеризующийся скачкообразным изменением одного или нескольких значений параметров объекта.
Например, в сферу эксплуатации могут проникать дефектные элементы: резистор с недостаточно прочным креплением токоотвода; интегральная микросхема, у которой соединение вывода с печатным монтажом недостаточно прочное, и т.д.
Постепенный отказ - отказ, характеризующийся постепенным изменением одного или нескольких параметров главным образом вследствие износа и старения материалов.
Отказ может быть кратковременным самоустраняющимся. В этом случае он называется сбоем. Причиной сбоя может быть либо кратковременный отказ аппаратуры (например, кратковременное нарушение контакта в разъеме), либо кратковременно действующая помеха, либо дефекты программы, приводящие к неблагоприятным режимам работы аппаратуры. Опасность сбоев заключается в том, что их трудно и часто даже невозможно обнаружить в процессе работы аппаратуры.
Перемежающийся отказ – многократно возникающий самоустраняющийся отказ одного и того же характера.
Отказы информационных систем целесообразно подразделить на аппаратурные и программные.
Аппаратурным отказом принято считать событие, при котором объект переходит в неисправное состояние и для его восстановления требуется проведение ремонта аппаратуры или замена отказавшего элемента на исправный.
Программным отказом принято считать событие, при котором объект утрачивает работоспособность по причине несовершенства программы (несовершенство алгоритма решения задачи, отсутствие программного контроля за состоянием изделия, ошибки в представлении программы на физическом носителе и т.п.)
В непосредственной связи с понятием «надежность» находиться понятие «эффективность».
Эффективностью объекта называется свойство объекта выдавать некоторый полезный результат (эффект) при использовании его по назначению. Использование понятия «эффективность» в теории надежности вызвано тем, что оно позволяет расширить представление о надежности сложных объектов, для которых возможны не только полные, но и частичные отказы. В этом случае необходимо определить степень значимости отказов – их влияние на эффективность объекта.
Восстановление – процесс обнаружения и устранения отказа или повреждения с целью восстановления работоспособного (исправного) состояния объекта (Рис.1.).
Восстанавливаемый объект – объект, для которого в рассматриваемой ситуации предусмотрено проведение восстановления работоспособного состояния.
Невосстанавливаемый объект – объект, для которого в рассматриваемой ситуации не предусмотрено проведение восстановления работоспособного состояния.
Технический ресурс – наработка объекта от начала эксплуатации до перехода в предельное состояние.
Срок службы – календарная продолжительность от начала эксплуатации объекта до перехода его в предельное состояние.
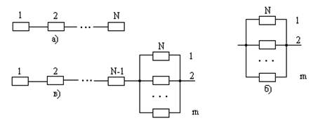
При оценке надежности объекта строится структурная схема соединения его элементов. Различают следующие виды соединения элементов в объекте:
· Последовательное (основное),
· параллельное (резервное),
· смешанное (Рис.2).
При последовательном соединении элементов объект отказывает при отказе любого из N элементов (Рис.2,а), т.е. объект будет работоспособен при совместном работоспособном состоянии всех его элементов.
При параллельном (резервном) соединении элементов объект отказывает при совместном отказе всех его M элементов (Рис.2,б), т.е. объект будет выполнять заданные функции, если работоспособен хотя бы один из его элементов.

Рис.2. Виды соединения элементов:
а - последовательное; б - параллельное; в - смешанное.
При смешанном соединении элементов объект отказывает при отказе любого из N-1 последовательно соединенных элементов или при совместном отказе всех M параллельно соединенных элементов типа N (Рис.2,в). Следует знать, что структурная (логическая) схема и электрическая схема не всегда выглядят одинаково.






