Внецентренно-нагруженный фундамент можно запроектировать более экономичным, увеличивая длину
в плоскости действия момента и одновременно уменьшая ширину b, оставляя неизменной площадь А, а затем смещая центр тяжести площади фундамента относительно оси колонны в направлении эксцентриситета, как показано на рисунке 6. При этом можно добиться центрального нагружения фундамента или уменьшения краевых давлений над его подошвой.
4.4 Последовательность определения размеров фундамента (рисунок 7).
1. Определяют требуемую площадь фундамента:

2. Назначают размеры:
монолитного ж/б фундамента, округляя размеры
до 0,1 м или принимают типовые фундаментные блоки.
3. Определяют требуемую высоту фундамента h по формуле
или конструктивно по формуле 
4. Разбивают фундамент на уступы:

5. Определяют собственный вес фундамента:

6. Определяют вес грунта на уступах фундамента:

7. Определяют среднее давление под подошвой фундамента:

8. Определяют R – расчетное сопротивление грунтов основания по формуле (15)
|
|
|
9. Проверяют выполнение условия 
10. Если получилось, что
, то увеличивают (уменьшают) размеры фундамента, используя:

Затем назначают новые размеры фундамента, добиваясь выполнения условия (14) в пределах 10%.
11. Производят расчет деформации основания (см. главу 6) по условию 
12. Производят расчет и конструирование тела фундамента:
· Проверка условия на продавливание:

– продавливающая сила; 
Р – среднее значение давления от расчетных нагрузок
Апр – площадь продавливания

- рабочая высота фундамента
· Проверка высоты нижнего уступа:

– расчетная нагрузка на фундамент без учета собственного веса ф-та.

- размер поперечного сечения колонны
· Определяем площадь арматуры по подошве в сечениях по грани колонны и уступов. Величина расчетного изгибающего момента по грани колонны равна:

Арматура подбирается по формуле:

Расчетная схема №3 Расчетная схема №4
(Рисунок 8) (Рисунок 9)

Расчетная схема №3 (рис. 8)
1. Определяют: 
2. Назначают b принимая фундаментный блок и количество рядов типовых стеновых блоков.
3. Определяют:

Где: Q – вес блока;
- длина блока; n – количество рядов
4. Определяют вес грунта:

5. Определяют:

6. Проверяют условия:
· 
· 
·
; 
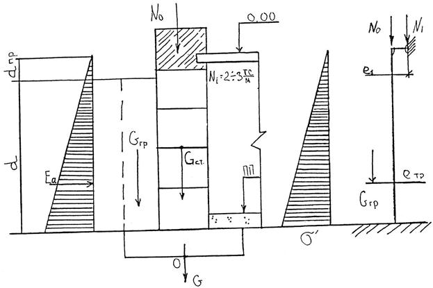
Расчетная схема №4 (рис. 9)
Фундамент рассматривают как подпорную стенку. Определяют:
1. 
2.
(см. схему 3)
3.
(см. схему 3)
4.
(см. схему 3)
5. 
6. 
7. 
- определенное значение угла внутреннего трения вышележащих грунтов

8. R – по формуле (15)
9. 
10. 

11. Проверяют условие, где 
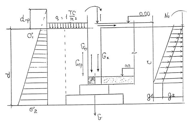
Рисунок 10

Расчетная схема №5
Рисунок 11
Расчетная схема №6
Расчетная схема №5 (рис. 10)
Назначение размеров, определение веса фундамента и грунта производится так же, как и в расчетной схеме 3 и 4. Если обратная засыпка производится до устройства перекрытия, то расчет производится как для подпорной стенки. Если же засыпка производится монтажа перекрытия над подвалом, то приближенно момент можно определить по формуле:
|
|
|


Расчетная схема №6 (рис. 11)

Фундамент считают незащемленным в грунте. Нагрузку на стену раскладывают на равномерную и треугольную. При шаге колонн L получают:

Момент в заделке, т.е. по подошве находим как для статически неопределимой балки.
При:
, где d – глубина заложения фундамента:

Далее определяем суммарные усилия на уровне подошвы фундамента:


Затем проверяют выполнение условия:







