Английское resistor, от латинского resisto – сопротивляюсь.
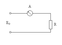
Устройство на основе проводника с нормированным постоянным или регулируемым омическим сопротивлением. Представим электрическую цепь (рисунок 1.1). Ток в цепи будет определяться законом Ома.
, где U=E0

Рисунок 1.1 – Электрическая цепь
На рисунке 1.1 резистор изображен в виде прямоугольника (европейский стандарт). На американских схемах резистор представляют по-другому, как показано на рисунке 1.2 (американский стандарт).
Рисунок 1.2 – Резистор в американском стандарте
При изменении величины сопротивления резистора, изменяется величина тока амперметра. Если условно сравнить электрическую цепь с водопроводной трубой, то резистор подобен вентилю (крану), регулирующему поток воды.
Выделяют постоянные резисторы, переменные (потенциометры) и резисторы-датчики. Условные изображения приведены на рисунке 1.3.

Рисунок 1.3 – Условные изображения резисторов
Основу резистора составляет резистивный элемент, выполняемый из специальных резисторных материалов.
|
|
|
Требования к резисторным материалам – стабильность, независимость от температуры, освещённости, отсутствие старения и т.д. Для постоянных резисторов имеются таблицы стандартных значений, выпускаемых промышленностью. В этих таблицах приводятся цифры для разных классов точности и, соответственно, цены, чем выше точность, тем дороже. В более полных справочных или заводских данных указываются величины паразитных индуктивностей и емкостей, один из вариантов включения которых изображен на рисунке 1.4.

Рисунок 1.4 – Резистор R с паразитными индуктивностью L и емкостью С
Паразитные индуктивность L и емкость C ухудшают свойства резистора R, поэтому стараются выбрать те элементы, которые имеют резистивность в более чистом виде (но дороже).
В каталогах и справочниках также выделяют стандартные значения мощностей рассеяния – от десятых долей Ватта и более. Резисторы, так же как и другие электрические элементы, располагают на печатных платах – диэлектрических пластинах, первоначально покрытых фольгой (например, из меди); затем, путём травления, образуются проводники, соединяющие выводы элементов электронной схемы. Без печатной платы – нет электронной схемы. Например, микроконтроллер (разъём для него) помещается на печатную плату так же как и другие элементы – резисторы, конденсаторы, транзисторы и т.д. Предпочтительны бессвинцовые припои для пайки выводов, потому что свинец ядовит.
У переменных резисторов (потенциометров) имеется подвижный (скользящий) контакт. Выделяют подстроечные (слабые по износоустойчивости) и регулировочные (высокоустойчивые) потенциометры.
|
|
|
В зависимости от конструкции выделяют плёночные, объёмные, фольговые, проволочные и т.д. резисторы.
При движении электроны испытывают столкновения, возникает собственный шум. Необходимо выбирать резисторы с минимальным уровнем шумов, повышается помехоустойчивость электронной схемы.
При взгляде на печатную плату с электронными элементами, если на ней будут расположены резисторы размером с палец руки, сразу можно сделать вывод о том, что схема спроектирована неграмотно. С точки зрения экономичности, электронной культуры, размеры и мощность рассеяния резисторов должны быть минимальными (меньше 0,5 Ватт).
Предельное рабочее напряжение Uп для каждого типа резистора устанавливается исходя из его конструкции. Лежит в пределах от долей вольта до нескольких киловольт.
Примеры сплавов для проволочных резисторов – константан, манганин и др.
Потенциометры могут иметь пропорциональную и непропорциональную зависимости сопротивления от положения движка.
Резисторы-датчики – это терморезисторы, варисторы, фоторезисторы и т.д. Варисторы – это резисторы, сопротивление которых изменяется под действием приложенного напряжения, характеристика нелинейна. Слово «нелинейная» означает кривую линию. Так принято в электронике, автоматике. Более точно – «криволинейная».
Одной из важнейших характеристик резисторов является радиационная устойчивость. В равной мере это же относится и ко всем другим элементам электроники, определяет надежность, вероятность исправной работы.
Единицы сопротивления – Ом, килом(103 Ом), мегом(106 Ом).