От английских слов transfer – переносить и резистор - электронный прибор на основе полупроводникового кристалла, имеющий три (или более) электрода (вывода) (но не ног), предназначен для усиления, генерирования, преобразования электрических колебаний. Изобретен американскими ученными У. Шокли, У. Браттейном и Дж. Бардином в 1948 году.
Первые транзисторы были биполярными (т.е. двухполярными) p-n-p и n-p-n, как показано на рисунке 1.35.
Слово «двухполярные» или «биполярные» означает, что в областях (слоях) транзистора образованы два типа проводимости, два типа носителей, дырки и электроны; для области p – дырки, положительно заряженные, для области n – электроны, отрицательно заряженные, причем электроны в несколько раз подвижнее, чем дырки (в 5-6 раз), поэтому в технике более часто используют транзисторы n-p-n (рисунок 1.35, в);г)), так как они высокочастотнее, благодаря повышенной подвижности. При этом имеют ввиду, что основные носители для области p – дырки, для области n- электроны, неосновные носители для области p – электроны, для области n – дырки.
|
|
|

а) б) в) г)
Рисунок 1.35 – p-n-p транзистор а),б); n-p-n транзистор в),г)
Средняя часть этих биполярных транзисторов называется базой, верхняя часть – коллектором, нижняя часть – эмиттером. Наиболее часто используется 3 вида технологии для образования примыкающих друг к другу областей: сплавная, диффузионная, эпитаксиальная. При сплавной технологии производится сплавление областей, при диффузионной технологии (от латинского diffusio – распространение, растекание) в полупроводник диффузируют примеси, образующие последовательно p и n области, сначала одну, потом другую, затем третью. Ничтожное количество примесей достаточно для образования p и n областей. Процесс производят в вакуумных камерах при температурах несколько сот градусов. Необходима высокая точность диффузирования, это недостаток, поэтому следующий вариант эпитаксиальное выращивание (от греческого epi-на, над, при и taxis – расположение, порядок), когда поочередно на полупроводник осаждаются тонкие плёнки эмиттера, базы, коллектора. Поэтому процесс проще и более точные результаты. Если используется плоскость, пластина, то название – планарная технология. Известны различные методы эпитаксиального выращивания, температура 800-15000 С, например ГФЭ, ЖФЭ, и др (газофазная эпитаксия, жидкостная).
В историческом плане первыми были p-n-p транзисторы, позже – n-p-n.
Различают 3 варианта работы транзисторов – аналоговый (линейный, усилительный), инверсный и импульсный (отсечки и насыщения). Для транзистора p-n-p в линейном режиме необходимо пропускать ток по цепи эмиттер-база. При этом основные носители – дырки в p-области переходит в n-область базы, где становятся неосновными носителями, распространяются по области базы и делятся на 2 части, одна уходит в базовый электрод, а вторая (большая) – в коллекторную область и далее – в коллекторный электрод, среднее отношение между этими частями 1:100, т.е. базовый ток примерно в сто раз меньше коллекторного, но вообще, это соотношение может быть и другим.
|
|
|
В структуре рисунка 1.35 в) электроны базового проводника вводятся в качестве неосновных носителей в область базы, диффузируют в области базы и затем, в качестве основных носителей перемещается в эмиттерную область и далее в проводник эмиттера. Так как коллектор транзистора n-p-n имеет положительный потенциал по отношению к базе, то на границе коллектор-база образуется потенциальный барьер, как у диода. Неосновные носители – электроны, поступающие в базовую p-область из базового электрода, снижают этот уровень потенциального барьера, следовательно, увеличивается ток через этот барьер по цепи коллектор-база-эмиттер: чем больше ток базы, тем ниже потенциальный барьер, больше ток коллектора. Аналогичный физический смысл для транзистора p-n-p.
Уточненная схема замещения биполярного транзистора приведена на рисунке 1.36.

Рисунок 1.36 – Схема замещения биполярного транзистора
В этой схеме h12Uкэ – источник напряжения; h21iб – источник тока; h22 – проводимость;
| | | |
Параметр h12 называют обратной передачей по напряжению, h22 – выходная проводимость
В литературе по электронике приводится типовое семейство характеристик транзистора, как изображено на рисунке 1.37.

Рисунок 1.37 – Типовое семейство выходных характеристик биполярного транзистора
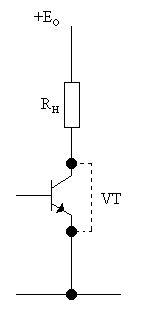
Слева у семейства – линия насыщения, она одна и та же для всех значений базового тока, но для больших значений тока базы она продлевается вверх, до тех пор, пока не образуется колено перехода линии в активную область. Принято считать, что если рабочая точка процесса находится на линии насыщения, то транзистор насыщен, открыт, ток коллектора не зависит от тока базы, транзистор неуправляем. Например, в схеме рисунка 1.38 а) в режиме насыщения, ток в цепи зависит от величин напряжения +E0 и сопротивление резистора Rн, а транзистор в первом приближении можно считать закороченным, как показано штриховой линией.

а) б)
Рисунок 1.38 – Транзистор VT совместно с резистором Rн в режиме насыщения а); семейство выходных характеристик на которых расположена нагрузочная прямая Rн и рабочая точка 2 для Iб3, б)
На семействе рисунка 1.38,б) нагрузка Rн изображена в виде прямой Rн.Точка E0 это напряжение питания, центр вращения нагрузочной прямой Rн, которая всегда проходит через E0. Если транзистор заперт (закрыт), то рабочая точка почти совпадает с E0, говорят, что имеет место «отсечка» - закрытое состояние. Точку 1 находят по цифре E0: Rн, т.е. отношение отрезков на горизонтальной оси ∆U и вертикальной ∆I, отсекаемых нагрузочной прямой, определяет цифру Rн

Точка пересечения нагрузочной прямой с линией насыщения 2 определяет состояние насыщения (точка насыщения). Отсечка (закрытое состояние) и насыщение (открытое состояние) применяется в импульсном режиме транзистора, потери мощности на нем в этих состояниях минимальны, следовательно КПД максимален (95% и более). Переход между этими точками производится за возможно кратчайшее время, скачки, чтобы уменьшить потери на транзисторе в активной области. В современной электронике стремятся, чтобы большинство процессов преобразования производились в импульсной форме с целью экономии энергозатрат.
Для рисунка 1.38, б) только для тока Iб3 и больших значений Iб возможно состояние насыщения (точка 2 и другие для больших Iб). Для меньших Iб (Iб1, Iб2) состояние насыщения невозможно, так как нет точки пересечения этих характеристик с нагрузочной прямой на линии насыщения.
|
|
|
В активной области КПД конечно, хуже (теоретически не более 50%). Тем не менее её используют там, где необходимо сделать проще, где потребление невелико и им можно пренебречь и где необходимо устранить дробовой эффект от импульсного, скачкообразного перехода из насыщения в отсечку и обратно, например, в высококачественных электронных музыкальных инструментах и т.д. Для активной области считается справедливым пропорциональная зависимость между током коллектора и током базы
, где
– коэффициент усиления по току для схемы с общим эмиттером ОЭ (рисунок 1.39, б)):
, где α – коэффициент усиления по току для схемы с общей базой ОБ (рисунок 1.39, а))
Усредненные свойства схем следующие. Схема ОЭ (рисунок 1.39,б)) применяется наиболее часто потому, что она дает наибольшее усиление по току, напряжению, мощности, в сравнении с другими (ОБ и ОК). Она инвертирует входной сигнал, поэтому часто называется инвертором. Принцип инвертирования иллюстрируется рисунком 1.40.

а) б) в)
Рисунок 1.39 - Схема ОБ, а); схема ОЭ, б); схема ОК, в)

Рисунок 1.40 – Инвертирование входного сигнала для схемы с ОЭ.
Первый полупериод базового тока (биполярные транзисторы управляются током, в отличие от полевых транзисторов, которые управляются напряжением) в положительной области приоткрывает транзистор (так как базовый ток в активной области возрастает), следовательно, падение напряжения на уменьшившемся сопротивлении транзистора убывает, а на резисторе Rк – возрастает (при постоянном E0). Поэтому полупериод на выходе транзистора убывает, напряжение в области уменьшения, инверсия и т.д.
Входное сопротивление схемы рисунка 1.39, б) (ОЭ) среднее между схемами 1.39, а) и в), поэтому подобные каскады проще согласовывать друг с другом, без дополнительных согласующих устройств (входное – несколько килоом, выходное – несколько десятков килоом).
Недостатки схемы – она хуже схем рисунка 1.39, а), в) в отношении температурной стабильности, полосы пропускания, линейных и нелинейных искажений и т.д. На рисунке 1.41 приведена простейшая замкнутая система автоматического управления с положительной обратной связью:
|
|
|
Рисунок 1.41 – Простейшая замкнутая система автоматического управления с положительной обратной связью
Ее коэффициент передачи равен:

Из сравнения этой передаточной функции с коэффициентом усиления транзистора по току в схеме с ОЭ делаем вывод о наличии в нем положительной обратной связи. Следовательно, выводы о свойствах структурах рисунка 1.41 и схемы ОЭ подобны.

При использовании активной области транзистора вначале строят рабочую область, как показано на рисунке 1.42:

Рисунок 1.42 – Рабочая область транзистора
Слева на рисунке 1.42 проводят прямую, отсекающую существенную кривизну характеристик. Сверху и справа проводят границы Iдоп и Uдоп из справочников или каталогов. Снизу – линия неуправляемой границы – ток транзистора при Iб=0 и наибольшей температуре. Справа в боковой части гипербола рассеивания Pрасс. Затем откладывают точку E0 и через нее проводят нагрузочную прямую. Если необходимо наибольшее усиление по току, то прямая Rн ближе к вертикали, проведенной через точку E0 в виде штриховой линии, с наклоном влево (Rн по току). При необходимости усиления мощности проводят Rн по мощности так, чтобы произведение проекций на горизонтальную и вертикальную оси было наибольшим. Для усиления напряжения Rн должна располагаться ближе к горизонтальной оси. Небольшие ошибки, при проведении нагрузочных прямых неизбежны, называют инженерными погрешностями. Затем примерно на середине нагрузочных прямых ставят рабочую точку А. Она определяет ток базы режима ожидания iбо, ток транзистора Iко, и напряжение режима ожидания Uко. Эти параметры обязательно надо установить в режиме ожидания усиливаемого сигнала, после этого можно подавать усиливаемый сигнал на базу и снимать усиленный сигнал с коллекторного электрода. Все процессы должны быть в пределах рабочей области.
В зависимости от тока базы (напряжения на затворе полевого транзистора) различают режимы A, B, C, D. На рисунке 1.43 изображены эти токи, причем режим D называется ключевым, для него транзистор либо закрыт (в точке D), либо открыт (в точке D’).

Рисунок 1.43 – Режимы ожидания транзисторного каскада
Если выбрана точка А, то это соответствует наиболее линейному усилению, усиливаемый сигнал может быть точечным (в точке А), либо иметь размах с центром в точке А, при этом выбирается наиболее прямой участок характеристики, чуть больше или меньше (инженерная погрешность). Для точки В характерны нелинейные искажения, размах в положительной области может быть BD', и столько же по амплитуде влево от точки В, при этом выходной сигнал имеет несимметричные полупериоды, цена несимметричности - более высокий КПД. Аналогично для С, нелинейные искажения ещё больше при возрастающем КПД.
Семейство характеристик, изображенных на рисунке 1.37 является не точным (книжным). В действительности оно имеет вид, показанный на рисунке 1.44, а).
В действительности, имеется ещё и III квадрант, где характеристики похожи на I квадрант, но управляемость намного хуже, так как транзистор сконструирован для первого квадранта. Характерны две точки: 1 – остаточный ток и 2 – остаточное напряжение, называются остаточными параметрами.

а) б)
Рисунок 1.44 – Реальные выходные характеристики биполярного транзистора, прямое включение а); инверсное включение б)
Физический смысл остаточного тока 1 в том, что полностью закрытый транзистор всё-таки проводит ток I остаточный, т.е. отличается от разомкнутого контакта, например, обычного домашнего выключателя сетевой лампочки, который в выключенном состоянии ток не проводит. Второй параметр 2 указывает, что при нулевом коллекторном токе на открытом транзисторе выделяется остаточное напряжение Uост (тока нет, а напряжение есть, из базовой цепи). Этим параметром биполярный транзистор так же отличается от комнатного выключателя, на котором нет напряжения при нулевом токе. В действительности, на контактном выключателе при нулевом токе есть минимальное напряжение, оно определяется термо ЭДС разнородных примесей контактирующих пар, но его величиной можно пренебречь.
На рисунке 1.44,б) приведены характеристики инверсного включения, особенностью которого является почти на порядок меньшая величина остаточного параметра по напряжению (точка 1). Один из примеров использования – маломощные, малосигнальные ключи, коммутаторы.
Если биполярные транзисторы включены так, как изображено на рисунке 1.45, то они называются составными или Дарлингтона.
| | |
а) б) в)
Рисунок 1.45 – Схемы составных (Дарлингтона) транзисторов
Сдвоенный транзистор увеличивает коэффициент усиления по сравнению с одиночным транзистором примерно в квадрате, строенный – в кубе. Сдвоенный транзистор рисунка 1.45,в) называется по первому: составной транзистор n-p-n, хотя в его составе имеется транзистор p-n-p.
Схема рисунка 1.39, а) называется ОБ потому, что управляющий сигнал подается на эмиттерный электрод, а база заземлена. Свойства схемы: входное сопротивление невелико, примерно на порядок меньше, в сравнении со схемой б) (десятки Ом), выходное сопротивление на порядок больше, чем у схемы ОЭ, рисунок 1.39,б), схема не инвертирует входной сигнал, коэффициент усиления по току близок к единице, но меньше единицы, коэффициент усиления по мощности примерно на порядок меньше, чем у ОЭ, полоса пропускания ∆f выше, чем у ОЭ, линейные и нелинейные искажения меньше. Термостабильность каскадов лучше. Несмотря на эти достоинства схема ОБ применяется редко, так как трудно произвести согласование каскадов из-за различия входного и выходного сопротивлений.
Схема рисунка 1.39,в) ОК применяется чаще, чем ОБ, но реже ОЭ. Её входное сопротивление самое высокое (несколько сотен килоом вследствие отрицательной обратной связи на Rэ), выходное сопротивление невелико: единицы, десятки Ом, схема не инвертирует входной сигнал, коэффициент усиления по напряжению близок к единице, но меньше единицы, коэффициент усиления по току несколько десятков единиц, поэтому усиление по мощности меньше, чем у схемы ОЭ, термостабильность высокая, полоса пропускания больше, чем у ОЭ. Иногда схему ОК называют условно трансформатором сопротивления, потому, что высокое входное сопротивление преобразуется в низкое выходное, также эмиттерным повторителем – повторяет входное напряжение. Каскад применяют для согласования высокого входного сопротивления источника сигнала с низким входным сопротивлением нагрузки.