OptiMOS, HEXFET – первый – полевой транзистор, с оптимизацией конструкции и технологии, второй – тоже самое, но с ячеистой структурой HEX – гексагональной – рисунок 1.53,б.
Основные свойства:
· низкое сопротивление во включенном состоянии – 3 мОм (милиом);
· малое время переключения (до нескольких сот килогерц);
· высокая устойчивость к короткому замыканию;
· коммутируемый ток до сотен ампер;
· количество элементов до 1235 на квадратный сантиметр.
CSTB – транзистор (си ес ти би) – пятое поколение (Mitsubishi electric), IGBT (Carrier Stored Trench Gate Bipolar Transistor) (Высокочастотное Запоминание Затвор Биполярный Транзистор), т.е. биполярные транзисторы с изолированным затвором с накопительными носителями. Графики сравнения IGBT пятого поколения с диодом изображены на рисунке 1.62.

Рисунок 1.62 – Характеристики диода и IGBT транзисторов разных поколений
SiC-ключи – разные типы ключей на основе карбида кремния (SiC).
· высокая рабочая температура кристалла (более 6000 С) против 1500...2000 С у кремния;
· высокая радиационная устойчивость;
· другие достоинства в сравнении с транзисторами и тиристорами на основе кремния.
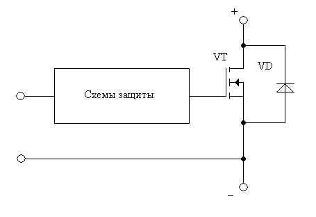
Интеллектуальные, инженерные транзисторы и ключи (так же транзисторы, но в ключевом режиме), одно из представлений которых изображено на рисунке 1.63.

Рисунок 1.63 – Интеллектуальный транзистор
В прямоугольнике помещаются схемы защиты от перегрузок, коротких замыканий, перенапряжений и возможные другие. Интеллектуальные, инженерные транзисторы обладают рядом дополнительных полезных свойств, но дороже в сравнении с обычными транзисторами.
CSITMOS – Composite Static Induction Thyristor – позволяет решить проблему открытого состояния для высоковольтного СИТ-тиристора.






