Этот вид перепада наиболее прост по конструкции и может быть устроен в колодцах и шахтах любых размеров и форм поперечного сечения.
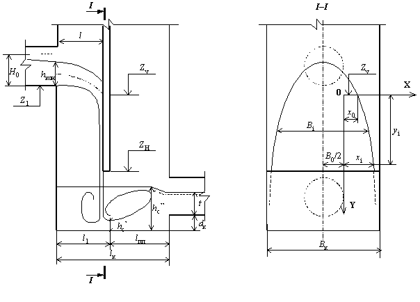
Вертикальная отбойно-водосливная стенка (ОВС), по одной стороне которой стекает жидкость, делит объем шахты на две части: водопропускную и эксплуатационную (см. рис. 3.6).

Рис. 3.6. Схема к расчету перепада с отбойно-водосливной стенкой
Жидкость растекается по отбойно-водосливной стенке под действием сил трения и тяжести, формируя границы растекания. Ширина потока увеличивается с высотой падения. Для повышения устойчивости к механическим воздействиям падающего потока, стенку и водобойный колодец целесообразно облицовывать металлом.
При расчете таких перепадов необходимо определить границы растекания потока по стенке, скорость жидкости и размеры водобойного колодца в нижней части.
Основы расчета
Конструктивно принимают ширину стенки BС, например, равную ширине водобойного колодца BК.
1. Определяется скорость потока в конце подводящего коллектора:
|
|
|
vкон = Q / wкон, (3.31)
где wкон – площадь живого сечения в конце трубопровода, м2, находится в зависимости от глубины потока на конце коллектора hкон:
hкон = 0,745 hкр, (при hкр < h 0), (3.32)
hкон = h 0, (при hкр > h 0), (3.33)
здесь: hкр – критическая глубина, м; h 0 – глубина при равномерном движении в коллекторе, м.
Критическую глубину можно определить по формуле:
(3.34)
где Q – расход стоков, м3/с; D – диаметр подводящего коллектора, м.
2. Принимается расстояние от ОВС до конца подводящего коллектора l:
l = (1,2…1,6) hкон (3.35)
3. Определяются границы растекания жидкости по стенке. Для этого задаются началом координат: по вертикали – на отметке точки удара оси потока о стенку ZY и по горизонтали – на половине ширины потока в момент удара о стенку B 0/2.
Тогда ширина потока Bi на стенке на высоте yi от начала координат составляет:
Bi = 2 xi + B 0, (3.36)
где xi – ширина растекания, м; B 0 – принимается равным ширине потока в поперечном сечении подводящего коллектора (при глубине hкон).
Отметка точки удара оси потока о стенку:
ZY = Z 1 – hп, (3.37)
где Z 1– отметка дна подводящего коллектора, м; hп – высота падения жидкости:
, (3.38)
где i – уклон подводящего коллектора.
Координаты границ растекания определяются по формуле:
(3.39)
где v – скорость, которую допускается принимать равной средней скорости потока на конце подводящего трубопровода vкон, м/с.
При большой высоте перепада ширина потока может оказаться больше ширины водосливной стенки Bк. В этом случае часть жидкости стекает по боковым стенкам.
4. Определяются размеры водобойного колодца: длина затопленного гидравлического прыжка lпп, длина колодца lК и его глубина dК. Расчет ведется аналогично расчету водобойного колодца трубчатого перепада.
|
|
|
Если оказывается, что вторая сопряженная глубина меньше глубины воды в отводящем коллекторе
< t, то следует принимать dК ≥ ¼
(для снижения скорости потока).






