В части 1 практикума (лабораторная работа № 3 «Изучение полупроводниковых диодов») даются основные сведения по конструкции и принципу работы полупроводниковых диодов, методике экспериментального измерения и аналитического расчета ВАХ.
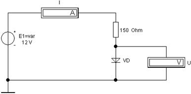
2.1. Для получения смоделированной в Workbench «экспериментальной» ВАХ собираем схему измерения с неавтоматизированным ручным изменением входного напряжения E 1=var.
Примечание: в обозначении вольтметра U и амперметра I выделенная толстой линией сторона прямоугольника соответствует отрицательной клемме и может быть размещена как нужно вращением с помощью клавиш Ctrl+R или выбором Rotate по правой кнопке мыши.

Изменяя значения источника входного напряжения E 1 от 0 до +15 В для прямой и от –15 В до 0 для обратной ветви, не менее чем в
8 точках для каждой, получаем значения тока I и напряжения U на диоде. Результаты заносим в таблицу, по которой строим в Excel график с маркерами для «экспериментальной» ВАХ. Для примера на рисунке показана прямая ветвь «экспериментальной» ВАХ.
|
|
|
|
Для изучения способа автоматизированного изменения входного напряжения E 1=var собираем следующую схему измерения «экспериментальной» ВАХ2:

Поясним новые дополнительные элементы.
Функциональный генератор Function Generator находится в меню Instruments – инструменты. Настройки параметров линейного изменения входного напряжения для снятия ВАХ производятся двойным нажатием мышки на обозначении функционального генератора и проиллюстрированы на схеме измерения (Function Generator).
Источник напряжения, управляемый током I–>U (значение напряжения в вольтах численно пропорционально току в амперах), находится в меню Sources. Им измеряется ток через диод. Для записи результатов используется 8-входовое устройство записи напряжений U 3. Предварительно это устройство настраиваем по нажатию правой кнопки мыши в Component Properties–Value–Browse: назначаем имя файла для сохранения (с расширением.TXT). В схеме измерения был выбран для примера файл e:\Program Files\Workbench\LR2.txt. После запуска и остановки тумблером ПУСК результаты сохраняются в табличном виде в файле с указанным именем в колонках время, U 1 (I–U) – ток через диод, U 2 – напряжение на диоде. Нумерация напряжений идет сверху вниз на устройстве для записи напряжений U 3. Из указанного файла выбираем возрастающие в первом цикле значения. Эти значения либо набираем в таблице Excel, либо, что быстрее, используем конвертер форматов в Excel для преобразования формата TXT в формат Excel. По табличным значениям строим график ВАХ2 с маркерами в Excel.
2.2. Расчетная ВАХ диода описывается следующим выражением:
|
|
|
, (2.1)
где I, U – ток и напряжение на диоде;
I 0 – обратный (тепловой) ток через диод;
– тепловой потенциал.
Из линеаризованного выражения (2.1) получаем уравнение для расчета I 0и
:
; (2.2)
; (2.3)
;
, (2.4)
где
,
,
,
– первая и вторая произвольные точки на ВАХ соответственно;
n – количество точек для усреднения.
Результаты заносим в таблицу.
| № п/п |
|
|
|
|
|
|
|
|
| мА | В | мА | В | В | мА | |||
| … | ... | … | … | … | … | … | … | … |
Подставляя вычисленные средние значения теплового потенциала
и тока
в выражение (2.1) для ВАХ, изменяем произвольно значение напряжения U на диоде, полученные значения I и соответствующее U диода заносим в таблицу
| № п/п | U, мВ | I, мА |
| –800 | … | |
| –700 | … | |
| –600 | … | |
| … | … | … |
| +800 | … |
По указанной таблице строим график расчетной ВАХ. Наносим его на график экспериментальной ВАХ, выделив для отличия формой или цветом линии.
2.3. Отвечаем письменно на контрольные вопросы и задания. На вопросы для самопроверки можно письменно не отвечать.
2.4. Погрешность оцениваем аналогично тому, как делалось в лабораторной работе № 1.






