4.1. В части 1 практикума [4.1] в лабораторной работе №6 «Изучение схем на операционном усилителе» описаны общие сведения об операционных усилителях (ОУ), принципах их работы и использования в электронной автоматике. Использование программы Workbench позволяет ускорить исследование различных устройств с ОУ.
Термин операционный усилитель (ОУ) относится к усилителям постоянного тока с большим коэффициентом усиления (K ®¥), имеющим дифференциальный вход (для введения обратной связи) и один общий выход. Название этих усилителей связано с первоначальным их применением главным образом для выполнения различных операций над аналоговыми величинами (сложение, вычитание, интегрирование и др.). В настоящее время операционные усилители играют роль многоцелевых элементов при построении аппаратуры самого различного назначения. Они применяются в усилительной технике, устройствах генерации сигналов синусоидальной и импульсной форм, в стабилизаторах, активных фильтрах и т.д.
Условное обозначение ОУ в отечественном стандарте – в виде прямоугольника, а в Workbench – в виде треугольника (цепи питания для простоты не показывают):
|
|
|
|
|
|
|
|
или
Изготавливаются ОУ, как правило, в интегральном исполнении.
Принцип работы основан на следующем соотношении:
.
Один из входов усилителя (U вхн, «+») называется неинвертирующим, а второй (U вхи, «-») – инвертирующим. При подаче сигнала на неинвертирующий вход приращение выходного сигнала совпадает по знаку с приращением входного сигнала. Если же сигнал подан на инвертирующий вход, то приращение выходного сигнала имеет обратный знак по сравнению с приращением входного сигнала. Инвертирующий вход часто используют для введения в операционный усилитель внешних отрицательных обратных связей.
|
|
Важнейшими характеристиками ОУ являются его амплитудные характеристики. Их представляют в виде двух кривых, относящихся соответственно к инвертирующему и неинвертирующему входам. Характеристики снимают при подаче сигнала на один из входов при нулевом сигнале на другом. Горизонтальные участки кривых соответствуют режиму полностью открытого либо закрытого транзистора выходного каскада. При изменении напряжения входного сигнала на этих участках выходное напряжение усилителя
остается без изменения и определяется напряжениями U+вых.max,
U –вых.max, близкими к напряжению Еk источников питания.
Наклонному участку кривых соответствует пропорциональная зависимость выходного напряжения от входного. Угол наклона участка определяется коэффициентом усиления Ku = U вых / U вх операционного усилителя. Значение K uoy зависит от типа ОУ и может составлять от нескольких сотен до тысяч и более. Большие значения K uoy позволяют при охвате таких усилителей глубокой отрицательной обратной связью получать схемы со свойствами, которые зависят только от параметров цепи отрицательной обратной связи.
Основные параметры и характеристики усилителей.
Коэффициенты усиления по напряжению, току, мощности соответственно:
.
Для удобства вводят представление в децибелах:
,
.
Выходная мощность усилителя
.
КПД усилителя
.
Частотная характеристика – зависимость какого-либо параметра от частоты. Полоса пропускания D f – ширина диапазона частот, где коэффициент усиления больше определенного значения, обычно больше 0,7 от максимального значения.
Коэффициент нелинейных искажений отношение – коэффициента усиления на данной частоте к коэффициенту усиления на средней частоте.
Амплитудная характеристика – это зависимость амплитуды выходного сигнала А вых от входного А вх.
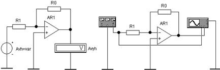
Для выполнения задания на рис. 4.1 показаны принципиальные схемы с неавтоматизированным и автоматизированным изменением входного напряжения.
Величину сопротивлений R 0 и R 1 выбираем произвольно в диапазоне 1 кОм–10 Мом так, чтобы обеспечить требуемый по варианту коэффициент усиления
.
Изменяя входное напряжение А вх, измеряем выходное А вых, заносим в таблицу и строим амплитудную характеристику – графическую зависимость А вых от А вх.

Рис. 4.1. Схемы измерения характеристик масштабирующего усилителя на ОУ
Рассчитываем коэффициенты передачи по напряжению K u для каждой точки измерения и находим среднее значение K u ср.
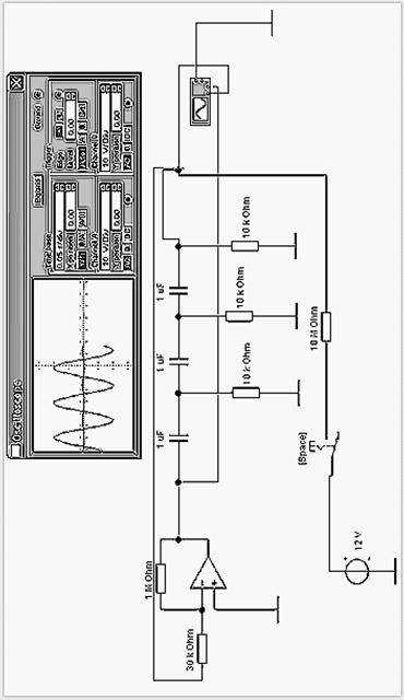
4.2. Если на ОУ по рис. 4.1 подать обратную положительную связь и выполнить условия генерации [4.2] только для одной частоты, получим гармонический (синусоидальный) генератор. Значит, генераторы гармонических сигналов должны содержать частотно-зависимые элементы. В диапазоне высоких частот такими частотно-зависимыми элементами являются LC-контуры. В диапазоне низких частот величины и габариты LC-элементов становятся слишком большими и используют RC-элементы. Поэтому низкочастотные гармонические генераторы в основном являются RC-генераторами.
Если условия генерации выполняются для некоторого диапазона частот, форма колебаний будет отличаться от синусоидальной, приближаясь к прямоугольной. При выполнении условий генерации для всего спектра частот (от 0 до ∞) получим генератор прямоугольных колебаний – мультивибратор.
Собираем схему генератора с фазосдвигающей CR-цепочкой. (Запуск по нажатию переключателя – клавишей «Пробел».)
Расчетные соотношения [4.5]:
Для генерации коэффициент усиления должен иметь значение
Ku = 29.
Частота генерируемого сигнала
.
Связь частоты с периодом
.


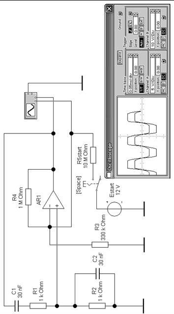
Расчетные соотношения:
Для генерации коэффициент усиления должен иметь значение: Ku = 3.
Частота генерируемого сигнала
.
Связь частоты с периодом
.
Запустив схему, нужно получить и отрегулировать изображение на экране осциллографа (особенности работы пояснены в прил. 1). Затем, перемещая маркеры в желаемую позицию, снять конкретные значения напряжений входного А и выходного В сигналов (окна под экраном показывают время и изменение сигнала в позициях первого и второго маркеров, а также разницу между этими точками). Определив период T для одного колебания, рассчитывают частоту f колебаний.

4.3. Для изучения RC-генераторов негармонических сигналов собираем схему мультивибратора на ОУ [4.3] (рис. 4.2)

Рис. 4.2. Схема мультивибратора (а) и временнaя диаграмма его работы (б)
Когда напряжение Uc достигает порога срабатывания, так назы-ваемого триггера Шмитта на ОУ, схема переключается и ее выхо-дное напряжение скачком принимает противоположное значение. При этом конденсатор С начинает перезаряжаться в противопо-ложном направлении, пока его напряжение не достигнет другого порога срабатывания. Схема переключается в первоначальное состояние (рис. 4.2, б).
Период колебаний мультивибратора равен
T = 2 t 1 = 2 RC ln[1 + 2 R 1/ R 2].
Как видно из последней формулы, период колебаний мульти-вибратора не зависит от напряжения U м, которое, в свою очередь, определяется напряжением питания U пит. Поэтому частота колебаний мультивибратора на ОУ мало зависит от питающего напряжения.
Собрав схему в Workbench, нужно, изменяя значения компонен-тов из последнего выражения, обеспечить колебания с требуемой частотой f = 1 / T.
Контрольные вопросы и задания
4.1. Что такое условия генерации? Запишите условия генерации в виде математических выражений.
4.2. Какие элементы используют для генераторов гармонических колебаний низких, высоких и сверхвысоких частот?
4.3. Для чего используют тумблер «Старт» в гармонических генераторах?
Вопросы для самопроверки
4.1. Укажите маркировку отечественных операционных усилителей.
4.2. Как улучшить форму гармонического сигнала, приблизив ее к синусоидальной?
4.3. Какой параметр усилителя характеризует «синусоидальность» сигнала?
4.4. Какое отклонение от чистого синусоидальной формы генератора звуковых частот заметно на слух?
Литература
4.1. Электронная автоматика и техника: лабораторные работы (практикум): в 2 ч. – Минск: БНТУ, 2004. – 60 c.
4.2. Основы промышленной электроники / под ред. В.Г. Герасимова. – М.: Высшая школа, 1986.
4.3. https://www.gaw.ru/html.cgi/txt/doc/op/funop_14_1_1.htm – автоколебательный мультивибратор на ОУ.
4.4. https://www.gaw.ru/html.cgi/txt/doc/op/funop_14_2_2.htm – RC-генераторы на ОУ.
4.5. https://ru.wikipedia.org/wiki/Фазосдвигающий_генератор – фазосдвигающий генератор. Материал из Википедии – свободной энциклопедии.






