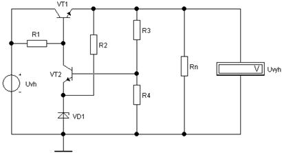
3.1. В [3.1] приводится методика экспериментального исследования компенсационного стабилизатора. Принципиальная схема показана на рис. 3.1.

Рис. 3.1. Принципиальная схема компенсационного стабилизатора
3.2. Выполняем предварительный расчет значений резисторов:
, Ом,
где
= 0,7, В,
, А.
, Ом.
, Ом,
, Ом,
где
= 0,7 В.
3.3. Создаем в соответствии с вариантом задания модели транзисторов по табл. 3.1.
Для этого нужно щелкнуть два раза кнопкой мыши на изображении транзистора и выбрать в появившемся окне NPN Transistor Properties в разделе Library библиотеку default, а затем в разделе Model – тип транзистора ideal. Выбрать последовательно кнопкой мыши кнопки Copy и Paste, записать латинскими буквами в появившемся окне тип транзистора в соответствии с вариантом задания и нажать кнопку ОК. В результате в разделе Model добавится новый тип транзистора. Для корректировки его параметров нажать кнопку Edit и установить значения параметров Forward current gain coefficient [BF] (коэффициент усиления β), Base ohmic resistance [RB] (сопротивление базы R б), Emiter ohmic resistance [RE] (сопротивление эмиттера R э), Collector ohmic resistance [RC] (сопротивление коллектора R к) в соответствии с табл. 3.1. Значения других параметров оставить без изменения.
Таблица 3.1
| № варианта | Обозначение транзистора | Тип транзистора | β (BF) | R б, Ом (RB) | R э, Ом (RЕ) | R к, Ом (RС) |
| VT1 | КТ815A | 2,1 | 0,9 | 0,4 | ||
| VT2 | КТ315Б | |||||
| VT1 | КТ815Б | 0,9 | 0,4 | |||
| VT2 | КТ3102Ж | 0,6 | ||||
| VT1 | КТ815В | 0,9 | 0,4 | |||
| VT2 | КТ315Г | |||||
| VT1 | КТ815Г | 2,1 | 0,9 | 0,4 | ||
| VT2 | КТ3102А | 0,6 | ||||
| VT1 | КТ817А | 1,5 | 0,7 | 0,3 | ||
| VT2 | КТ3102Д | 0,6 | ||||
| VT1 | КТ817Б | 1,5 | 0,7 | 0,3 | ||
| VT2 | КТ315Е | |||||
| VT1 | КТ817В | 1,5 | 0,7 | 0,3 | ||
| VT2 | КТ3102А | 0,6 | ||||
| VT1 | КТ817Г | 1,5 | 0,7 | 0,3 | ||
| VT2 | КТ503Б | 2,5 | 1,2 | 0,5 | ||
| VT1 | КТ831А | 1,8 | 0,6 | 0,3 | ||
| VT2 | КТ3102В | 0,6 | ||||
| VT1 | КТ831Б | 1,5 | 0,7 | 0,3 | ||
| VT2 | КТ503Г | 2,5 | 1,2 | 0,5 | ||
| VT1 | КТ698А | 0,5 | 0,2 | |||
| VT2 | КТ503Д | 2,5 | 1,2 | 0,5 | ||
| VT1 | КТ698Б | 0,5 | 0,2 | |||
| VT2 | КТ503Е | 2,5 | 1,2 | 0,5 | ||
| VT1 | КТ698В | 0,5 | 0,2 | |||
| VT2 | КТ3102А | 0,6 |
Окончание табл. 3.1
| VT1 | КТ698Г | 0,5 | 0,2 | |||
| VT2 | КТ3102Б | 0,6 | ||||
| VT1 | КТ6117А | 1,9 | 0,8 | 0,5 | ||
| VT2 | КТ3102В | 0,6 | ||||
| VT1 | КТ6114А | 1,5 | 0,8 | 0,4 | ||
| VT2 | КТ503Б | 2,5 | 1,2 | 0,5 | ||
| VT1 | КТ6110В | 1,8 | 0,9 | 0,5 | ||
| VT2 | КТ3102А | 0,6 | ||||
| VT1 | КТ639А | 2,4 | 1,5 | 0,7 | ||
| VT2 | КТ3102В | 0,6 | ||||
| VT1 | КТ815Б | 0,9 | 0,4 | |||
| VT2 | КТ503Г | 2,5 | 1,2 | 0,5 | ||
| VT1 | КТ6117А | 1,5 | 0,7 | 0,3 | ||
| VT2 | КТ315А | |||||
| VT1 | КТ6117А | 1,9 | 0,8 | 0,5 | ||
| VT2 | КТ503Б | 2,5 | 1,2 | 0,5 | ||
| VT1 | КТ639А | 2,4 | 1,5 | 0,7 | ||
| VT2 | КТ315А | |||||
| VT1 | КТ6110В | 1,8 | 0,9 | 0,5 | ||
| VT2 | КТ503Е | 2,5 | 1,2 | 0,5 | ||
| VT1 | КТ698Б | 0,5 | 0,2 | |||
| VT2 | КТ3102В | 0,6 |
Создаем в соответствии с вариантом задания модель стабилитрона по табл. 3.2. Для этого нужно щелкнуть два раза кнопкой мыши на изображении стабилитрона и выбрать в появившемся окне Zener Diode Properties в разделе Library библиотеку default, а затем в разделе Model – тип стабилитрона ideal. Выбрать последовательно кнопкой мыши кнопки Copy и Paste, записать латинскими буквами в появившемся окне тип стабилитрона в соответствии с вариантом задания и нажать кнопку ОК. В результате в разделе Model добавится новый тип стабилитрона. Для корректировки его параметров нажать кнопку Edit и установить значения параметров Zener test voltage at IZT [VZT] (напряжение стабилизации U ст), Zener test current [IZT] (максимальный ток стабилизации I ст max), Ohmic resistance [RS] (дифференциальное сопротивление Rd) в соответствии с табл. 3.2. Значения других параметров оставить без изменения.
Таблица 3.2
| № варианта | Тип стабилитрона | U ст, В (VZT) | I ст max, А (IZT) | Rd, Ом (RS) |
| КС133А | 3,3 | 0,081 | ||
| КС139А | 3,9 | 0,07 | ||
| КС147А | 4,7 | 0,058 | ||
| КС156А | 5,6 | 0,055 | ||
| КС162А | 6,2 | 0,022 | ||
| КС168А | 6,8 | 0,02 | ||
| КС170А | 7,0 | 0,018 | ||
| КС175А | 7,5 | 0,018 | ||
| КС182А | 8,2 | 0,017 | ||
| КС191А | 9,1 | 0,015 | ||
| КС210Б | 10,0 | 0,014 | ||
| КС211И | 11,0 | 0,013 | ||
| КС212В | 12,0 | 0,012 | ||
| КС213Б | 13,0 | 0,01 | ||
| КС215Ж | 15,0 | 0,01 | ||
| КС216Ж | 16,0 | 0,0094 | ||
| КС218Ж | 18,0 | 0,0083 | ||
| КС220Ж | 20,0 | 0,0075 | ||
| КС222Ж | 22,0 | 0,0068 | ||
| КС224Ж | 24,0 | 0,0062 | ||
| КС210Б | 10,0 | 0,014 | ||
| КС211И | 11,0 | 0,013 | ||
| КС212В | 12,0 | 0,012 | ||
| КС213Б | 13,0 | 0,01 |
3.4. Устанавливаем в соответствии с вариантом напряжение на входе стабилизатора (U vh) и сопротивление нагрузки (Rn) по табл. 3.3.
Таблица 3.3
| № варианта | U вх (U vh), В | U вых (U vyh), В | R н (Rn), Ом |
Окончание табл. 3.3
Устанавливаем значения резисторов R1–R4 в соответствии с предварительным расчетом.
Экспериментально уточняем значение сопротивления резистора R3, при котором значение выходного напряжения стабилизатора U vyh будет соответствовать табл. 3.3.
Изменяя значения входного напряжения U vh, измеряем выходное U vyh напряжение, заносим в таблицу и строим график зависимости U vyh от U vh.
3.5. Для исследования коэффициента стабилизации компенсационного стабилизатора напряжения величину входного напряжения U vh изменяем в диапазоне от 0,9 до 1,3 исходного значения U vh из табл. 3.3, рассчитываем коэффициент стабилизации K ст U . Результаты заносим в таблицу. Cтроим график звависимости K ст U от U vh. Определяем среднее значение коэффициент стабилизации K ст U .
3.6. Для исследования нагрузочной характеристики стабилизатора значение сопротивления нагрузки R n последовательно задаем равным 0,4 R n, 0,6 R n, 0,8 R n, R n, 1,2 R n, 1,4 R n, 1,6 R n, 2 R n. Измеряем соответствующие U vyh, результаты заносим в таблицу и строим график зависимости выходного напряжения U vyh от сопротивления нагрузки R n.






