Выпрямителем называют электронное устройство, обеспечивающее преобразование электроэнергии переменного тока в электроэнергию пульсирующего (однонаправленного) тока с той или иной степенью приближения к постоянному.
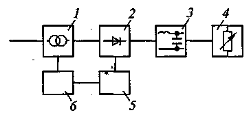
В общем случае выпрямитель может быть представлен в виде блок-схемы, представленной на рис. 9.1.

Рис. 9.1. Блок-схема выпрямителя:
/ — трансформатор; 2 — вентильный блок; 3 — фильтр; 4 — нагрузка; 5 и 6 — блоки управления, защиты и сигнализации
Трансформатор 1 предназначен для согласования величин входного и выходного напряжений выпрямителя, а также гальванического разделения питающей сети и нагрузки. В некоторых случаях на трансформатор возлагаются также функции регулирования выходного напряжения за счет изменения его коэффициента трансформации. Вентильный блок 2 через фильтр 3 осуществляет выпрямление переменного тока в цепи нагрузки 4. Если вентильный комплект выпрямителя выполнен на управляемых вентилях, то в структуру выпрямителя входит блок 5, включающий в себя устройство управления вентилями, обеспечивающее подачу на вентили управляющих сигналов в соответствии с заданным алгоритмом регулирования режимов работы выпрямителя. Для обеспечения нормальной эксплуатации выпрямителя и защиты его от повреждений в аварийных режимах в его структуру входит еще блок 6 защиты и сигнализации, а также встроенной диагностики.
|
|
|
В некоторых случаях отдельные элементы в выпрямителе могут отсутствовать, например, бестрансформаторные выпрямители или выпрямители без выходных фильтров (как правило, многофазные).
^ Выпрямители могут быть классифицированы последующим основным признакам:
- по числу фаз источника питания различают однофазные и многофазные выпрямители;
- по возможности регулирования величины выходного напряжения - неуправляемые и управляемые выпрямители;
- по структуре вентильного комплекта — мостовые и со средней точкой;
- по типу вентиля вентильного комплекта — диодные, транзисторные, тиристорные, комбинированнные (диодно-тиристорные).
Иногда выпрямители классифицируют по мощности и величине выходного напряжения, но эта классификация весьма условна. Обычно по мощности выделяют выпрямители малой (единицы киловатт), средней (десятки киловатт) и большой (свыше ста киловатт) мощности, а по напряжению — низкого (до 250 В), среднего (до 1000 В) и высокого (свыше 1000 В) напряжения.
Разделение выпрямителей по мощности имеет значение для выбора структуры вентильного комплекта, типа применяемых приборов и методов расчета параметров и характеристик выпрямителя и его элементов.
^ Характер нагрузки также может быть классификационным признаком, и в зависимости от этого различают выпрямители, работающие на активную, активно-индуктивную нагрузку и нагрузку, содержащую ЭДС.
|
|
|
При проектировании и разработке выпрямителей необходимо знать условия работы их элементов и определить их параметры.
Для точного определения характеристик и параметров выпрямителя и его элементов проводят детальный анализ электромагнитных процессов, происходящих в выпрямителе, выполнить который с учетом реальных параметров элементов выпрямителя крайне сложно. В то же время при принятии некоторых допущений, не искажающих физику происходящих процессов, но в определенной степени идеализирующих характеристики элементов выпрямителя, можно получить достаточно простые и наглядные расчетные соотношения, которые при необходимости можно уточнять, Такими уточнениями являются: трансформатор без потерь, вентили — идеальные ключи, направление источника — синусоидальное.
Рассмотрим процесс выпрямления переменного тока на примере простейшего однофазного однополупериодного идеализированного выпрямителя с принципиальной схемой, изображенной на рис. 9.2, а и состоящей из трансформатора Тр, диода VD и нагрузочного резистора
.
К первичной обмотке трансформатора прикладывается напряжение питающей сети. Тогда в случае идеального трансформатора на его вторичной обмотке также будет синусоидальное напряжение.
При полярности напряжения на вторичной обмотке трансформатора, указанной на рис. 8.5, а (интервал времени от 0 до л на рис. 9.2, б), к диоду приложено напряжение вторичной обмотки трансформатора в прямом направлении и он находится в проводящем состоянии, а падение напряжения на нем практически равно нулю. При этом все напряжение вторичной обмотки трансформатора прикладывается к нагрузке и по ней, вторичной обмотке трансформатора, и диоду протекает ток
.

Рис. 9.2. Однофазный однополупериодный выпрямитель: а — схема; б — диаграмма тока и напряжения на элементах схемы
На интервале времени от
до
напряжение на вторичной обмотке трансформатора имеет противоположную полярность, диод VD находится в непроводящем состоянии и к нему в обратном направлении прикладывается напряжение вторичной обмотки трансформатора. При этом напряжение на нагрузке равно нулю, а ток в ней, во вторичной обмотке трансформатора и в диоде отсутствует. Далее процессы в выпрямителе повторяются.
Таким образом, к нагрузочному резистору
прикладывается напряжение только одной полярности (выпрямленное напряжение) и по нему будет протекать ток только одного направления.
Среднее значение выпрямленного напряжения за указанный период
(9.1)
где
— действующее напряжение на вторичной обмотке трансформатора;
.
Поскольку при активной нагрузке ток в ней повторяет форму приложенного к нагрузке напряжения, то среднее значение выпрямленного тока
(9.2)
В настоящее время наиболее распространенным способом изменения величины выпрямленного напряжения является непосредственное воздействие на ключевые элементы вентильного комплекта, которые в этом случае должны быть управляемыми (например, тиристоры). Тогда, изменяя момент включения тиристора на интервале его проводящего состояния (изменяя угол регулирования
), можно изменять величину выпрямленного напряжения. Часто такой способ, называемый фазовым регулированием, сочетают с изменением коэффициента трансформатора (зонно-фазовое регулирование). В этом случае получают более высокие значения коэффициента мощности выпрямителя.






