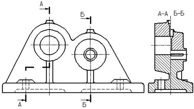
В ГОСТ 2.305-2008 предусмотрены следующие требования к обозначению разреза:
1. Положение секущей плоскости указывают на чертеже линией сечения.
2. Для линии сечения должна применяться разомкнутая линия (толщина от S до 1,5S длина линии 8-20 мм).
3. При сложном разрезе штрихи проводят также у мест пересечения секущих плоскостей между собой.
4. На начальном и конечном штрихах следует ставить стрелки, указывающие направление взгляда, стрелки должны наноситься на расстоянии 2-3 мм от внешнего конца штриха.
5. Размеры стрелок должны соответствовать приведенным на рисунке 14.
6. Начальный и конечный штрихи не должны пересекать контур соответствующего изображения.
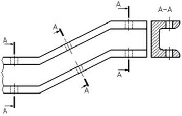
7. У начала и конца линии сечения, а при необходимости и у мест пересечения секущих плоскостей ставят одну и ту же прописную букву русского алфавита. Буквы наносят около стрелок, указывающих направление взгляда, и в местах пересечения со стороны внешнего угла (рисунок 24).

Рисунок 24 - Примеры обозначения разреза
8. Разрез должен быть отмечен надписью по типу «А-А» (всегда двумя буквами через тире).
|
|
|
9. Когда секущая плоскость совпадает с плоскостью симметрии предмета в целом, а соответствующие изображения расположены на одном и том же листе в непосредственной проекционной связи и не разделены какими – либо другими изображениями, для горизонтальных, фронтальных и профильных разрезов не отмечают положение секущей плоскости, и разрез надписью не сопровождают.
10. Фронтальным и профильным разрезам, как правило, придают положение, соответствующее принятому для данного предмета на главном изображении чертежа.
11. Горизонтальные, фронтальные и профильные разрезы могут быть расположены на месте соответствующих основных видов.
12. Допускается располагать разрез на любом месте поля чертежа, а также с поворотом с добавлением условного графического обозначения - значка «Повернуто» (рисунок 25).

Рисунок 25 - Условное графическое обозначение – значок «Повернуто»
| Сечения |

Сечение – изображение фигуры, получающейся при мысленном рассечении предмета одной или несколькими плоскостями. На сечении показывается только то, что получается непосредственно в секущей плоскости (рисунок 26).
Рисунок 26 - Поперечное сечение вала
Допускается в качестве секущей применять цилиндрическую поверхность, развертываемую затем в плоскость (рисунок 27).

Рисунок 27 - Сечение цилиндрической поверхностью
Вместо слова развернуто применяется условное графическое обозначение – значок «Развернуто», форма и размеры которого представлены на рисунок 28.

Рисунок 28 - Значок «Развернуто»
|
|
|
Сечения разделяют на наложенные (рисунок 29) и вынесенные (рисунки 30, 31). Предпочтительными являются вынесенные сечения, их допускается располагать в разрыве между частями одного и того же вида (рисунок 30).

Рисунок 29 - Пример изображения наложенного сечения

Рисунок 30 - Пример изображения вынесенного сечения, расположенного в разрыве между частями одного и того же вида

Рисунок 31 - Пример изображения вынесенного сечения
В случаях, когда сечение является симметричной фигурой, линию сечения не проводят. Ось симметрии вынесенного или наложенного сечения указывают штрих - пунктирной тонкой линией без обозначения буквами и стрелками и линию сечения не проводят (рисунки 26, 29).
Контур вынесенного сечения, а также сечения, входящего в состав разреза, изображают сплошными основными линиями, а контур наложенного сечения – сплошными тонкими линиями, причем контур изображения в месте расположения наложенного сечения не прерывают.

Во всех остальных случаях для линии сечения применяют разомкнутую линию с указанием стрелками направления взгляда и обозначают её одинаковыми прописными буквами русского алфавита (в строительных чертежах – прописными или строчными буквами русского алфавита или цифрами). Сечение сопровождают надписью по типу «А-А» (рисунки 31, 32).
Рисунок 32 - Пример обозначения сечений

Для нескольких одинаковых сечений, относящихся к одному предмету, линию сечения обозначают одной буквой и вычерчивают одно сечение (рисунок 33).
Рисунок 33 - Пример обозначения и изображения одинаковых сечений
Для несимметричных сечений, расположенных в разрыве или наложенных, линию сечения проводят со стрелками, но буквами не обозначают (рисунок 34).
Рисунок 34 - Пример несимметричных сечений
Если секущая плоскость проходит через ось поверхности вращения, ограничивающей отверстие или углубление, то контур отверстия или углубления в сечении показывают полностью (рисунок 35).

Рисунок 35 - Пример выполнения сечений по отверстиям
Выносные элементы
Выносной элемент – дополнительное отдельное изображение (обычно увеличенное) какой – либо части предмета, требующей графического и других пояснений в отношении формы, размеров и иных данных. На рисунке 36 представлен пример оформления выносного элемента.

Рисунок 36 - Пример оформления выносного элемента
Выносной элемент может содержать подробности, не указанные на соответствующем изображении, и может отличаться от него по содержанию (например, изображение может быть видом, а выносной элемент – разрезом).
При применении выносного элемента соответствующее место отмечают на виде, разрезе или сечении замкнутой сплошной тонкой линией – окружностью, овалом и т. п. с обозначением выносного элемента прописной буквой или сочетанием прописной буквы с арабской цифрой на полке линии – выноски. Над изображением выносного элемента указывают обозначение и масштаб, в котором он выполнен. Выносной элемент следует располагать, по возможности, ближе к соответствующему месту на изображении предмета.
Условности и упрощения изображений
Условности и упрощения – это правила, позволяющие сделать чертеж более простым, понятным и уменьшить время на его выполнение. ГОСТ 2.305-2008 устанавливает следующие условности и упрощения:
1. Если вид, разрез или сечение представляют симметричную фигуру, допускается вычерчивать половину изображения ограниченную осевой линией или немного более половины изображения с проведением в последнем случае линии обрыва (рисунок 37).

Рисунок 37 - Пример упрощенного изображения симметричной детали

Рисунок 38 - Пример изображения предмета с одинаковыми, равномерно расположенными элементами
2. Если предмет имеет несколько одинаковых, равномерно расположенных элементов, то на изображении этого предмета полностью показывают один – два таких элемента, а остальные элементы показывают упрощенно или условно. Допускается изображать часть предмета с надлежащими указаниями о количестве элементов, их расположении и т. п. (рисунок 38).
|
|
|
3. На видах и разрезах допускается упрощенно изображать проекции линий пересечения поверхностей, если не требуется точного их построения. Например, вместо лекальных кривых проводят дуги окружности и прямые линии (рисунок 39).

Рисунок 39 - Пример упрощенного изображения линий пересечения поверхностей
4. Плавный переход от одной поверхности к другой показывается условно или совсем не показывается (рисунок 40).

Рисунок 40 - Пример упрощенного изображения плавного перехода между поверхностями
5. Такие детали, как винты, заклепки, шпонки, непустотелые валы и шпиндели, шатуны, рукоятки и т. п. при продольном разрезе показывают условно нерассеченными. Шарики всегда показывают нерассеченными. Как правило, показываются нерассеченными на сборочных чертежах гайки и шайбы. Такие элементы, как спицы маховиков, шкивов, зубчатых колес, тонкие стенки типа ребер жесткости и т. п. показывают незаштрихованными, если секущая плоскость направлена вдоль оси или длинной стороны такого элемента. Если в подобных элементах детали имеется местное сверление, углубление и т. п., то делают местный разрез (рисунок 41).

Рисунок 41 - Пример изображения местных разрезов на валах
6. Пластины, а также элементы деталей (отверстия, фаски, пазы, углубления и т. п.) размером (или разницей в размерах) на чертеже 2 мм и менее изображают с отступлением от масштаба, принятого для всего изображения, в сторону увеличения.
7. Допускается незначительную конусность или уклон изображать с увеличением.
8. При необходимости выделения на чертеже плоских поверхностей предмета на них проводят диагонали сплошными тонкими линиями (рисунок 42).

Рисунок 42 - Пример обозначения плоских поверхностей
9. Предметы или элементы, имеющие постоянные или закономерно изменяющееся поперечное сечение (валы, цепи, прутки, фасонный прокат, шатуны и т. п.), допускается изображать с разрывами. Частичные изображения и изображения с разрывами ограничивают одним из следующих способов:
|
|
|
- Сплошной тонкой линией с изломом, которая может выходить за контур изображения на длину от 2 до 4 мм. Эта линия может быть наклонной относительно линии контура (рисунок 43);

Рисунок 43 - Пример изображения детали с разрывом
- Сплошной волнистой линией, соединяющей соответствующие линии контура (рисунок 44);
Рисунок 44 - Пример изображения детали с разрывом
- Линиями штриховки (рисунок 45).
Рисунок 45 - Пример изображения детали с разрывом
10. На чертежах предметов со сплошной сеткой, плетенкой, орнаментом, рельефом, накаткой и т. д. допускается изображать эти элементы частично, с возможным упрощением (рисунок 46).

Рисунок 46 - Пример изображения рельефа
11. Для упрощения чертежей или сокращения количества изображений допускается:
- часть предмета, находящуюся между наблюдателем и секущей плоскостью, изображать штрих-пунктирной утолщенной линией непосредственно на разрезе (наложенная проекция) (рисунок 47);

Рисунок 47 - Пример изображения часть предмета, находящуюся между наблюдателем и секущей плоскостью
- применять сложные разрезы (рисунок 48);

Рисунок 48 - Пример использования сложного разреза
- для показа отверстия в ступицах зубчатых колес, шкивов и т. п., а также для шпоночных пазов вместо полного изображения детали давать лишь контур отверстия или паза (рисунок 49);
- изображать в разрезе отверстия, расположенные на круглом фланце, когда они не попадают в секущую плоскость (рисунок 15, разрез А-А).

Рисунок 49 - Пример изображения отверстий
12. Если вид сверху не является необходимым и чертеж составляется из изображений на фронтальной и профильной плоскостях проекций, то при ступенчатом разрезе линия сечения и надписи, относящиеся к разрезу, наносятся так, как показано на рисунке (рисунок 50).
Рисунок 50 - Пример совмещения разрезов
| Обозначения графические материалов и правилаих нанесения на чертежах |
Графическое обозначение материала в сечениях и на виде - штриховка, выполняемая тонкими сплошными линиями. Форма штриховки в соответствии с ГОСТ 2.306-68 дает представление о материале из которого сделана деталь.
| Обозначения графические материалов в сечениях |
Графическое обозначение материалов в сечениях в зависимости от вида материалов должно соответствовать приведенным в таблице 8.
Таблица 7 – Графическое обозначение материалов в сечениях
| Материал | Обозначение |
| 1. Металлы и твердые сплавы (Общее графическое обозначение материалов в сечениях независимо от вида материала должно соответствовать) | ![]() |
| 2. Неметаллические материалы, в том числе волокнистые монолитные и плитные (прессованные), за исключением указанных далее. | |
| 3. Древесина | |
| 4. Камень естественный | |
| 5. Керамика и силикатные материалы для кладки | |
| 6. Бетон | |
| 7. Стекло и другие светопрозрачные материалы | |
| 8. Жидкости | |
| 9. Грунт естественный |
| Правила нанесения штриховки на чертежах |
1. Наклонные параллельные линии штриховки должны проводиться под углом 45о к линии контура изображения или к его оси или к линиям рамки чертежа (рисунки. 51, 52).

Рисунок 51 - Направление штриховки под углом 450 к линии контура изображения (а) или к его оси (б)

Рисунок 52 - Направление штриховки под углом 450 к линиям рамки чертежа
2. Линии штриховки должны наноситься с наклоном влево или вправо, но, как правило, в одну и ту же сторону на всех сечениях, относящихся к одной и той же детали, не зависимо от количества листов, на которых эти сечения расположены.
3. Расстояние между параллельными прямыми линиями штриховки (частота) должно быть, как правило, одинаковым для всех выполняемых в одно и том же масштабе сечений данной детали и выбирается в зависимости от площади штриховки и необходимости разнообразить штриховку смежных сечений.
4. Частота штриховки должно быть от 1 до 10 мм в зависимости от площади штриховки и необходимости разнообразить штриховку смежных сечений.
5. Если линии штриховки, приведенные к линии рамки чертежа под углом 45о, совпадают с линиями контура или осевыми линиями, то вместо угла 45о следует брать углы 30о или 60о (рисунок 53).
Рисунок 53 - Направление штриховки под углом 600 или 300
6. Узкие и длинные площади сечения (например, штампованных, вальцованных и других подобных деталей), ширина которых на чертеже от 2 до 4 мм, рекомендуется штриховать полностью только на концах и у контуров отверстий, а остальную площадь сечения - небольшими участками в нескольких местах (рисунок 54).

Рисунок 54 - Штриховка узких и длинных площадей
7. Линии штриховки стекла следует наносить с наклоном 15 - 20о к линиям большей стороны контура сечения (рисунок 55).
Рисунок 55 - Штриховка стекла
8. Узкие площади сечений, ширина которых на чертеже менее 2 мм, допускается показывать зачерненными с оставлением просветов между смежными сечениями не менее 0,8 мм (рисунок 56).

Рисунок 56 - Штриховка зачернением
9. Для смежных сечений двух деталей следует брать наклон линий штриховки для одного сечения вправо, для другого - влево (встречная штриховка).
При штриховке в клетку для смежных сечений двух деталей расстояние между линиями штриховки в каждом сечении должно быть разным.
В смежных сечениях со штриховкой одинакового наклона и направления следует изменять расстояние между линиями штриховки или сдвигать эти линии в одном сечении по отношению к другому, не изменяя угла их наклона (рисунок 57).
Рисунок 57 - Пример штриховки сборочной единицы
10. При больших площадях сечений, а также при указании профиля грунта допускается наносить обозначение лишь у контура сечения узкой полоской равномерной ширины (рисунок 58).

Рисунок 58 - Пример штриховки больших площадей
Нанесение размеров и предельных отклонений
Чтобы рационально наносить и правильно читать размеры, нужно изучить некоторые условности, установленные ГОСТ 2.307-68.
Линейные размеры и их предельные отклонения на чертежах и в спецификациях указывают в миллиметрах, без обозначения единицы измерения. Если на чертеже размеры необходимо указать не в миллиметрах, а в других единицах измерения (сантиметрах, метрах и т.д.), то соответствующие размерные числа записывают с обозначением единицы измерения (см, м) или указывают их в технических требованиях.
Для размеров и предельных отклонений, приводимых в технических требованиях и пояснительных надписях на поле чертежа, обязательно указывают единицы измерения.
Угловые размеры и предельные отклонения угловых размеров указывают в градусах, минутах и секундах с обозначением единицы измерения, например: 4°; 4°30´; 12°50´30´´; 0°30´40´´; 0°18´; 0°5´25´´; 0°0´30´´; 30°±1°; 30°±10´.
Правила нанесения размеров
Для нанесения размеров используют выносные и размерные линии и размерные числа.
Общее количество размеров на чертеже должно быть минимальным, но достаточным для изготовления и контроля изделия.
Размерные и выносные линии следует выполнять сплошными тонкими линиями. Размерные линии ограничены стрелками. Величина стрелок выбирается в зависимости от толщины S линии видимого контура предмета и должна быть приблизительно одинакова для всех размерных линий чертежа (рисунок 59).

Рисунок 59 - Структура размера
При нанесении размера прямолинейного отрезка размерную линию проводят параллельно этому отрезку, а выносные линии - перпендикулярно размерам. Размер стрелок должен соответствовать изображению на рисунке 60.

Рисунок 60 - Изображение стрелок размерных линий
При нанесении размеров деталей, подобных изображению на рисунке 61, размерные линии следует проводить в радиусном направлении, а выносные - по дугам окружностей.

Рисунок 61 - Примеры простановки размеров
При нанесении размера угла размерную линию проводят в виде дуги с центром в его вершине, а выносные линии – радиально (рисунок 62).

Рисунок 62 - Угловой размер
При нанесении размеров нужно помнить, что на всех чертежах не зависимо от масштаба указываются действительные размеры изделия.
Размерные числа в пределах одного чертежа выполняют шрифтом одного размера. Размерные числа наносят над размерной линией возможно ближе к её середине.
При нанесении нескольких параллельных или концентричных размерных линий на небольшом расстоянии друг от друга размерные числа над ними рекомендуется располагать в шахматном порядке.
При нанесении размера диаметра внутри окружности размерные числа смещают относительно середины размерных линий.

Рисунок 63 - Простановка линейных размеров
Размерные числа линейных размеров при различных наклонах размерных линий располагают, как показано на рисунке 63. Если необходимо нанести размер в заштрихованной зоне, соответствующее размерное число наносят на полке линии-выноски.

Рисунок 64 - Простановка угловых размеров
Угловые размеры наносят так, как показано на рисунке 64. В зоне, расположенной выше горизонтальной осевой линии, размерные числа помещают над размерными линиями со стороны их выпуклости; в зоне, расположенной ниже горизонтальной осевой линии - со стороны вогнутости размерных линий. В заштрихованной зоне наносить размерные числа не рекомендуется. В этом случае размерные числа указывают на горизонтально нанесенных полках.

Рисунок 65 - Требования к простановке размеров
Стрелки, ограничивающие размерные линии должны упираться острием в соответствующие линии контура, или выносные, или осевые линии. Выносные линии должны выходить за концы размерных стрелок на 1-5 мм. Минимальное расстояние между параллельными размерными линиями должно быть 7 мм, а между размерной и линией контура - 10 мм и выбраны в зависимости от размеров изображения и насыщенности чертежа (рисунок 65).

Рисунок 66 - Пример простановки размеров
В случаях, показанных на рисунке 66, размерную и выносные линии проводят так, чтобы они вместе с измеряемым отрезком образовали параллелограмм.
Необходимо избегать пересечения размерных и выносных линий.
Не допускается использовать линии контура, осевые, центровые и выносные линии в качестве размерных.
Допускается проводить размерные линии непосредственно к линиям видимого контура, осевым, центровым и другим линиям.
Выносные линии проводят от линии видимого контура, за исключением случаев, когда при нанесении размеров на невидимом контуре отпадает необходимость в вычерчивании дополнительного изображения.
Если вид или разрез симметричного предмета или отдельных симметрично расположенных элементов изображают только до оси симметрии или с обрывом, то размерные линии, относящиеся к этим элементам, проводят с обрывом, и обрыв размерной линии делают дальше оси или линии обрыва предмета (рисунок 67).

Рисунок 67 - Пример использования размерной линии с разрывом
Размерные линии допускается проводить с обрывом в следующих случаях:
а) при указании размера диаметра окружности независимо от того, изображена ли окружность полностью или частично, при этом обрыв размерной линии делают дальше центра окружности (рисунок 68);

Рисунок 68 - Простановка диаметров
б) при нанесении размеров от базы, не изображенной на данном чертеже (рисунок 69).

Рисунок 69 - Обрыв размерной линии при нанесении размера от базы
При изображении изделия с разрывом размерную линию не прерывают (рисунок 70).

Рисунок 70 - Пример обозначение размера при изображении детали с разрывом
Если длина размерной линии недостаточна для размещения на ней стрелок, то размерную линию продолжают выносить за выносные линии (или соответственно за контурные, осевые, центровые и т. д.) и стрелки наносят, как показано на рисунке 71.

Рисунок 71 - Примеры расположения размерных линий
При недостатке места для стрелок на размерных линиях, расположенных цепочкой, стрелки допускается заменить засечками, наносимыми под углом 45° к размерным линиям или четко наносимыми точками.
При недостатке места для стрелки из-за близко расположенной контурной или выносной линии последние допускается прерывать.
Способ нанесения размерного числа при различных положениях размерных линий (стрелок) на чертеже определяется наибольшим удобством чтения (рисунок 72).
Рисунок 72 - Примеры нанесения размеров при различных положениях размерных линий
Размерные числа и предельные отклонения не допускается разделять или пересекать какими то ни было линиями чертежа.
Не допускается разрывать линию контура для нанесения размерного числа и наносить размерные числа в местах пересечения размерных, осевых или центровых линий.
В месте нанесения размерного числа осевые, центровые линии и линии штриховки прерывают (рисунок 73).

Рисунок 73 - Примеры нанесения размеров с разрывом осевых линий (а) и линии штриховки (б)
Размеры, относящиеся к одному и тому же конструктивному элементу (пазу, выступу, отверстию и т. п.), рекомендуется группировать в одном месте, располагая их на том изображении, на котором геометрическая форма данного элемента показана наиболее полно (рисунок 74).

Рисунок 74 - Примеры нанесения размеров
При нанесении размера радиуса перед размерным числом помещают прописную букву R. Если при нанесении размера радиуса дуги окружности необходимо указать размер, определяющий положение ее центра, то последний изображают в виде пересечения центровых или выносных линий.
При большой величине радиуса центр допускается приближать к дуге, в этом случае размерную линию радиуса показывают с изломом под углом 90°.
Если не требуется указывать размеры, определяющие положение центра дуги окружности, то размерную линию радиуса допускается не доводить до центра и смещать ее относительно центра (рисунок 75).

Рисунок 75 - Примеры нанесения размера радиуса
Если радиусы скруглений, сгибов и т. п. на всем чертеже одинаковы или какой-либо радиус является преобладающим, то вместо нанесения размеров этих радиусов непосредственно на изображении рекомендуется в технических требованиях делать запись типа: «Радиусы скругления 4 мм»; «Внутренние радиусы сгибов 10 мм»; «Неуказанные радиусы 8 мм» и т.п.
При указании размера диаметра (во всех случаях) перед размерным числом наносят знак «Æ».
Для обозначения цилиндрической поверхности следует руководствоваться следующим правилом: поверхность свыше 180о задается диаметром, менее 180о - радиусом, в случае, когда угол цилиндрической поверхности равен 180о, для её обозначения можно использовать как радиус, так и диаметр.
Перед размерным числом диаметра (радиуса) сферы так же наносят знак Æ (R) без надписи «Сфера» (рисунок 76).
Если на чертеже трудно отличить сферу от других поверхностей, то перед размерным числом диаметра (радиуса) допускается наносить слово «Сфера» или знак «?», например, «Сфера Æ 18», «?R12». Диаметр знака сферы равен размеру размерных чисел на чертеже. Размеры квадрата наносят, как показано на рисунке. Высота знака «» должна быть равна высоте размерных чисел на чертеже (рисунок 77).

Рисунок 76 - Примеры нанесения размера сферической поверхности
Рисунок 77 - Примеры нанесения размера с использование знака «квадрат»
Перед размерным числом, характеризующим конусность, наносят знак «», острый угол которого должен быть направлен в сторону вершины конуса (рисунок 78).

Рисунок 78 - Примеры обозначения конусности
Знак конуса и конусность в виде соотношения следует наносить над осевой линией или на полке линии-выноски.
,
где D - максимальный диаметр конуса, d - минимальный диаметр конуса, H - высота.
Уклон поверхности следует указывать непосредственно у изображения поверхности уклона или на полке линии-выноски в виде соотношения, в процентах или в промилях. Перед размерным числом, определяющим уклон, наносят знак «>», острый угол которого должен быть направлен в сторону уклона (рисунок 79).
Рисунок 79 - Примеры обозначения уклона
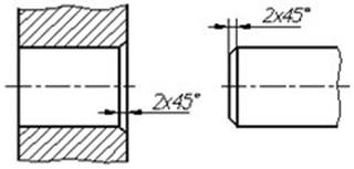
При нанесении размеров конических фасок размерную линию проводят параллельно оси конуса. Размеры фасок под углом 45° наносят, как показано на рисунке 80.

Рисунок 80 - Примеры обозначения фасок под углом 450
Размеры плоских и конических фасок под другими углами указывают - линейным и угловым размерами или двумя линейными размерами (рисунок 81).
Рисунок 81 - Примеры обозначения фасок под углом, отличным от 450

Рисунок 82 - Примеры нанесения размеров одинаковых отверстий
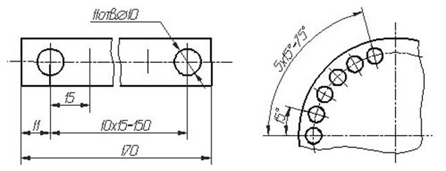
Размеры нескольких одинаковых элементов изделия, как правило, наносят один раз с указанием количества этих элементов (рисунок 82).
При нанесении размеров элементов, равномерно расположенных по окружности изделия (например, отверстий), указывают диаметр окружности центров отверстий и вместо угловых размеров, определяющих взаимное расположение элементов, только их количество (рисунок 82 в).
Размеры двух симметрично расположенных элементов изделия (кроме отверстий) наносят один раз без указания их количества, группируя, как правило, в одном месте все размеры (рисунок 83).

Рисунок 83 - Примеры нанесения размеров симметрично расположенных элементов изделия
При нанесении размеров, определяющих расстояние между равномерно расположенными одинаковыми элементами изделия (например, отверстия), рекомендуется вместо размерных цепей наносить размер между соседними элементами и размер между крайними элементами в виде произведения количества промежутков между элементами на размер промежутка (рисунок 84).

Рисунок 84 - Примеры нанесения размеров равномерно расположенными одинаковыми элементами изделия
Размеры, определяющие расположение сопрягаемых поверхностей, проставляют, как правило, от конструктивных баз с учетом возможностей выполнения и контроля этих размеров.
При расположении элементов предмета (отверстий, пазов, зубьев и т. п.) на одной оси или на одной окружности размеры, определяющие их взаимное расположение, наносят следующим способами:
- от общей базы (поверхности, оси) (рисунок 85);
Рисунок 85 - Примеры нанесения размеров от базы
- заданием размеров нескольких групп элементов от нескольких общих баз (рисунок 86);

Рисунок 86 - Примеры нанесения размеров от нескольких баз
- заданием размеров между смежными элементами (цепочкой) (рисунок 87).

Рисунок 87 - Примеры нанесения размеров цепочкой
Размеры на чертежах не допускается наносить в виде замкнутой цепи, за исключением случаев, когда один из размеров указан как справочный.
Справочные размеры на чертеже отмечают знаком «*», а в технических требованиях записывают: *Размеры для справок. Если все размеры на чертеже справочные, их знаком «*» не отмечают, а в технических требованиях записывают: «Размеры для справок».
Предельные отклонения размеров
Предельные отклонения размеров следует указывать непосредственно после номинальных размеров. Предельные отклонения линейных и угловых размеров относительно низкой точности допускается не указывать непосредственно после номинальных размеров, а оговаривать общей записью в технических требованиях чертежа при условии, что эта запись однозначно определяет значения и знаки предельных отклонений.
Общая запись о предельных отклонениях размеров с неуказанными допусками должна содержать условные обозначения предельных отклонений линейных размеров в соответствии с ГОСТ 25346-89 (для отклонений по квалитетам) или по ГОСТ 25670-83 (для отклонений по классам точности). Симметричные предельные отклонения, назначаемые по квалитетам, следует обозначать ±IT/2 с указанием номера квалитета.
Примеры общих записей в технических требованиях, соответствующие вариантам по ГОСТ 25670-83 для 14 квалитета и (или) класса точности «средний», приведены в таблице 8:
Таблица 8. Варианты записи неуказанных предельных отклонений в технических требованиях
| Номер варианта | Пример записи условными обозначениями |
| H14, h14, ±t2/2 или H14, h14, ±IT14/2 | |
| +t2, -t2, ±t2/2 | |
| ±t2/2 или ±IT14/2 | |
| Æ H14, Æ h14, ±t2/2 или Æ H14, Æ h14, ±IT14/2 |
Допускается записи о неуказанных предельных отклонениях размеров дополнять поясняющими словами, например, «Неуказанные предельные отклонения размеров: H14, h14, ± t2/2 ».
Предельные отклонения линейных размеров указывают на чертежах условными обозначениями полей допусков в соответствии с ГОСТ 25346-89, например: 18H7, 12e8 или числовыми значениями, например: ,, или условными обозначениями полей допусков с указанием справа в скобках их числовых значений, например: ,.
Обозначение шероховатости поверхности
ГОСТ 2.309-73 устанавливает обозначения шероховатости поверхностей и правила нанесения их на чертежах изделий всех отраслей промышленности. С учетом изменения №3 принятого Межгосударственным советом по стандартизации, метрологии и сертификации (протокол № 21 от 28.05.2002) стандарт полностью соответствует стандарту ИСО 1302
Шероховатость поверхности обозначают на чертеже для всех выполняемых по данному чертежу поверхностей изделия, независимо от методов их образования, кроме поверхностей, шероховатость которых не обусловлена требованиями конструкции.
Структура обозначения шероховатости поверхности приведена на рисунке 88. При применении знака без указания параметра и способа обработки его изображают без полки.

Рисунок 88 - Структура обозначения шероховатости
В обозначении шероховатости поверхности применяют один из знаков, изображенных на нижеприведенном рисунке 89.
Высота h должна быть приблизительно равна применяемой на чертеже высоте цифр размерных чисел. Высота Н равна (1,5-5) h. Толщина линий знаков должна быть приблизительно равна половине толщины сплошной линии, применяемой на чертеже.

Рисунок 89 - Знаки обозначения шероховатости
В обозначении шероховатости поверхности, способ обработки которой конструктором не устанавливается, применяют знак, показанный на рисунке 89 а.
В обозначении шероховатости поверхности, которая должна быть образована только удалением слоя материала, применяют знак, приведенный на рисунке 89 б.
В обозначении шероховатости поверхности, которая должна быть образована без удаления слоя материала, применяют знак (рисунок 89 в) указанием значения параметра шероховатости.
Поверхности детали, изготовляемой из материала определенного профиля и размера, не подлежащие по данному чертежу дополнительной обработке, должны быть отмечены знаком без указания параметра шероховатости (рисунок 89 в).
Состояние поверхности, обозначенной знаком должно соответствовать требованиям, установленным соответствующим стандартом или техническими условиями, или другим документом. Причем на этот документ должна быть приведена ссылка, например, в виде указания сортамента материала в графе 3 основной надписи чертежа по ГОСТ 2.104-2006.
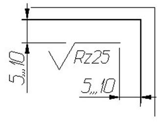
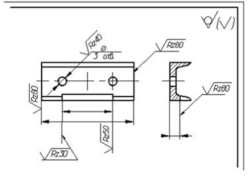
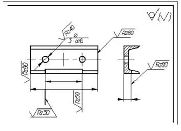
Значение параметра шероховатости по ГОСТ 2789-73 указывают в обозначении шероховатости после соответствующего символа, например: Rа 0.4, Rmax 6.3; Sm 0.63; t50 70; S 0,032; Rz 50.
Параметры шероховатости (один или несколько) выбираются из приведенной номенклатуры (рисунок 90):
Ra - среднее арифметическое отклонение профиля;
Rz - высота неровностей профиля по десяти точкам;
Rmax - наибольшая высота профиля;
Sm - средний шаг неровностей;
S - средний шаг местных выступов профиля;
tp - относительная опорная длина профиля, где р - значения уровня сечения профиля.
Параметр Ra является предпочтительным.

Рисунок 90 - Параметры шероховатости
Вид обработки поверхности указывают в обозначении шероховатости только в случаях, когда он является единственным, применимым для получения требуемого качества поверхности (рисунок 91).

Рисунок 91 - Обозначение шероховатости поверхности с видом обработки
Знаки обозначения шероховатости поверхностей на изображении изделия располагают на линиях контура, выносных линиях (по возможности ближе к размерной линии) или на полках линий-выносок.

Рисунок 92 - Расположение знаков обозначения шероховатости
Допускается при недостатке места располагать обозначения шероховатости на размерных линиях или на их продолжениях, а также разрывать выносную линию (рисунок 92).
Обозначение шероховатости поверхности, в которых знак имеет полку, располагают относительно основной надписи чертежа так, как показано на рисунке 93.

Рисунок 93 - Расположение знаков обозначения шероховатости
При указании одинаковой шероховатости для всех поверхностей изделия обозначение шероховатости помещают в правом верхнем углу чертежа и на изображении не наносят (рисунок 94). Размеры и толщина линий знака в обозначении шероховатости, вынесенном в правый верхний угол чертежа, должны быть приблизительно в 1,5 раза больше, чем на обозначения, нанесенных на изображении.

Рисунок 94 - Пример обозначение шероховатости, одинаковой для всех поверхностей изделия
Обозначение шероховатости, одинаковой для части поверхностей изделия, может быть помещено в правом верхнем углу чертежа вместе с условным обозначением (рисунок 95). Размеры знака, взятого в скобки, должны быть одинаковыми с размерами знаков, нанесенных на изображении (рисунок 89).

Рисунок 95 - Пример обозначение шероховатости, одинаковой для части поверхностей изделия
Обозначение шероховатости поверхностей повторяющихся элементов изделия (отверстий, пазов, зубьев и т. п.), количество которых указано на чертеже, а также обозначение шероховатости одной и той же поверхности наносят один раз, независимо от числа изображений (рисунок 96).
Обозначение шероховатости симметрично расположенных элементов симметричных изделий наносят один раз.

Рисунок 96 - Пример обозначение шероховатости поверхностей повторяющихся элементов изделия
Виды соединения деталей и правила их изображения на чертежах
Изделия подразделяются на детали, сборочные единицы, комплексы и комплекты см. п. 2.1.
Соединение - совокупность сборочных операций по соединению деталей различными способами (свинчиванием, сочленением, клепкой, сваркой, пайкой, опресовкой, развальцовкой, склеиванием, сшивкой, укладкой и т.п.).
Классификация видов соединения деталей
По конструкции и условиям эксплуатации соединения деталей могут быть разделены на подвижные и неподвижные.
Соединение неподвижное - соединение деталей, обеспечивающее неизменность их взаимного положения при работе. Например, сварные, соединения с помощью крепежных изделий и др.
Соединение подвижное - соединение, при котором детали имеют возможность относительного перемещения в рабочем состоянии. Например, зубчатое соединение.
В зависимости от возможности демонтажа соединения подразделяются на разъемные и неразъемные.
Соединение разъемное - соединение, которое можно многократно разъединять и соединять, не деформируя при этом ни соединяемые, ни крепежные детали. Например, резьбовое, соединение болтом, винтом, клиновое, шпоночное, зубчатое, и др.
Соединение неразъемное - соединение, которое нельзя разъединить без нарушения формы деталей или их соединяющего элемента. Например, соединение сварное, паяное, заклепочное и др.
Резьбовые соединения
Резьбовое соединение - соединение деталей при помощи резьбы.
Резьба - чередующиеся выступы и впадины на поверхности тела вращения, расположенные по винтовой линии; применяется как средство соединения, уплотнения или обеспечения заданных перемещений деталей машин, механизмов, приборов, аппаратов, сооружений (рисунок 97).

Рисунок 97 - Резьба
| Основные параметры резьбы |
Виток резьбы - часть резьбы, образованной при одном повороте профиля вокруг оси вращения (рисунок 98).

Рисунок 98 - Виток резьбы
Наружный диаметр резьбы (d) - диаметр воображаемого цилиндра, описанного вокруг вершин наружной резьбы или вписанного во впадины внутренней резьбы (рисунок 99).
Номинальный диаметр резьбы - диаметр, условно характеризующий размеры резьбы и используемый при ее обозначении.

Рисунок 99 - Наружный диаметр резьбы
Внутренний диаметр резьбы (d1) - диаметр воображаемого цилиндра, вписанного во впадины наружной резьбы или описанной вокруг вершин внутренней резьбы (рисунок 100).

Рисунок 100 - Внутренний диаметр резьбы
Профиль резьбы - плоская фигура, получаемая в плоскости, проходящей через ось резьбы.
Высота профиля (H) - радиально измеренная высота основного расчетного теоретического профиля (высота исходного треугольного профиля), общего для резьбы на стержне и в отверстии.
Угол профиля - угол между боковыми сторонами профиля, измеренный в осевой плоскости резьбы (рисунок 101).

Рисунок 101 - Профиль резьбы
Шаг резьбы (P) - расстояние между соседними одноименными точками профиля в направлении, параллельном оси резьбы той же винтовой поверхности (рисунок 102).
Ход резьбы (Ph) - расстояние по линии, параллельной оси резьбы, между исходной средней точкой на боковой стороне резьбы и средней точкой, полученной при перемещении исходной по винтовой линии на угол 360°, в однозаходной резьбе ход равен шагу, в многозаходной - произведению шага на число заходов n: Ph = nP (рисунок 102).

Рисунок 102 - Основные параметры резьбы
Рабочая высота профиля (h) - наибольшая высота соприкосновения сторон профиля резьбовой пары, измеренная радиально (рисунок 103).

Рисунок 103 - Рабочая высота профиля
Длина свинчивания (L) - длина участка взаимного перекрытия наружной и внутренней резьб в осевом направлении.
Классификация резьб
Для классификации резьбы используются следующие основные признаки (рисунок 104):
- форма профиля;
- форма поверхности, на которой выполнена резьба;
- расположение резьбы;
- величина шага;
- число и направление заходов;
- эксплуатационное назначение.

Рисунок 104 - Классификация резьб
